Projet : Charpente métallique

Variantes de garde-corps spécifiques au client

Les composants de garde-corps tels que

peuvent être enregistrés en tant que variantes spécifiques au client. Ces variantes sont disponibles dans le Configurateur de garde-corps et permettent la construction individualisée des garde-corps.

La création de ces variantes se compose des étapes suivantes :

 

Rubriques :


Création d'une géométrie

Pour créer la géométrie, vous disposez de toutes les fonctions de HiCAD (selon les licences installées).

En fonction des composants, la géométrie se composera d'un ou plusieurs éléments individuels. Dans le cas de plusieurs éléments individuels, par exemple un remplissage composé d'une tôle avec ses supports, les éléments doivent être regroupés dans un ensemble. Les variables décrites ci-dessous ainsi que les points dénommés pour le système de coordonnées d'insertion doivent être attribués à cet ensemble. Par ailleurs, les références externes doivent être activées dans la configuration du Feature de l'ensemble.

Cela est nécessaire parce que les éléments d'un garde-corps se réfèrent souvent les uns par rapport aux autres, comme dans notre futur exemple de remplissage planaire. Dans ce cas, le remplissage consiste en une tôle avec des supports, la largeur de la tôle dépendant de la largeur du support, il y a donc une référence externe entre la tôle et le support. L'insertion des composants du garde-corps se fait de différentes façons. L'utilisation des références externes garantit que les composants seront toujours insérés à la bonne position.

  • Les poteaux doivent toujours être créés du bas vers le haut, pour que les usinages puissent toujours être générés correctement sur l'extrémité 1 pour le bas et l'extrémité 2 pour le haut.
  • Si le poteau se compose de plusieurs éléments, les éléments doivent alors être regroupés dans un ensemble. Dans l'ensemble du poteau, un des éléments doit être défini comme élément principal d'ensemble.
  • Pour l'ensemble du poteau, le placement des éléments ne doit pas se baser sur les éléments ou les coordonnées absolues de l'ensemble. Il est préférable ici de définir le système de coordonnées d'insertion via le système de coordonnées d'élément d'un des éléments.


Un exemple de création de géométrie d'un composant du garde-corps se trouve à la page suivante.


Variables ISD et points dénommés

Système de coordonnées d'insertion

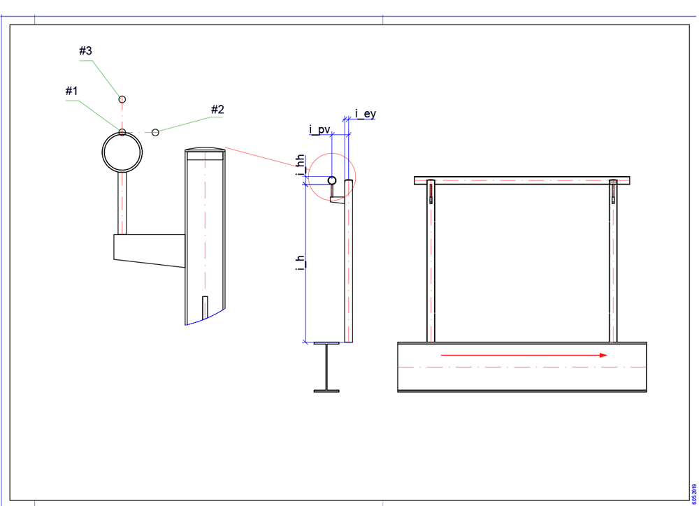
Chaque variante a besoin d'un système de coordonnées d'insertion (SCI) qui se compose de 3 points spécifiques :

Lorsqu'un élément 3D auquel un SCI a été attribué est chargé dans une nouvelle scène, les points du SCI seront alors déposés dans système de coordonnées universel. C'est ainsi que la direction d'insertion est spécifiée dans l'espace.

Pour déterminer le système de coordonnées d'insertion, vous disposez de deux possibilités :

  1. vous utilisez la fonction Scène > Divers > SC universel > Définir le SC d'insertion. Les points seront dans ce cas automatiquement dénommés #1, #2 et #3.
  1. vous déterminez trois points isolés et les dénommés tels qu'indiqués dans le tableau suivant :

Point 1

Point 2

Point 3

Dès lors que les points isolés portent les noms indiqués, ils deviennent invisibles sur la scène.

 

Variables

Pour garantir que vos variantes seront toujours insérées correctement, des variables ISD spécifiques doivent être utilisées dans les formules des variantes (en fonction du type de composant respectif). Les noms de ces variables commencent toujours par i_. Les valeurs de ces variables sont données à la variante spécifique au client via les champs de saisie du configurateur de garde-corps, dès que la variante y a été sélectionnée. Par exemple, pour un remplissage planaire, la zone de remplissage sera déterminée par la distance entre 2 poteaux et la distance entre le sol et la main courante. Cela signifie que ces valeurs sont obligatoires pour le calcul de la largeur et de la hauteur du remplissage. Le configurateur de garde-corps fournit les valeurs dans les variables i_l (largeur) et i_h (hauteur).

En plus de ces variables, vous pouvez attribuer d'autres variables libres. Contrairement aux variables ISD, dont le contenu est fourni par le configurateur de garde-corps, le contenu des variables "libres" est transféré au configurateur de garde-corps via la variante spécifique au client. Veuillez noter que les noms de ces variables ne doivent pas commencer par i_, car sinon ces variables ne seront pas affichées dans la fenêtre de dialogue de l'éditeur pour les variantes de garde-corps et du configurateur de garde-corps !

Les illustrations ci-dessous permettent de savoir quelles variables ISD (i_...) sont disponibles pour quel composant, comment fixer les points pour le SCI et quelles autres variables sont nécessaires :

Télécharger au format PDF

Lors de l'insertion de poteaux, la 1/2 épaisseur de poteau dans les directions X et Y ne représente aucune valeur de saisie du configurateur de garde-corps (i_ex..., i_ey...) ; au lieu de cela, les valeurs doivent être créées par la variante de poteau. Par conséquent, vous ne devez pas utiliser dans la variante les variables i_ex et i_ey, mais ex et ey. Ces valeurs seront ensuite fournies au configurateur de garde-corps, dans les variables i_ex et i_ey du remplissage.

Voir aussi notre Conseil

Télécharger au format PDF

 

Télécharger au format PDF

Télécharger au format PDF

Télécharger au format PDF

Télécharger au format PDF

Outre la variable i_s, i_s1 et i_s2, la pente est également disponible sous forme de valeurs pour les angles, à savoir dans les variables i_sa, I_sa1 et I_sa2.

 

Conseil : 

Si vous utilisez des profilés normalisés dans une variante de garde-corps, par exemple pour un poteau, vous n'avez pas besoin d'affecter les variables ex et ey. Les valeurs correspondantes sont automatiquement calculées pour les profilés normalisés et fournies dans les variables i_ex et i_ey dans le configurateur de garde-corps.

Pour vos propres profilés, cet automatisme peut être réalisé comme suit :

  • Le tableau du catalogue correspondant, c'est-à-dire le tableau à partir duquel le profilé est chargé, doit (comme les exemples de tableaux pour les profilés de garde-corps sous Normes d'usine > Garde-corps > Profilés de garde-corps) contenir les colonnes HH et HB.

  • Dans votre variante, vous devez insérer un script Feature particulier : Exécuter le script - Abmessungen HH, HB, EX, EY. Pour ce faire, chargez une variante d'exemple de ISD contenant ce script, par exemple la variante poteau : Profilé d'esquisse (Normes d'usine > Garde-corps > Poteaux).

Cliquez avec le bouton droit de la souris dans l'historique de Feature de votre variante, choisissez Ajouter un Feature et faites glisser le Feature jusqu'à la position correcte derrière le Feature de création du corps.

 

Utilisation d'entrées d'un catalogue ou d'un tableau dans une variante

ID de catalogue et de tableau

Les entrées d'un tableau des catalogues HiCAD peuvent également être définies comme variables. Pour cela, vous avez besoin de variables de type Liste. Par exemple, si votre composant de garde-corps est un produit semi-fini du type Tôle, et que vous souhaitez sélectionner cette plaque de tôle non pas comme une plaque fixe invariable, mais de manière flexible via le catalogue lors du choix du composant dans le Configurateur de garde-corps, vous aurez besoin d'une variable du type Liste.

Pour créer une variable de ce genre, choisissez Ajouter une nouvelle variable dans la fenêtre de dialogue des Variables (Standard 3D > Outils > Attr. > Variables d'élément), saisissez le nom de la variable, par exemple pl et choisissez comme type de variable Liste. En outre, vous pouvez saisir ici un Commentaire, par exemple Entrée de catalogue. Lorsque vous confirmez avec OK, la variable sera insérée.

Par un clic droit de la souris sur la ligne contenant la nouvelle variable, vous pouvez Ajouter une nouvelle variable. Il n'est pas nécessaire de spécifier un nom ici, car il sera déterminé automatiquement. Choisissez comme type de variable Nombre et comme valeur l'ID du tableau, par exemple 127 pour le tableau Produits semi-finis > Tôles > Tôle. Ici aussi, vous pouvez laisser un commentaire, par exemple ID du tableau. Après avoir confirmé par OK, la sous-variable sera créée, un nombre consécutif entre crochets sera utilisé automatiquement comme nom, par exemple [1]. Procédez de la même manière pour créer la variable pour l'ID de la ligne.

Vous pouvez voir l'ID du tableau dans la barre d'état de l'éditeur de catalogue, et l'ID de la ligne dans la colonne ID du tableau respectif.

 

La variable pl possède maintenant comme contenu la clé de données avec l'ID 67 du tableau Tôles.

 

La variable définie peut maintenant être utilisée dans le Feature. Par exemple, si son élément de garde-corps contient un produit semi-fini, une entrée du type suivant peut être trouvée dans l'historique de Feature :

Pour que cette plaque de tôle ne soit pas insérée comme une plaque fixe invariable, mais de manière flexible via le catalogue lorsque vous sélectionnez le composant dans le Configurateur de garde-corps, vous pouvez maintenant utiliser les sous-variables de la variable du type Liste, c'est-à-dire

Vous pouvez en outre déterminer dans l'Éditeur pour les variantes de garde-corps que seuls quelques tableaux en particulier devront être proposés à la sélection.


Variantes modèles ISD

À la livraison de HiCAD, vous recevez des exemples de variantes de la part de ISD pour les différents composants. Vous pouvez les trouver dans le catalogue Normes d'usine > Garde-corps.

Poteau ISD

 

Main courante ISD

 

Remplissage ISD

 

Console ISD

 

Ces variantes sont disponibles à la sélection via le configurateur de garde-corps, et peuvent également être utilisées comme modèles pour vos variantes spécifiques au client.

Veuillez noter qu'une bonne connaissance en paramétrique et des variantes de Feature est nécessaire pour bénéficier de l'ensemble des possibilités offertes par les variantes de garde-corps. Veuillez également lire les remarques sur l'Utilisation des variables et des formules dans le Feature.

Éditeur pour variantes de garde-corpsEscaliers et garde-corps (CM 3D)Fonctions de la Charpente métallique

© Copyright 1994-2021, ISD Software und Systeme GmbH
Version 2601 - Charpente métallique
Publié le : 26/09/2021     Langue: 1031

> Commentaires sur ce thème

Protection de la vie privéeConditions générales de ventreCookiesContactMentions légales