Cotations tabulaires

Les cotations tabulaires permettent d’afficher les informations de pièces standardisées sous forme de tableau.

Vous pouvez utiliser les fonctions de cotations tabulaires suivantes :


Nouvelle cotation tabulaire

Cotation + Annotation 2D > Modifier > Menu déroulant Extras > Individuel

Cotation + Annotation 2D > Modifier > Menu déroulant Extras > Cadre de sélection

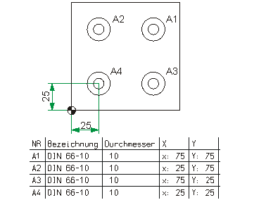
Selon le type d’identification sélectionné, HiCAD recherchera et identifiera automatiquement les pièces standardisées à l’intérieur du cadre de sélection et affichera leurs données dans un tableau.

  1. Tracez un cadre de sélection autour des usinages normés de votre choix, puis indiquez un point de référence.

Les coordonnées des usinages normés listés dans le tableau feront référence à ce point.

Si vous avez sélectionné la fonction Individuel, vous pouvez identifier directement un usinage normé.

  1. Pour terminer, définissez l’emplacement du tableau dans la scène.

HiCAD ajoute le tableau contenant les données des pièces standardisées identifiées à l’emplacement indiqué et ajoute les annotations correspondantes aux pièces.

Le tableau est mis à jour chaque fois que le tableau est fermé.


Modifier les cotations de tableau

Si vous souhaitez modifier une cotation de tableau, faites un clic droit sur le tableau correspondant pour faire apparaître le menu contextuel des cotations tabulaires à l’écran.

Fonction

Description

Permet de mettre à jour une cotation tabulaire référençant des pièces standardisées ayant été ajoutées ou supprimées. Vous devez tracer un cadre de sélection pour les identifier.

Permet d’ajouter ou de supprimer des pièces d’une cotation tabulaire existante. Identifiez directement l’usinage normé de votre choix.

Permet de modifier le point de référence d’une cotation tabulaire. Les coordonnées des pièces seront mises à jour, et le tableau sera actualisé en fonction.

Permet d’ouvrir l’éditeur de tableau, à partir duquel vous pouvez procéder aux actions suivantes :

  • définir un titre et un pied de page pour le tableau ;

  • modifier les titres de colonne (faites un double-clic sur le titre de colonne correspondant) ;
  • exporter les tableaux sous forme de tableau Excel.

Si vous mettez des tableaux à jour, alors les modifications apportées depuis cette fonction seront perdues.

Permet de supprimer le tableau.

Permet de modifier les paramètres du tableau activé.

Outils de cotation (2D)Paramètres des cotations de tableau (2D)