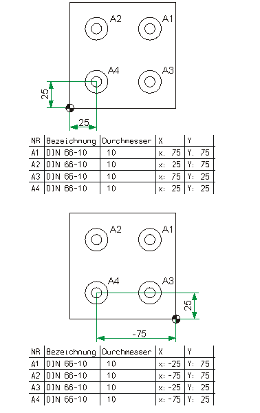
Définition d’un point de référence

Modification d’un point de référence