Thema: HiCAD 2D
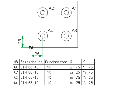
Eine Tabellenbemaßung zeigt die Daten von Normteilen in tabellarischer Form an.
In HiCAD stehen Ihnen für die Tabellenbemaßung folgende Funktionsbereiche zur Verfügung:
![]()
2D-Bemaßung + Text > Bearbeitens > PullDown-Menü Extras > Rechteck ![]()
Je nach gewählter Identifizierung sucht HiCAD automatisch nach den innerhalb eines Rechtecks liegenden Normbearbeitungen und zeigt deren Daten in einer Tabelle an.
Auf diesen Punkt beziehen sich die in der Tabelle ausgegebenen Koordinaten der Normbearbeitungen.
Wenn Sie die Funktion Tabellenbemaßung einzeln gewählt haben, können Sie explizit eine Normbearbeitung identifizieren.
HiCAD setzt die Tabelle mit den Daten der gefundenen Normbearbeitungen an die angegebene Position und beschriftet die Normbearbeitungen entsprechend.
Beim schließen der Datei wird die Tabelle immer aktualisiert.
Wollen Sie eine Tabellenbemaßung bearbeiten, dann klicken Sie mit der rechten Maustaste auf die entsprechende Tabelle. Das Kontextmenü für Tabellenbemaßungen wird angezeigt.
| Funktion |
Beschreibung |
|---|---|
|
Aktualisieren |
Haben Sie Normbearbeitungen hinzugefügt oder entfernt, dann lässt sich die zugehörige Tabellenbemaßung mit dieser Funktion nach Aufzug eines Rechtecks aktualisieren. |
|
Hinzufügen Entfernen |
Mit diesen Funktionen können Sie einzelne Normbearbeitungen zu einer bereits vorhandenen Tabellenbemaßung hinzufügen oder aus ihr entfernen. Dazu identifizieren Sie einfach die gewünschte Normbearbeitung. |
|
Bezugspunkt setzen |
Mit dieser Funktion ändern Sie den Bezugspunkt einer Tabellenbemaßung. Die Koordinaten der Normbearbeitungen werden neu berechnet und die Tabelle wird entsprechend angepasst. |
|
Tabelle exportieren |
Diese Funktion startet den Tabelleneditor. Hier können Sie
Beim Aktualisieren von Tabellen gehen die mit dieser Funktion vorgenommenen Änderungen verloren. |
|
Tabelle löschen |
Nach Auswahl der Funktion wird die Tabelle gelöscht. |
|
Einstellung |
Diese Funktion ändert die Parameter der aktivierten Tabelle. |
Bemaßungs-Extras (2D) • Einstellung der Tabellenbemaßung (2D)
|
© Copyright 1994-2019, ISD Software und Systeme GmbH |