Thema: HiCAD 2D

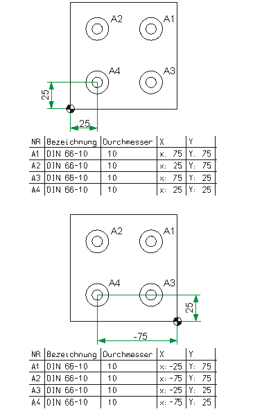
Bezugspunkt setzen

Bezugspunkt ändern

© Copyright 1994-2019, ISD Software und Systeme GmbH
Version 2402 - HiCAD 2D
Ausgabedatum: 01.10.2019

> Feedback zu diesem Thema