Fenêtre de dialogue pour les vues en coupe
Vues > Nouveau >
Vue en coupe 
Les paramètres pour les vues en coupe sont à spécifier dans la fenêtre de dialogue Nouvelle vue en coupe qui s'ouvre automatiquement après avoir cliqué sur la fonction Vue en coupe.
Veuillez noter que les paramètres des hachures de la scène sont pris en compte lors du hachurage des surfaces de coupe. Vous pouvez définir ces paramètres avec la fonction Scène > Propriétés > Paramètre des hachures.
Rubriques :
Type
Avec élément en arrière-plan
La vue sera représentée comme volume.
Surface de coupe uniquement
Une vue en coupe ne représentant que les surfaces de coupe sera créée.
Avec limitation en profondeur
En cochant cette case, la profondeur de la coupe ne sera pas pour la scène entière, mais la profondeur de coupe sera déterminée explicitement par vous selon une valeur donnée. La valeur de la profondeur détermine la distance à partir de la surface de coupe jusqu'à qu'aux éléments qui devront être représentés.
Si la case
Déployé est également cochée, toutes les surfaces de coupe seront alors rabattues sur un même plan commun. Cela peut être utile, notamment, lorsque vous souhaitez représenter l'intérieur d'un élément de rotation, les tuyaux, etc. Les vues en coupe non rabattues peuvent, par ailleurs, être limitées latéralement, de sorte que l'objet de coupe de la scène n'entrecoupe pas la scène entièrement.
Pour limiter latéralement les vues en coupe non rabattues, cochez la case
Limité. Dans ce cas, la vue est à la fois la vue en coupe et de détail. En fermant la fenêtre de dialogue pour la vue en coupe, la fenêtre de dialogue pour la vue de détail s'ouvre automatiquement, fenêtre à partir de laquelle vous pouvez spécifier l'échelle et les paramètres de hachures.
Lorsque vous souhaitez modifier ultérieurement la limitation latérale d'une vue en coupe, utilisez alors la fonction Modifier la vue de détail. Le cadre de limitation généré automatiquement par HiCAD s'affiche sous forme d'esquisse. Cette esquisse peut être modifiée à tout moment, par exemple, déplacée ou pivotée.
Si une esquisse paramétrée avec des contraintes HCM contient des variables, celles-ci seront alors automatiquement définies comme variables de vue lorsque vous utilisez l'esquisse dans une vue en coupe/de détail ou en coupe partielle. Lorsque vous modifiez la valeur des variables de vue, toutes les vues de la scène en cours seront alors actualisées et les vues en coupe, de détail ou en coupe partielle correspondantes adaptées automatiquement. L'esquisse d'origine reste cependant inchangée. Cela signifie que les vues peuvent être adaptées rapidement sans avoir à modifier l'esquisse correspondante.
Esquisse pour tracé de coupe
Le tracé pour la vue en coupe est basé sur une esquisse planaire. Celle-ci peut déjà être présente sur la scène ou être créée de toutes pièces à la définition de la vue.
|
|
Créer une nouvelle esquisse |
Cliquez sur ce symbole pour créer une nouvelle esquisse. |
|
|
Sélectionner une esquisse |
Cliquez sur ce symbole si vous souhaitez utiliser une esquisse qui existe déjà sur la scène. Identifiez ensuite l'esquisse de votre choix. |
|
|
Suppr. après création |
L'esquisse utilisée est conservée après la création de la vue en coupe. |
|
|
L'esquisse utilisée est supprimée après la création de la vue en coupe. |
Veuillez prendre connaissance des remarques sur l'objectif et la représentation des esquisses. Les esquisses avec comme objectif Élément seront coupées dans les vues en coupe, les esquisses avec comme objectif Créer/Modifier ne le seront pas.
Identification des vues en coupe
Dans cet encart de la fenêtre, vous déterminez si le tracé de coupe doit être représenté et la vue en coupe munie d'un intitulé. Cochez ou décochez les cases en correspondance.
|
|
Le tracé de coupe sera identifié. Les paramètres par défaut définis par ISD sont :
|
|
|
Au moyen du bouton Modifier les paramètres de texte et de ligne, vous pouvez personnaliser l'identification de la coupe dans la vue d'origine et la vue active. Il s'agit entre autres de la représentation symbolique de la direction du regard, du contenu et de la position de l'annotation, ainsi que la représentation du tracé de coupe. |
|
|
Si cette case est cochée, un intitulé pour la vue en coupe sera généré. Les paramètres par défaut définis par ISD indiquent : la désignation de la coupe qui sera également utilisée comme nom de la vue en coupe. |
|
|
Si vous souhaitez définir individuellement un intitulé pour la vue, cliquez sur le bouton Éditer l'intitulé de la vue. |
Exemple - Paramètres par défaut
Tracé de coupe - Modifier les paramètres de texte et de ligne
Dans la fenêtre de dialogue Paramètres d'identification, vous pouvez spécifier les paramètres pour l'annotation et la représentation du tracé de coupe dans la vue d'origine.
Les paramètres d'identification seront affichés en aperçu sur la scène si vous avez sélectionné auparavant une esquisse.
Les paramètres actuels de la fenêtre de dialogue peuvent être sauvegardés comme favoris pour une utilisation future. Pour cela, cliquez sur le symbole
en bas de la fenêtre. Pour en savoir plus sur la gestion des favoris, lisez la rubrique Favoris des bases de HiCAD.
|
Général |
|
|---|---|
|
Annotation |
Ces paramètres indiquent comme l'annotation devra être exécutée. Les paramètres suivants sont possibles :
Pour les Lettres séquentielles et les Nombres séquentiels, la direction peut être inversée en cochant la case correspondante. Pour une Annotation unilatérale, vous pouvez changer de côté. Si vous sélectionnez comme symbole Cercle avec triangle, seule une annotation unilatérale ou bilatérale sera alors possible. |
| Désignation de la coupe |
Spécifiez la désignation de la coupe en la saisissant directement ou en la choisissant dans la liste de choix. Si vous avez utilisé sur votre scène des lettres majuscules ou des chiffres comme identification de la vue, automatiquement HiCAD propose respectivement la plus petite lettre majuscule ou le plus petit chiffre non encore utilisé pour la désignation de la coupe. Les vues qui ne possèdent qu'un seul intitulé (sans identification dans une vue d'origine) sont également prises en compte. La dernière désignation utilisée détermine si une lettre ou un chiffre sera proposé. Par exemple, après une vue en coupe avec la désignation A, une lettre sera à nouveau proposée pour la vue en coupe suivante, et après une vue en coupe avec la désignation 1, c'est un chiffre qui sera à nouveau proposé. |
| Modifier le texte d'annotation |
Les paramètres par défaut prédéfinis par ISD pour le texte de l'annotation sont indiqués dans le fichier ViewOriginLabel_Section.ftd stocké dans le répertoire sys de HiCAD.
Si vous souhaitez modifier le texte d'annotation par défaut, cliquez sur |
| Position de l'annotation |
Ce paramètre détermine la position de l'annotation par rapport au tracé de coupe. Vous avez le choix entre les options suivantes :
À gauche : position de l'annotation dans le prolongement de la flèche. Au milieu : dans le prolongement de la ligne de coupe. À droite : à côté de la flèche |
| Strate |
Vous spécifiez ici sur quelle strate l'identification de la coupe devra être posée. |
|
|
|
|
Flèches |
|
|
Vous déterminez ici quel symbole devra être utilisé pour l'identification :
La flèche fermée comme le triangle peuvent être rempli(e)s. Si vous avez sélectionné l'annotation unilatérale, vous disposez alors pour le symbole Cercle avec triangle de la case Rectangle. En cochant cette case, un rectangle à la taille indiquée sera alors dessiné au point final du tracé de coupe.
Si la vue d'origine est une vue 3D, par exemple une axonométrie, le choix du symbole n'aura alors aucun effet. Dans ce cas, c'est alors une flèche 3D qui sera toujours utilisée. |
|
Couleur de flèche Longueur |
Vous sélectionnez ici la couleur et la longueur de la flèche / du symbole. La longueur peut être déterminée automatiquement par HiCAD ou être spécifiée précisément par la saisie d'une valeur. |
|
Tracé de coupe |
|
|
|
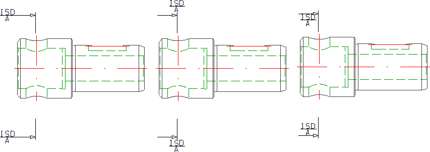
Dans cet encart de la fenêtre, vous déterminez la représentation du tracé de coupe.
Différentes représentations du tracé de coupe - ici sur une vue 3D
À la première utilisation de cette fonction, dans la scène actuelle, la fenêtre de dialogue indique comme paramètres prédéfinis ceux spécifiés dans le Gestionnaire de Configuration (Dessin > Vues > Identification > Coupes). Lors d'une prochaine utilisation de la fonction, ce seront les derniers paramètres de texte et de ligne qui serviront de paramètres par défaut. |
Dans la vue en coupe, la représentation du tracé de coupe et de l'identification de la coupe, se réfèrent aux paramètres indiqués dans le Gestionnaire de Configuration sous Dessin > Vues > Identification > Coupes.
Éditer l'intitulé de la vue
Si vous ne souhaitez pas utiliser les paramètres par défaut définis par ISD pour l'intitulé de la vue en coupe, vous pouvez les personnaliser par un clic sur
.
S'ouvre alors la fenêtre de dialogue Intitulé de la vue qui ressemble en grande partie à l'Éditeur d'annotation.
Déterminez les composants qui doivent apparaître dans l'intitulé. Il peut s'agir de textes bruts ou d'attributs. Par exemple, vous pouvez utiliser pour l'intitulé le nom de la vue, la désignation, l'échelle et, dans le cas où la vue est dérivée dans l'alignement, la flèche et l'angle.
Pour l'intitulé dans les vues de détail, vous disposez du fichier modèle VIEWHEADER_S.FTD stocké dans le répertoire sys de HiCAD. À l'aide de ce fichier, vous pouvez personnaliser les intitulés dans les vues de détail. Par défaut, ce fichier FTD est vierge.
Un petit exemple :
Dans le fichier modèle VIEWER_S.FTD, les paramètres suivants ont été enregistrés.
La vue en coupe obtient alors l'intitulé suivant.
À savoir :
- L'échelle ne sera représentée dans l'intitulé d'une vue en coupe que si cette dernière est d'une autre échelle que celle de la vue d'origine.
- L'intitulé sera centré automatiquement au-dessus de la vue. Vous avez cependant la possibilité par la suite de déplacer l'intitulé.
Hachures
Les surfaces de coupe d'une vue en coupe peuvent également être représentées hachurées.

Pour obtenir une représentation hachurée des surfaces de coupe :
- Cochez la case Avec hachures. Les paramètres de hachures actuels vous apparaissent.
- Sélectionnez si besoin un autre motif de hachures. Pour cela, cliquez sur le symbole Modifier les hachures
. La fenêtre de dialogue Sélection de hachures s'ouvre. En déplaçant le curseur sur un des motifs, d'autres informations à son sujet s'affichent. Par un clic sur le symbole de la loupe, en bas à gauche, il est également possible d'agrandir l'affichage des motifs.
Sélectionnez le motif de votre choix et quittez la fenêtre par OK.
- Déterminez la distance (entre les traits des hachures) et l'angle (d'inclinaison) pour les hachures.
Les hachures des surfaces de coupe sont déterminées par le paramètre sélectionné pour les hachures de surface de coupe spécifié dans le Gestionnaire de Configuration sous Dessin > Vues.
Revêtement
Pour les tôles pliées et de la Charpente métallique, il est possible ici par la case Afficher de déterminer si le revêtement doit être représenté dans la vue en coupe, ou non. L'identification a lieu par une arête d'offset, que l'on nomme la ligne de revêtement. Pour la représentation de la ligne de revêtement, les paramètres déterminés dans la Gestionnaire de Configuration sous Dessin > Annotations > Ligne de revêtement dans la vue en coupe seront utilisés.
La représentation de la ligne de revêtement peut être modifiée ultérieurement. Pour cela, cliquez dans la vue concernée avec le bouton droit de la souris sur la ligne de revêtement et activez dans le menu contextuel Symbole de revêtement la fonction de voter choix.
|
Fonction |
|
|---|---|
|
|
Changer les paramètres de ligne de revêtement Cette fonction permet de modifier la couleur, le type de ligne et la strate de la ligne de revêtement. Pour cela, la fenêtre de dialogue Paramètres d'arête 3D s'ouvre. |
|
|
Modifier l'intervalle d'offset Cette fonction permet de modifier la distance de décalage, c'est-à-dire l'intervalle entre la ligne de revêtement et l'arête de coupe. |
|
|
Afficher/Masquer les lignes de revêtement Les lignes de revêtement peuvent être masquées ou affichées dans la vue active ou dans toutes les vues en coupe. On distingue les lignes de revêtement sur le côté intérieur et le côté extérieur. En lançant la fonction, la fenêtre de dialogue suivante s'ouvre :
Avec les paramètres indiqués ci-dessus, les lignes de revêtement seront affichées dans toutes les vues en coupe sur le côté extérieur et intérieur. Si toutes les lignes de revêtement ont été masquées, les lignes peuvent être réaffichées via le menu contextuel des tôles. Dans la vue en coupe, cliquez avec le bouton droit de la souris sur la tôle et sélectionnez sous Propriétés, la fonction Ligne de revêtement. |
Tôle pliée (1) avec revêtement extérieur, Vue de dessus (2) avec arête de coupe (3), Vue en coupe (4) avec ligne de revêtement (5)
Nota bene :
- Le calcul du décalage (offset) des lignes de revêtement est toujours effectué dans le plan de l'écran, c'est-à-dire que les lignes ne sont pas des polylignes 3D "fixes" et permanentes, mais seront actualisées lors de la rotation de la vue.
- Pour la représentation en pointillé, le pointillé de la ligne de revêtement se fait par segment, et non sur toute la longueur du tracé.
Vues spéciales (3D) • Vues en coupe et de détail (3D) • Vues (3D) • Paramètres des hachures


. Vous pouvez alors spécifier et formater le texte comme dans l'
