"Civil Engineering functions" docking window > Steel Engineering > Connections > Individual beam/profile > Free plate (1103)
Use this function to fit plates of flat steel or sheet metal with pre-drilled holes. Besides standard bores, slots and free bores can be used if desired.
When you call the function, the dialogue window for free plates will be displayed.
Configurations for free plates can be saved, enabling you to access your individual, customised configurations at any time.
Semi-finished product
The plate can either consist of flat steel or of sheet metal. Click the icon to select plate type and material directly from the corresponding Standard part catalogues.
Geometry
Here you can determine the plate size. In the Definition listbox you can choose between the following procedures:
Bore type
The following options are available:
Slot (left) and Rectangular slot (right)
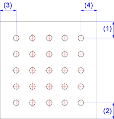
Grid X/Y
The bore grid determines the arrangement of the bores on the plate.
Insert as SP (sub-part)
By default, the plate is inserted as a main part into your drawing. If you activate the Insert as SP checkbox the plate and the active part will form a new assembly.
When all required data have been entered, you can fit the plate. If you select Apply, the plate will be fitted, but the dialogue window will remain open (in contrast to the OK option). If you exit the dialogue window with Close, the function will be cancelled, without fitting or changing the plate.
HiCAD displays a graphical preview when the plate is fitted. Specify a fitting point in the graphic, then specify the position of this point in the current drawing.
Related Topics
Connections + Variants (3-D SE) • The Dialogue Window for Connections (3-D SE) • The Catalogue System for Connections + Variants (3-D SE)
Version 1702 - HiCAD Steel Engineering | Date: 9/2012 | © Copyright 2012, ISD Software und Systeme GmbH