2-D Sheet Section from 3-D Sectional View (3-D SM) Undefinierte Variable:Druckvariablen-Set.Modul)

Sheet Metal > Sheet development > Extras >From sectional view

You use this function to generate a dimensioned 2-D view from a 3-D sectional view.

  1. Derive a 3-D section from your sheet part using the Sectional view function (Views tab, see HiCAD 3-D).
  2. Activate the From sectional view function.
  3. Select a designation for the 2-D view and the distance for the go-side line.
  4. Then, identify the go-side from the 3-D section.

The 2-D view is displayed with dimensioning at the cursor.

  1. Specify a fitting point in the drawing.

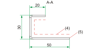
(1) Sheet part
(2) Front view of the sheet part
(3) Go-side in the 3-D sectional view

(4) Go-side
(5) Dimensioned 2-D view

Use the SYS/ABWCOL.DAT file to specify the parameters for the coating surface (go-side) .

# Layer, colour, line thickness, line type for coating surface of 2-D sheet section

2413

2 = layer, 4 = colour, 1 = line width, 3 = line type. The parameters will be applied when HiCAD is re-started.

 Related Topics

Extras2-D Sheet Section, Perpendicular to Edge

Version 1702 - HiCAD Sheet Metal | Date: 9/2012 | © Copyright 2012, ISD Software und Systeme GmbH