Section Path (2-D)

2-D Dimenioning + Text > Text > New > Section path

You use this function to create section guides according to DIN 6, with the number of inflexion points being limited to no more than 8.

  1. After calling this function, you first select how you want the section path to be marked:
  2. None
    The section path is not marked.
  3. Without section path
    The start and end points of the section guide are marked. For this, specify the section description at the start point, e.g. A, A1 or A-A.
  4. With section path
    The start and end points as well as all inflexion points are marked. For this, specify the section description at the start point, e.g. A, A1 or A-A.
  1. Construct the section guide and specify the line of vision.

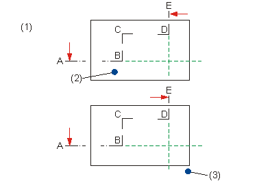
(1) Without section path
(2) Incorrectly set line of vision point
(3) Correctly set line of vision point

(1) With section path
(2) Incorrectly set line of vision point
(3) Correctly set line of vision point

You can change the parameters for section guides, e.g. colour, layer or symbols at the start and end points in SCHNITT.DAT (sys directory). Please note that you can only use those symbols the fitting point of which has the ID "?" and which do not contain symbol texts.

 Related Topics

New Text/Annotation (2-D)

Version 1702 - HiCAD 2-D | Date: 9/2012 | © Copyright 2012, ISD Software und Systeme GmbH