Thema: HiCAD Blech

2D Blechschnitt senkrecht zur Kante

Kantblech > Weitere Funktionen > PullDown-Menü Extras > Senkrecht zur Kante

Diese Funktion leitet aus einer 3D-Ansicht eine bemaßte 2D-Ansicht ab.

  1. Definieren Sie, nach der Wahl der Funktion, eine Bearbeitungsebene durch zwei Kanten, eine für die X- und eine für die Y-Achse.

Nach dem Identifizieren der ersten Kante können Sie den Vorschlag für die Lage der Bearbeitungsebene mit der rechten Maustaste übernehmen.

  1. Wählen Sie eine Bezeichnung für die 2D-Ansicht und den Abstand für die Gutseite (Beschichtung).
  2. Aktivieren Sie ggf. inkl. Stirnseite, wenn die Gutseite auch an der Stirnseite angezeigt werden soll.
  3. Aktivieren Sie ggf. die Winkelmaße und verlassen Sie das Dialogfenster mit OK.
  4. Identifizieren Sie einen Punkt für den Schnittverlauf.

Die 2D-Ansicht wird am Cursor dargestellt.

  1. Geben Sie einen Passpunkt in der Konstruktion an.

(1) Kante für die X-Achse der Bearbeitungsebene
(2) Kante für Y-Achse der Bearbeitungsebene
(3) Position auf Kante für Schnitt (Gutseite)
(4) Schnittverlauf

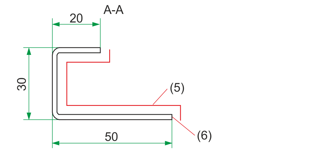
(5) Gutseite inklusive Stirnseite
(6) Bemaßte 2D-Ansicht

Die Parameter für die Darstellung der Beschichtungsseite (Gutseite) stellen Sie im Konfigurationsmanagement unter Kompatibilität > Blechabwicklung bis HiCAD2016 > Erweiterte Einstellungen > Beschichtungsseite des 2D-Blechschnittes ein.

Die Parameter werden nach einem Neustart von HiCAD übernommen.

Weitere Funktionen (3D-Blech)2D Blechschnitt aus 3D Schnittansicht (3D-Blech)

© Copyright 1994-2020, ISD Software und Systeme GmbH
Version 2502 - HiCAD Blech
Ausgabedatum: 24.02.2021     Sprache: 1031

> Feedback zu diesem Thema

DatenschutzAGBCookiesKontaktImpressum