Thema: HiCAD Blech

2D Blechschnitt aus 3D Schnittansicht

Kantblech > Weitere Funktionen > PullDown-Menü Extra > Aus Schnittansicht

Mit dieser Funktion erzeugen Sie aus einer 3D-Schnittansicht eine bemaßte 2D-Ansicht.

  1. Leiten Sie von Ihrem Blechteil einen 3D-Schnitt, mit der Funktion Schnittansichten (Registerkarte Ansichten, Funktionsgruppe Neu), ab (siehe HiCAD 3D).
  2. Aktivieren Sie dann die Blechfunktion Aus Schnittansicht.
  3. Wählen Sie eine Bezeichnung für die 2D-Ansicht und den Abstand für die Gutseite-Linie aus.
  4. Aktivieren Sie ggf. inkl. Stirnseite, wenn die Gutseite auch an der Stirnseite angezeigt werden soll.
  5. Aktivieren Sie ggf. die Winkelmaße und verlassen Sie das Dialogfenster mit OK.
  6. Identifizieren Sie dann die Gutseite am 3D-Schnitt.

Die 2D-Ansicht wird mit Bemaßung am Cursor dargestellt.

  1. Geben Sie einen Passpunkt in der Konstruktion an.

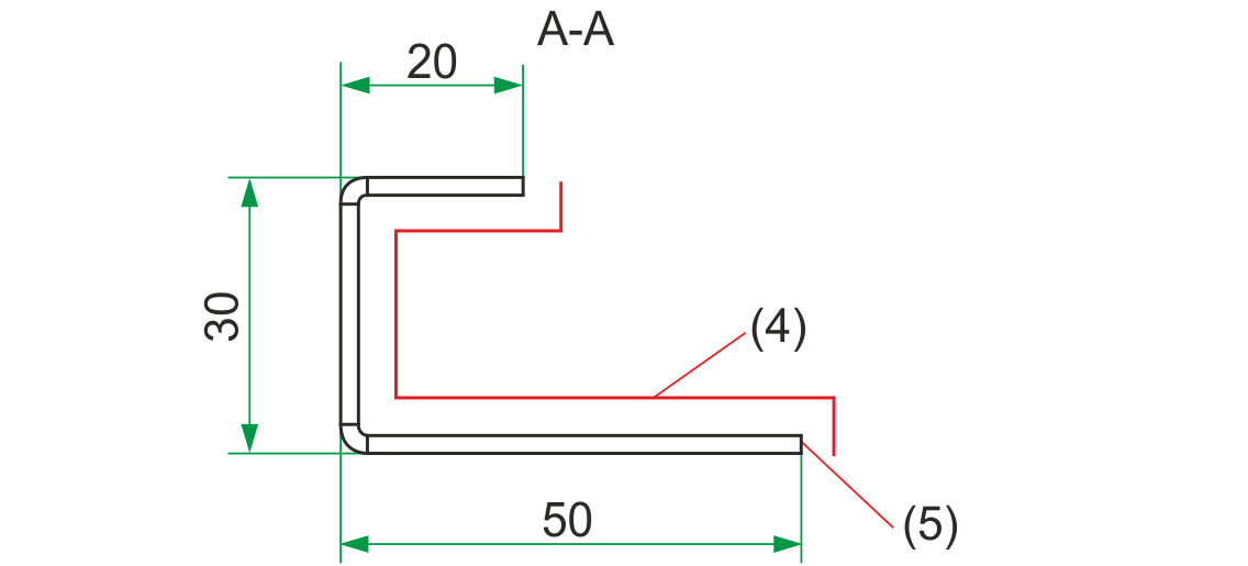
(1) Blechteil
(2) Vorderansicht des Blechteils
(3) Gutseite in der 3D-Schnittansicht

(4) Gutseite inklusive Stirnseite
(5) Bemaßte 2D-Ansicht

Die Parameter für die Darstellung der Beschichtungsseite (Gutseite) stellen Sie im Konfigurationsmanagement unter Kompatibilität > Blechabwicklung bis HiCAD2016 > Erweiterte Einstellungen > Beschichtungsseite des 2D-Blechschnittes ein.

Die Parameter werden nach einem Neustart von HiCAD übernommen.

Weitere Funktionen (3D-Blech)2D Blechschnitt senkrecht zur Kante (3D-Blech)

© Copyright 1994-2020, ISD Software und Systeme GmbH
Version 2502 - HiCAD Blech
Ausgabedatum: 24.02.2021     Sprache: 1031

> Feedback zu diesem Thema

DatenschutzAGBCookiesKontaktImpressum