R+I - Neues in HiCAD 2013


Als Bibl.-Symbol übernehmen

Die Funktion Als Bibl.-Symbol übernehmen übernimmt ein R+I-Symbol aus dem R+I-Schemablatt zur Bearbeitung in den Symboleditor - so, als hätten Sie das Symbol mit Bib.-Symbol laden aus der Symbolbibliothek entnommen, der es ursprünglich entstammt. Im Gegensatz dazu wird hier aber das Symbol in der Gestalt übernommen, die es im R+I-Schema hat, d.h. wenn Sie das Symbol dort grafisch verändert haben, wird es in dieser veränderten Form übernommen.


Symbolwahl über Namen (SP1)

Die Listen zur Auswahl eines Symbols, einer Symbolgruppe, oder einer Bibliothek zeigen zusätzlich zum Namen der Bibliothek nun auch ihre Benennung an, vorausgesetzt, die Bibliothek wurde über die Datenbank verwaltet, als sie in das R+I Projekt eingebunden wurde. In der Spalte Benennung steht dann das Dokumentenattribut der Bibliotheks-Stammdaten.

Beispiel


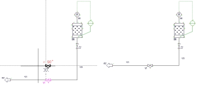
Erweiterte Funktion zum Verschieben von Symbolen (SP2)

Die Funktion Symbol verschieben nur x oder y ist erweitert worden. Hiermit werden nun

automatisch ebenfalls verschoben.

Beispiel 1
Beispiel 2

Soll explizit nur ein einzelnes Symbol verschoben werden, verwenden Sie bitte die Funktion Verschieben, mit Skizzieren oder Verschieben, ohne Skizzieren.


Erweiterte Funktion zum Editieren von mehreren Symbolen (SP2)

Mit den neuen Funktionen unter Mehrere editieren ändern Sie gleichzeitig den Inhalt mehrerer Symboldatenmasken in einem vorher festgelegten Bereich. Zur Auswahl stehen:

Die nach Auswertung des Bedingungs-Dialogs angezeigte Ergebnisliste darf keine Symbole enthalten, die nicht auch in der internen Liste enthalten sind

 

Es ist jetzt möglich, gefundene Dialogtexte von Symbolen teilweise zu ändern.

Die gesuchten Texte können beidseitig mit Stern eingetragen werden.

In der Suchergebnisliste können mehrere Symbole ausgewählt und mit OK bestätigt werden.

Sie können nun Zeichen innerhalb des Suchstrings ändern (nicht aber die Sterne). In diesem Beispiel wurde A5 durch A11 ersetzt.

Wenn Sie die ganze Zeichenkette einschließlich <verschieden> durch eine andere Zeichenkette ersetzen, wird der Text komplett ausgetauscht.


Änderungen bei Einstellungen zur Sichtbarkeit (SP2)

In den R+I-Einstellungen wurden auf der Registerkarte Sichtbarkeit einige Texte geändert. Hierdurch kann man nun erkennen, welche Schichten zum Ein- und Ausblenden bestimmter Objekte ein- bzw. ausgeblendet werden. Das Ausblenden von Schicht 1 wird nun verhindert.


Eigene Symbollinien für Rohrverbindungen bereitstellen (SP2)

In den R+I-Einstellungen auf der Registerkarte Verbindung können für Rohrverbindungen Typen definiert werden, die Symbollinien verwenden.

Zum Lieferumfang gehören Symbollinien nach DIN 2448. Der Inhalt dieser Auswahlliste ist in der Datei makro2d\symblinien2481_list.dat festgelegt.

Es können weitere Dateien mit Auswahllisten erstellt werden, die dann auf vom Anwender definierte Symbollinien verweisen können.


Mehrere R+I-Schemata in verschiedenen HiCAD-Fenstern öffnen

Es ist nun möglich, dass mehrere R+I-Schemata in verschiedenen HiCAD-Fenstern gleichzeitig geladen werden. Parallel dazu kann in einem anderen Fenster eine Symbolbibliothek bearbeitet werden. In ein weiteres Fenster könnte ein Bibliothekssymbol zur Bearbeitung geladen werden.


Funktion "Kopplung aufheben" entfällt

Die Kopplung zwischen Aufstellungsplan und R&I-Schema kann nur noch über die Multifunktionsleiste Anlagenbau bei geladenem Aufstellungsplan aufgehoben werden.


Kopplung mit R&I-Schema jetzt über Datenbank

Bisher wurde die Kopplung zwischen einem Aufstellungsplan und einem R+I-Schema-Projekt hergestellt, indem in der 3D-Konstruktion (SZA) der Name des R+I-Projektes (RPA) und im R+I-Projekt der Name der zum Aufstellungsplan gehörenden Datei gespeichert wird. Eine Änderung der Dateinamen, z.B. bei Änderungskonstruktionen, führt zwangsläufig zur Aufhebung der Kopplung. Die Kopplung muss nach der Namensänderung erneut hergestellt werden.

Ab HiCAD 2013 wird die Kopplung über eine Datenbankverknüpfung der zugehörigen Dokumentstämme hergestellt (siehe Neue Verknüpfung in HiCAD 2013). Dateien, die auf die alte Art der Kopplung verbunden sind, funktionieren in der gewohnten Weise, lassen sich aber auch in Kopplungen der neuen Art umwandeln.

Neue Kopplungen werden ausschließlich über die Datenbankverknüpfung hergestellt!

Die Koppelung des R+I-Schemas mit dem Aufstellungsplan erfolgt über die Multifunktionsleiste Anlagenbau Bereich R+I-Zuordnung (siehe Online-Hilfe Anlagenbau).


Kopplung referenzierter 3D-Baugruppen (SP2)

Ist mit dem R+I-Schema eine referenzierte Baugruppe gekoppelt, wird über diese Funktion die Baugruppe in ein freies Fenster geladen. Dazu wird eine Szene angelegt, in die die referenzierte Baugruppe aus der KRA-Datei geladen wird oder zu dem Fenster gewechselt, in dem die Baugruppe schon geladen ist. Sind mehrere Baugruppen mit dem R+I-Schema gekoppelt, erscheint eine Auswahlliste mit den entsprechenden Dokumentstämmen, über die dann die gewünschte Baugruppe ausgewählt werden kann.


Anzeige im Fenster Konstruktionswechsel (SP2)

Im Fenster Konstruktionswechsel wird bei den R+I-Schemata der Projektname und die Blattnummer angezeigt. Wird das Schema mit HELiOS verwaltet erscheint die Dokumentnummer.


RPA-Datei gesperrt (SP2)

Beim Laden eines R+I-Projektes ohne Zugriff auf die Helios-Datenbank, wird die RPA-Datei im Dateisystem gesperrt.

Es wird temporär eine Lockdatei mit Erweiterung "RPA~Lock" generiert, um den Benutzernamen und die Ladezeit des R+I-Projektes zu vermerken.

Falls ein anderer Benutzer das R+I-Projekt öffnen möchte, erscheint die Meldung:

Zugriff verweigert... Die Konstruktion wird von dem Benutzer: NAME bearbeitet.

 Verwandte Themen

HiCAD R+I SchemataNews 2012 (R+I) 

Version 1802 - HiCAD R+I Schemata | Ausgabedatum: 09/2013 | © Copyright 2013, ISD Software und Systeme GmbH