Trait de coupe

Cotation + Annotation 2D > Texte > Menu déroulant Nouveau > Guide de coupe

Cette fonction permet de créer des traits de coupe conformes à la norme DIN 6. Le nombre de points de flexion est limité à 8.

  1. Exécutez la fonction, puis sélectionnez la façon dont le trait de coupe doit être marqué :

  2. Aucun

Le tracé de coupe ne sera pas marqué.

  1. Sans tracé de coupe

Le point initial et le point final du trait de coupe seront marqués. Indiquez la dénomination de coupe devant apparaître au niveau du point initial (p. ex. A, A1 ou A-A).

  1. Avec tracé de coupe

Le point initial, le point final et l’ensemble des points de flexion seront marqués. Indiquez la dénomination de coupe devant apparaître au niveau du point initial (p. ex. A, A1 ou A-A).

 

Créez le trait de coupe, puis déterminez la direction du regard.

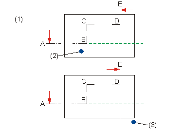
(1) Sans trait de coupe
(2) Point de direction de regard mal positionné
(3) Point de direction de regard positionné correctement

(1) Avec trait de coupe
(2) Point de direction de regard mal positionné
(3) Point de direction de regard positionné correctement

Vous pouvez modifier les paramètres de guide de coupe tels que la couleur, le calque, ou les symboles du point initial et du point final depuis le fichier SCHNITT.DAT (situé dans le dossier SYS d’HiCAD). Notez que seuls les symboles dont le point d’appui présente l’identifiant « ? » et qui ne contiennent pas de textes peuvent être utilisés.

 

Créer un texte ou une annotation (2D)