Indications relatives aux règles et paramètres de cotation
Veuillez prendre note des indications concernant les sujets suivants :
- Points d'attache sur éléments secondaires cachés à la vue
- Éléments attachés de tôle et les tôles/profilés limitrophes aux profilés déterminants
- Séries de cote séparées pour les différents types d'utilisation
- Séries de cote séparées pour les perçages et les découpages
- Cotes séparées selon le type d'utilisation pour la situation d'insertion des éléments secondaires
- Cotation et annotation des perçages/usinages cachés à la vue
- Position / Référence des séries de cote pour les tôles
- Cotation des contours
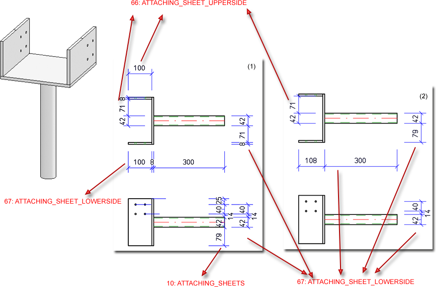
Points d'attache sur éléments secondaires cachés à la vue
Dans le fichier STW_DIMSETTINGS.XML, il est dorénavant possible de déterminer comment, à l'utilisation des règles de cotation, seront traités les points d'attache qui se trouvent sur des éléments secondaires cachés à la vue. Pour cela, ajouter dans le fichier la ligne :
</PARAM><PARAM Name="IGNOREHIDDENSUBPARTANDBORES" Typ="INT" Value="0">.
Si Value indique 1, pour les règles de cotation, les points d'attache qui se trouvent sur les éléments secondaires cachés seront alors en toujours ignorés pour la cotation.
Éléments attachés de tôle et les tôles/profilés limitrophes aux profilés déterminants
Pour coter les éléments attachés de tôle ainsi que les tôles et les profilés qui sont limitrophes aux profilés déterminants, les deux points de contact étaient jusqu'alors toujours cotés. Si seul le premier point de contact doit être coté dans les séries, il est possible de le modifier en donnant, dans le fichier STW_DimSettings.XML (paramètres de cotation conventionnelle) du répertoire sys de HiCAD, au paramètre
</PARAM><PARAM Name="SUBPARTPOSITION" Typ="INT" Value="0">
la valeur 1. Ce paramétrage aura un effet sur toutes les règles de cotation identifiées par * dans la page Règles de cotation en bref.
Exemple - (1) sans avoir modifié le fichier STW_DimSettings.XML, (2) après avoir modifié le fichier STW_DimSettings.XML.
Séries de cote séparées pour les différents types d'utilisation
Pour les séries de cote qui décrivent la situation d'insertion des éléments, il est possible en option de créer des séries de cote séparées par type d'utilisation. Ce mode de fonctionnement peut être modifié en donnant, dans le fichier STW_DimSettings.XML (paramètres de cotation conventionnelle) du répertoire sys de HiCAD, au paramètre SEPERATEDSUBPARTPOSITION la valeur 1 :
</PARAM><PARAM Name="SEPERATEDSUBPARTPOSITION" Typ="INT" Value="1">
L'illustration montre un profilé avec 4 tôles au type d'utilisation différent (1=plaque frontale, 2=tôle de renforcement, (3) raidisseur) et la vue de face du dessin de fabrication.
Si le fichier STW_DimSettings.XML ne comprend pas le paramètre décrit, vous pouvez alors saisir la ligne manuellement tel que décrit ci-dessus.
Séries de cote séparées pour les perçages et les découpages
Dans les Paramètres pour les cotations
, il est dorénavant possible, sous Perçages / Boulonnages, de déterminer que les séries de cote séparées pour les perçages (perçage débouchant et standardisé) et pour les découpages devront être créées séparément. Vous disposez pour cela de la case Séparer les séries de cote pour les perçages et les découpages.
Lors d'une nouvelle installation, ou lorsque le fichier avec les paramètres de cotation STW_DIMSETTINGS.xml n'est pas encore présent, il est possible d'activer/de désactiver l'option dans le fichier stab3par.dat sous
Maßketten für Lage der Bohrungen/Ausnehmungen trennen nach Bohrungen und Ausnehmungen 1:ja, 0:nein (Séparer les séries de cote pour la position des perçages/découpages après perçages et découpages 1:oui, 0:non).
Si le fichier STW_DIMSETTINGS.xml est déjà existant, il faut alors ajouter la ligne :
</PARAM><PARAM Name="DEVIDEBORESANDCUTS" Typ="INT" Value="1">
Le paramètre ne sera pas encore à l'heure actuelle sauvegardé dans les données de dessin d'exécution !
Veuillez noter que ce paramètre produit son effet sur les règles de cotation suivantes :
|
12 |
Usinages de profilé dans l'âme |
PROFBORES_INWEB |
|
15 |
Usinages de profilé dans les ailes supérieure et inférieure |
PROFBORES_INFLANGE |
|
34 |
Perçages dans les tôles, côté droit ou gauche |
SHEETBORES_RIGHTANDLEFT |
|
37 |
Perçages dans les tôles, moitié supérieure ou inférieure |
SHEETBORES_ABOVEANDBELOW |
|
49 |
Contour extérieur à droite et à gauche des tôles (éléments secondaires) dans les vues en coupe |
SHEETBORES_RIGHTANDLEFT_IN_SECT |
|
50 |
Contour extérieur en haut et en bas des tôles (éléments secondaires) dans les vues en coupe |
SHEETBORES_ABOVEANDBELOW_IN_SECT |
|
85 |
Usinages de profilé dans l'âme, incl. usinages dans la vue latérale |
PROFBORES_INWEB_VERT |
|
88 |
Usinages de profilé dans les ailes supérieure et inférieure, incl. usinages dans la vue latérale |
PROFBORES_INFLANGES_VERT |
|
98 |
Perçages de profilé à l'âme des éléments secondaires de profilé déterminants |
PROFBORES_INWEB_RELVPROFS |
|
101 |
Perçages dans les ailes supérieur et inférieur des éléments secondaires de profilé déterminants |
PROFBORES_INFLANGES_RELVPROFS |
Exemple - Séries de cote séparées pour perçages et pour découpages
La scène illustrée (1) comprend plusieurs perçages débouchants et un découpage rectangulaire. (2) Séries de cote séparées, (3) une série de cote pour perçages et découpages
Dans l'exemple, pour l'image (3), voici les paramètres utilisés pour la règle de cotation 12 :
Cotes séparées selon le type d'utilisation pour la situation d'insertion des éléments secondaires
Dans les Paramètres pour les cotations
, il est possible sous Généralités de spécifier que les éléments attachés (profilés) dans les différentes séries de cote dépendant de l'attribut Type d'élément devront être cotés. Vous disposez pour cela dans la fenêtre de dialogue d'une case correspondante. Il est ainsi possible de coter les profilés creux / éléments attachés séparément des aciers ronds / élément attachés et d'améliorer ainsi la structuration des cotes.
Ce paramètre a un effet sur les règles de cotation pour les séries de cote des éléments déterminants.
Lors d'une nouvelle installation, ou lorsque le fichier avec les paramètres de cotation STW_DIMSETTINGS.xml n'est pas encore présent, il est possible d'activer/de désactiver l'option dans le fichier stab3par.dat sous
Separated chain dimensions according to part type for position of sub-parts 1:yes, 0:no - Getrennte Massketten nach Teileart fuer Einbausituation von Nebenteilen 1:ja, 0:nein (Séries de cote séparées selon type d'élément pour la situation d'insertion des éléments secondaires 1:oui, 0:non).
Si le fichier STW_DIMSETTINGS.xml est déjà existant, il faut alors ajouter la ligne :
</PARAM><PARAM Name="SEPERATEDSUBPARTPOSITION_PT" Typ="INT" Value="0">
Cotation et annotation des perçages/usinages cachés à la vue
Les cotations et les annotations des dessins d'exécution peuvent au besoin n'être utilisées également que sur les côtés de vue visibles, c'est-à-dire que les éléments, de même que les perçages/usinages qui sont représentés en Hidden Line en pointillé, ne seront pas cotés/annotés dans la vue correspondante.
Pour empêcher la cotation des éléments et les usinages cachés à la vue, une condition doit être au préalable remplie :
- Dans les Paramètres pour les cotations, la cotation des éléments et les usinages cachés doit être désactivée.
Cela concerne, dans le fichier STW_DIMSETTINGS.XML, la ligne </PARAM><PARAM Name="IGNOREHIDDENSUBPARTANDBORES" Typ="INT" Value="0"> ou bien, dans le fichier STAB3DPAR.DAT (nouveaux clients), l'entrée Fußpunkte auf nicht sichtbaren Teilen und verdeckte Bohrungen ignorieren? 1:ja, 0:nein (Ignorer le point d'attache des éléments non visibles et des perçages cachés ? 1:oui, 0:non).
- Les éléments/usinages doivent être complètement cachés. S'ils sont en partie visibles, ils seront alors cotés !
Les paramètres pour la cotation ne s'appliquent qu'à la cotation via les règles de cotation.
Pour empêcher l'annotation des perçages/usinages cachés à la vue, les conditions suivantes doivent être au préalable remplies :
- Dans les Paramètres pour les cotations, la case du type de ligne pour les bulles de désignation situées à l'arrière doit être désactivée.
- Le type de représentation de la vue doit être Hidden Line ou Hidden Line en pointillé.
- Le perçage/usinage doit être complètement caché. S'il est en partie visible, il prendra alors une annotation !
(1) Profilé d'origine, (2) Dessin d'exécution avec cotation + annotation du perçage caché, (3) avec empêchement de la cotation + annotation du perçage caché.
Position / Référence des séries de cote pour les tôles
Via les paramètres pour les règles de cotation, soit dans le Gestionnaire de Configuration, soit dans l'Éditeur des règles de cotation, il est également possible pour les éléments attachés de sélectionner comme référence uniquement l'arête supérieure ou l'arête inférieure ou également l'axe du profilé. Il faut cependant prendre en considération que dessus et dessous se réfère alors au système de coordonnées de la tôle et non à celui du profilé.
Cotation de contour
Pour la cotation automatique des contours, la sélection des points d'attache a été modifiée. Cette modification s'applique aux tôles pliées (projections développées incluses), les tôles de la Charpente métallique et les vitres.
Jusqu'à maintenant, pour la cotation des contours, ce sont les points finaux des arêtes individuelles qui étaient cotés. Cela n'est pourtant pas, dans la pratique, ce qui est voulu. À partir du SP2, les points d'attache suivants seront donc pris en compte pour les cotations de contour :
Contours extérieurs
- Les lignes perpendiculaires à la ligne de cote.
- Les points à l'extrémité des contours extérieurs situés dans la direction de la cote (y compris les points situés sur un arc ou une ligne de forme libre).
- Tous les points avec une flexion.
En sont exclus les arrondis inversés dont le centre se trouve sur les deux lignes adjacentes. - Les points d'intersection théoriques des arrondis dans le contour extérieur.
Pour chaque arc qui est bilatéralement adjacent à une ligne droite tangentielle, l'intersection théorique des deux lignes est cotée si l'angle des deux lignes est supérieur à 50 degrés (c'est-à-dire pas pour les angles très aigus). Lors du fusionnement avec d'autres cotes, les points d'intersection théoriques sont supprimés en premier, ce qui affecte la longueur des lignes d'attache des cotes.
Perçages/Découpages
- Les centres des cercles complets, des perçages et des trous oblongs.
En fonction des paramètres sous Scène > Repérer/Détailler > Cotat. > Paramètres pour les cotations :
- Les lignes, points et points d'intersection théoriques comme pour les contours extérieurs.
Cette modification concerne les règles de cotation pour les contours extérieurs et les perçages/découpages des tôles pliées (projections développées incluses), les tôles de la Charpente métallique et les vitres.
Cotation de contour extérieur avant HiCAD 2020 SP2
Cotation de contour extérieur
Dessin d'exécution et de détail • Paramètres pour dessins d'exécution • Dessin d'exécution : fenêtre de dialogue
