Schnittführung
![]()
Mit dieser Funktion erzeugen Sie Schnittführungen nach DIN 6. Die Anzahl der Knickpunkte ist dabei auf maximal 8 beschränkt.
- Nach dem Aufruf dieser Funktion wählen Sie zunächst, wie der Schnittverlauf gekennzeichnet werden soll:
- Keine
Der Schnittverlauf wird nicht gekennzeichnet.
- Ohne Schnittverlauf
Der Anfangs- und der Endpunkt der Schnittführung werden gekennzeichnet. Bestimmen Sie dazu die Schnittbezeichnung am Anfangspunkt, z. B. A, A1 oder A-A.
- Mit Schnittverlauf
Der Anfangs- und der Endpunkt sowie alle Knickpunkte werden gekennzeichnet. Bestimmen Sie dazu die Schnittbezeichnung am Anfangspunkt, z. B. A, A1 oder A-A.
- Konstruieren Sie die Schnittführung, und bestimmen Sie die Blickrichtung.
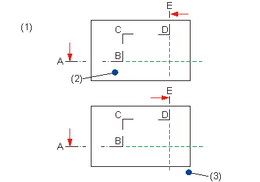
(1) ohne Schnittverlauf
(2) falsch gesetzter Blickrichtungspunkt
(3) richtig gesetzter Blickrichtungspunkt
(1) mit Schnittverlauf
(2) falsch gesetzter Blickrichtungspunkt
(3) richtig gesetzter Blickrichtungspunkt
Die Parameter für Schnittführungen, z. B. Farbe, Schicht oder Symbole am Anfangs- und Endpunkt, können Sie in der Datei SCHNITT.DAT (sys-Verzeichnis) ändern. Beachten Sie bitte, dass Sie nur solche Symbole verwenden können, deren Passpunkt die Kennung "?" haben und die keine Symboltexte enthalten.
(fehlender oder ungültiger Codeausschnitt)(fehlender oder ungültiger Codeausschnitt)