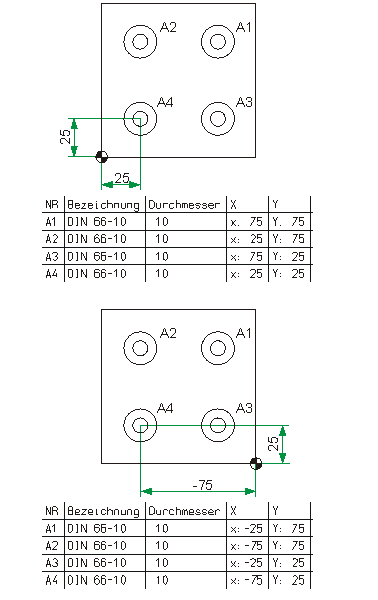
Définition d’un point de référence
Modification d’un point de référence
Projet : HiCAD 2D
|
© Copyright 1994-2022, ISD Software und Systeme GmbH |
Protection de la vie privée • Conditions générales de ventre • Cookies • Contact • Mentions légales