Exemple d’une variante de design avec esquisse
- Créez une nouvelle scène, ajoutez-y un plan d'usinage, puis tracez une esquisse. Paramétrez l’esquisse à l’aide de la polyligne HCM.
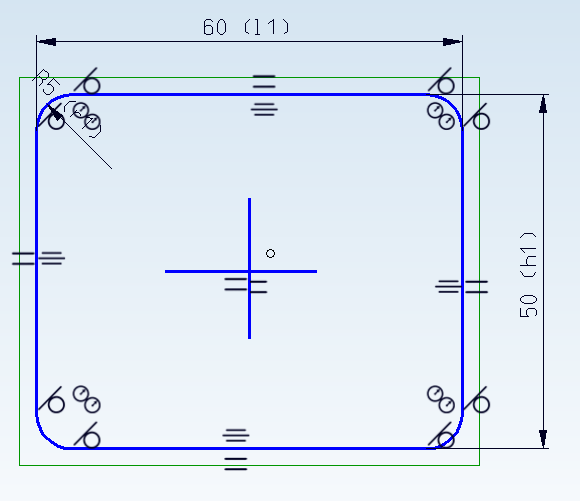
Exemple d’esquisse paramétrée
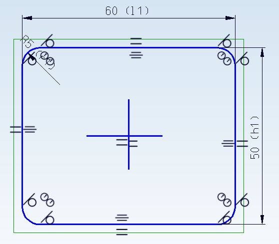
- Attribuez un point isolé à l’esquisse. Celui-ci est ensuite paramétré.
Exemple : Esquisse paramétrée avec point d’appui
-
Créez un parallélépipède, puis à l’aide de l’esquisse, ajoutez-y un découpage.
-
Créez un nouveau plan d'usinage au niveau de la surface de base du découpage, puis ajoutez-y une grille perforée.
-
Créez un nouvel élément vide et attribuez-y le parallélépipède comme élément secondaire. Identifiez-le ensuite comme corps de base de la variante de design.
-
Entrez les variables dans la table des variables de l’élément vide.
-
Attribuez les variables.
-
Dans l’historique du Feature du parallélépipède placé sous le découpage, faites un clic-droit sur le plan d’usinage, puis sélectionnez la fonction Éditer une formule.
-
Dans la fenêtre de saisie, entrez active_coor().
-
À l’aide de la fonction Formule pour l’élément usiné, ajoutez l’entrée active_part() au parallélépipède.
-
Activez l’élément vide pour enregistrer la variante de design.
-
