Mode d'insertion

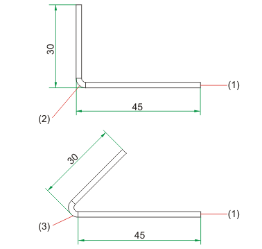
(1) Tôle de référence
(2) Attachement avec raccourcissement de la tôle de référence
(3) Attachement sans raccourcissement de la tôle de référence

(1) Arête de jonction
(2) Surface de référence
(3) Point de référence
(4) Attachement avec distance par rapport à la tôle de référence