Projet : Charpente métallique

Jonction de panne (1204) - 1 poutre/1 panne

Fenêtre d'ancrage Fonctions bâtiment > Charpente métallique > Général > Jonction de panne (1204)

À l'aide de cette variante de design, vous raccordez une poutre et une panne avec une tôle (pliée 1 fois ou 2 fois) ou avec un profilé en L qui sera vissé à la panne et qui sera vissé ou soudé à la poutre. La connexion peut être unilatérale ou bilatérale. La panne peut être ici n'importe quel élément 3D.

(1) Original
(2) Jonction de panne bilatérale, avec profilé en L et plaque de jonction, avec poutre et panne vissées
(3) Jonction de panne bilatérale, avec tôle pliée 2 fois et plaque de jonction, avec poutre et panne vissées
(4) Jonction de panne bilatérale, avec tôle pliée 2 fois, avec poutre vissée et sans plaque de jonction

 

  1. Identifiez l'élément à joindre (la panne).
  2. Identifiez le profilé (la poutre).
  3. La fenêtre de dialogue Jonction de panne (1204) s'ouvre alors.

 

Les paramètres de la fenêtre de dialogue peuvent être enregistrés comme favori afin de pouvoir les réutiliser à tout moment. Pour cela, cliquez sur le symbole en bas à gauche de la fenêtre pour activer le menu contextuel. Pour en savoir plus sur la gestion des favoris, rendez-vous dans les Bases de HiCAD sous Favoris.


Configurer la jonction de panne

La configuration de la jonction de la panne s'effectue à l'aide des onglets de la fenêtre de dialogue.

 

Géométrie

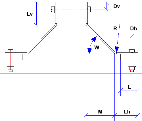
Vous spécifiez dans cet onglet les dimensions de la jonction de panne.

Les champs de saisie visibles dans l'onglet dépendent du sabot de panne sélectionné.

 

Fixation

Vous spécifiez ici comment la tôle pliée/le profilé en L sera fixé à l'élément de jonction et à la poutre.

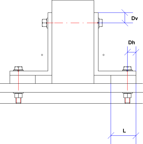
La fixation sur l'élément de jonction se fait par boulonnages. La sélection des vis et des perçages peut être effectuée par un clic sur le symbole directement dans le catalogue des pièces standardisées. Vous sélectionnez dans les champs en-dessous le nombre total de vis (max. 2) ainsi que la distance des vis entre elles. Il est également possible d'indiquer un décalage. Si la direction des boulonnages doit être inversée, cochez alors la case Inverser.

1 Décalage au niveau de l'élément de jonction, 2 Décalage au niveau de la poutre

 

La tôle pliée/le profilé en L peut être au choix vissé ou soudé à la poutre.

 

Sabot de panne

Vous déterminez ici le type de fixation.

Vous disposez pour le sabot de panne des possibilités suivantes :

La fixation peut se faire sur la gauche, sur la droite ou de façon bilatérale.

Saisissez la largeur de la tôle pliée/du profilé en L et sélectionnez la tôle pliée/le profilé en L de votre choix directement dans le catalogue des pièces standardisées en cliquant sur . Les tôles sont stockées dans le catalogue NORMES D'USINE sous TÔLES PLIÉES.

Il est également possible d'insérer une platine de calage. Pour cela, cochez la case Créer et sélectionnez la tôle de votre choix.

 

Par un clic sur le bouton Prévisualisation, vous pouvez avoir un aperçu de la jonction de panne basée sur les données saisies actuelles. Si vous souhaitez corriger les données, procédez aux modifications nécessaires et cliquez à nouveau sur Prévisualisation pour actualiser l'aperçu. Par OK, la jonction de panne est insérée à partir des données actuelles et la fenêtre de dialogue est fermée. Si vous quittez la fenêtre de dialogue par Annuler, la fonction est abandonnée sans insérer ou modifier la jonction.

Jonctions + Variantes (CM 3D)Fenêtre de dialogue des jonctions (CM 3D)Système de catalogue pour Jonctions + Variantes (CM 3D)

© Copyright 1994-2021, ISD Software und Systeme GmbH
Version 2601 - Charpente métallique
Publié le : 26/09/2021     Langue: 1031

> Commentaires sur ce thème

Protection de la vie privéeConditions générales de ventreCookiesContactMentions légales