Projet : Charpente métallique

À l'aide de cette fonction, vous insérez des platines pré-percées de tôle ou d'acier plat. En plus des perçages normés, les trous oblongs ainsi que les perçages libres sont possibles.
Après un double-clic sur la fonction, la fenêtre de dialogue des platines libres s'ouvre.
Les paramètres de la fenêtre de dialogue peuvent être enregistrés comme favori afin de pouvoir les réutiliser à tout moment. Pour cela, cliquez sur le symbole
en bas à gauche de la fenêtre pour activer le menu contextuel. Pour en savoir plus sur la gestion des favoris, rendez-vous dans les Bases de HiCAD sous Favoris.
À savoir :
Semi-produit
La platine peut être composée aussi bien de tôle que d'acier plat. Par un clic sur le symbole
, vous pouvez sélectionner le type de platine et le matériau directement depuis les catalogues de pièces standardisées correspondants.
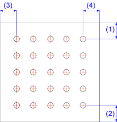
Géométrie
Vous spécifiez ici la taille de la platine. Vous disposez alors de différents procédés que vous sélectionnez dans la liste de choix Définition.
(1) Dessus, (2) Dessous, (3) À gauche, (4) À droite
Type de perçage
Les possibilités suivantes sont à votre disposition :
, puis sélectionnez le perçage normé de votre choix directement dans le catalogue des pièces standardisées.
Trou oblong (à gauche) et Trou rectangulaire (à droite)
Grille X/Y
La grille de perçage détermine la disposition du gabarit de la platine.
Insérer comme élément attaché
Si à l'activation de la fonction, l'élément actif est déjà subordonné à un ensemble, la platine sera alors insérée comme élément secondaire. Sinon la platine sera insérée comme nouvel élément principal.
Si la case Insérer comme élément attaché est cochée, il sera alors procédé comme suit :
Par un clic sur le bouton Prévisualisation, vous pouvez avoir un aperçu de la platine basée sur les données saisies actuelles. Si vous souhaitez corriger les données, procédez aux modifications nécessaires et cliquez à nouveau sur Prévisualisation pour actualiser l'aperçu. Par OK, la platine est insérée à partir des données actuelles et la fenêtre de dialogue est fermée. Si vous quittez la fenêtre de dialogue par Annuler, la fonction est abandonnée sans insérer ou modifier la platine.
Pour procéder à l'insertion de la platine, HiCAD en montre au préalable un aperçu graphique. Déterminez un point d'appui sur l'aperçu, puis la position de ce point sur la scène en cours.
Jonctions + Variantes (CM 3D) • Fenêtre de dialogue des jonctions (CM 3D) • Système de catalogue pour Jonctions + Variantes (CM 3D)
|
© Copyright 1994-2021, ISD Software und Systeme GmbH |
Protection de la vie privée • Conditions générales de ventre • Cookies • Contact • Mentions légales