Projet : HiCAD Tôle

Coupe de tôle 2D depuis une vue en coupe 3D

Tôle pliée > Autres fonctions > Menu déroulant : Extra > Depuis vue en coupe

Cette fonction permet de créer une vue 2D cotée à partir d'une vue en coupe 3D.

  1. Dérivez de votre élément de tôle une coupe 3D à l'aide de la fonction Coupe (Onglet Vues, Rubrique Nouveau)(cf. HiCAD 3D).
  2. Lancez la fonction dans Tôle pliée Depuis vue en coupe.
  3. Sélectionnez une désignation pour la coupe 2D et la distance pour ligne du côté traité (revêtu).
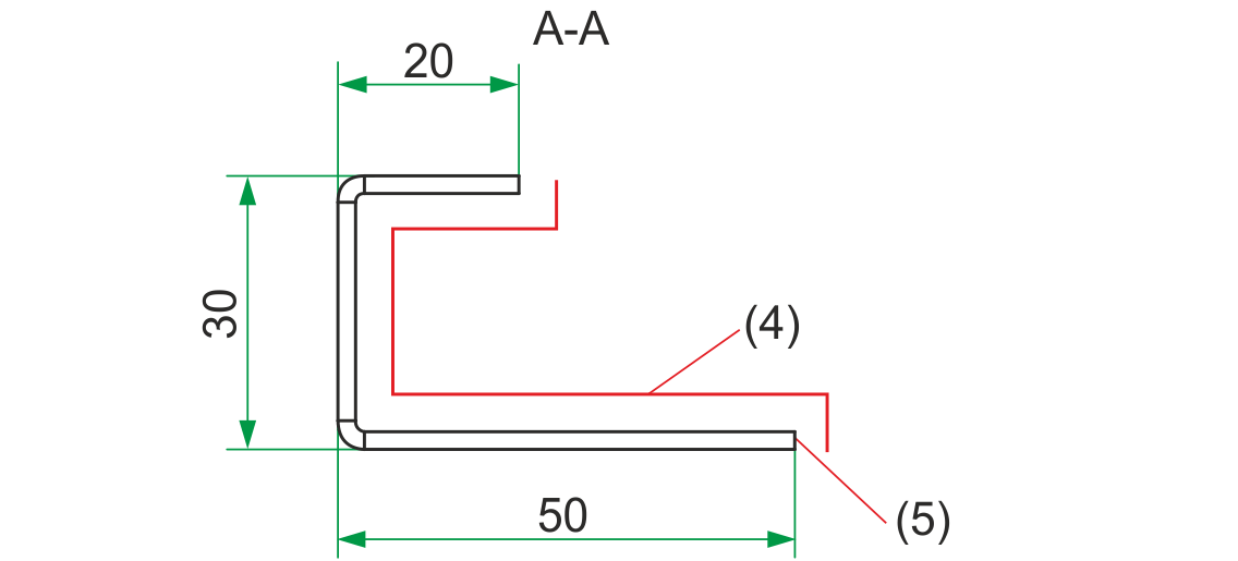
  4. Cochez si besoin Incl. Chant, si le côté traité doit également être affiché sur le chant.
  5. Cochez si besoin Cotes angulaires et quittez la fenêtre de dialogue par OK.
  6. Identifiez ensuite le côté traité sur la coupe 3D.

La vue 2D avec sa cotation est représentée sur votre curseur.

  1. Indiquez un point d'appui sur la scène.

(1) Élément de tôle
(2) Vue de face de l'élément de tôle
(3) Côté traité dans la vue de coupe 3D

(4) Côté traité incluant le chant
(5) Vue 2D cotée

Les paramètres pour la représentation du côté revêtu (côté traité) sont définis dans le Gestionnaire de Configuration sous Compatibilité > Développement de tôle jusqu'à HiCAD 2016 > Paramètres avancés > Côté revêtu de la coupe de tôle 2D.

Les paramètres seront pris en compte après un redémarrage de HiCAD.

Autres fonctions (Tôle 3D)Coupe de tôle 2D perpendiculaire à l'arête (Tôle 3D)

© Copyright 1994-2021, ISD Software und Systeme GmbH
Version 2601 - HiCAD Tôle
Publié le : 26/09/2021     Langue: 1036

> Commentaires sur ce thème

Protection de la vie privéeConditions générales de ventreCookiesContactMentions légales