Règles de cotation en bref

Les règles de cotation peuvent être réparties en plusieurs groupes :

Dans l'Éditeur de règles de cotation, les règles pourront être filtrées selon ces groupes.

 

Veuillez également prendre connaissance dans la rubrique Indications relatives aux règles et paramètres de cotation.


Cotes du système

Valeur

Explication

Intitulé / Rule Identifier


Dimensions des ensembles

Valeur

Explication

Intitulé / Rule Identifier


Dimensions des profilés

Valeur

Explication

Intitulé / Rule Identifier

147

148


Position des éléments secondaires de profilés

Valeur

Explication

Institulé / Rule Identifier

Dessus et Dessous se réfère au système de coordonnées d'une tôle et non du profilé.

ATTACHING_PARTS_VERT_BEFORE_AXIS

ATTACHING_PARTS_VERT_BEHIND_AXIS

ATTACHING_PARTS_VERT_ABOVE_AXIS

ATTACHING_PARTS_VERT_BELOW_AXIS

* Cf. les Indications relatives aux règles de cotation


Usinage des profilés

Valeur

Explication

Intutilé / Rule Identifier

Perçages des profilés, décalage de système parallèle à l’axe du profilé

PROFBORES_BEFORE_AXIS

Les règles 142 - 145 créent des séries de cote séparées selon la position de l'usinage par rapport à l'axe du profilé. Si les cotations perpendiculaires doivent être étendues vers la gauche ou vers la droite selon la position de l'usinage par rapport au milieu du profilé, sélectionnez alors Position : Automatique.

PROFBORES_BEHIND_AXIS

PROFBORES_ABOVE_AXIS

PROFBORES_BELOW_AXIS

Perçages dans l'aile supérieure, séparés selon la position par rapport à l'axe du profilé

Perçages dans l'aile inférieure, séparés selon la position par rapport à l'axe du profilé

Perçages dans l'âme, séparés selon la position par rapport à l'axe du profilé

Les règles 151, 152 et 153 ne s'appliquent qu'aux cotations parallèles à l'axe du profilé, car il existe d'autres mécanismes de séparation pour les cotations perpendiculaires à l'axe du profilé. Seuls les perçages situés dans le plan de vue seront pris en compte.

Si comme position de la série de cote choisie est Automatique, les séries de cote seront étirées , selon la position des perçages vers le haut ou vers le bas.


Dimensions des tôles

Valeur

Explication

Intitulé / Rule Identifier


Usinages des tôles

Valeur

Explication

Intitulé / Rule Identifier

Contour extérieur en haut et en bas des tôles (éléments secondaires) dans les vues en coupe


Diamètres du perçage dans les profilés ou les tôles

Valeur

Explication

Intitulé / Rule Identifier

Diamètre des perçages de pièce standardisée dans les tôles (éléments secondaires) dans les vues en coupe

Diamètre des boulonnages dans les tôles (éléments secondaires) dans les vues en coupe


Position des éléments secondaires d'un ensemble entre eux

Valeur

Explication

Intitulé / Rule Identifier

105

ATTACHING_SHEETS_SEPERATELY_RELVPROFS

106

ATTACHING_SHEET_UPPERSIDE_RELVPROFS

107

ATTACHING_SHEET_LOWERSIDE_RELVPROFS

108

Surface de l’âme des éléments attachés de tôle, sur les éléments secondaires de profilé déterminants, devant l’âme, via perçages ou contour externe

ATTACHING_SHEET_BEFORE_WEB_RELVPROFS

109

Surface de l’âme des éléments attachés de tôle, sur les éléments secondaires de profilé déterminants, derrière l’âme, via perçages ou contour externe

ATTACHING_SHEET_BEHIND_WEB_RELVPROFS

* Cf. les Indications relatives aux règles de cotation


Usinage des éléments secondaires d'un ensemble

Valeur

Explication

Intitulé / Rule Identifier


Tôles pliées

Valeur

Explication

Intitulé / Rule Identifier

SHEETMETAL_LENGTH
SHEETMETAL_WIDTH

Hauteur de tôle pliée

SHEETMETAL_HEIGHT

Cotes angulaires paramétriques des tôles pliées

Cotes circulaires paramétriques des tôles pliées

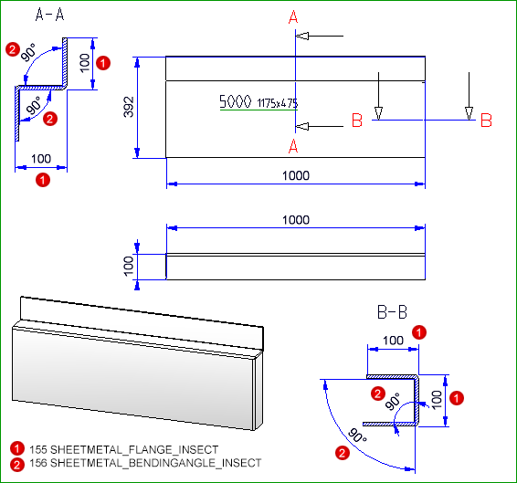
SHEETMETAL_FLANGE_INSECT

 

Nota bene :

Pour coter la longueur du rabat d'une tôle pliée dans la vue en coupe, le point d'attache suivant est coté :

  • à un angle entre les rabats > 90° de l'intersection théorique des arêtes du rabat et
  • à un angle entre les rabats > ou égal à 90° du point de tangence à l'arête de la zone de pliage.

L'illustration suivante montre un exemple. Le rabat (1) a un angle de 45° par rapport au prochain rabat, le rabat (2) a un angle de 95° par rapport au prochain rabat. Dans la vue en coupe, c'est pour le rabat (1) le point tangentiel et pour le rabat (2) le point d'intersection théorique qui sera coté comme point d'attache.

SHEETMETAL_BENDINGANGLE_INSECT

SHEETMETALBORES

SHEETMETALBORES_VERT

159

SHEETMETALOUTLINE

160

SHEETMETALBORES_SEPERATED

161

SHEETMETALBORES_VERT_SEPERATED

SHEETMETALOUTLINE_SEPERATED

 

Concernant les règles 157 à 162 :

La tôle pliée sera considérée avec ses rabats et ses zones de pliage comme un élément principal. Veuillez vous assurer d'utiliser un système de coordonnées logique pour les éléments lorsque vous utilisez les fonctions sous Orientation des dessins dérivés dans le menu contextuel pour les éléments 3D.

 

L'illustration suivante montre une tôle pliée avec différents perçages. Pour l'orientation des dessins dérivés , la vue de dessus a été définie comme indiqué sur la surface du rabat (1). (2) montre la vue de face du dessin dérivé, (3) la vue de dessus. Comme modèle, c'est la configuration DEFAULT(KANTBLECHE) qui a été utilisée - complétée des règles 157, 158 et 161.

 


Garde-corps d'escalier

 

Valeur

Explication

Intitulé / Rule Identifier

Longueur totale de l’ensemble Segment du garde-corps sans plaques de base

Dimension totale de l’ensemble Segment du garde-corps

Si l'écart intérieur entre les poteaux est coté comme cote individuelle, l'épaisseur du poteau ne sera alors pas prise en compte. La cotation se fait dans tous les champs du segment du garde-corps. Si les cotes de cette règle sont identiques dans tous les champs, seule la cote du premier champ sera alors représentée.

Pour le type de cote Série de cote, l'épaisseur du poteau sera prise en compte. Si les séries de cote de tous les champs sont identiques, seule la série cote du premier champ sera alors représentée.

 

L'écart des axes de deux poteaux sera coté et ce dans tous le champs du segment du garde-corps. Si les cotes de cette règle sont identiques dans tous les champs, seule la cote du premier champ sera alors représentée.

Si l'écart entre deux balustres est coté comme cote individuelle, l'épaisseur des balustres ne sera alors pas prises en compte. La cotation se fait dans tous les champs du segment du garde-corps. Si toutes les cotes de cette règle sont identiques, seul la première cote du premier champ sera alors représentée.

Pour le type de cote Cote en série, l'épaisseur de la balustre sera également prise en compte. SSi les séries de cote de tous les champs sont identiques, seule la série cote du premier champ sera alors représentée.

Cette règle cote l'écart des axes entres les poteaux et les balustres comme série de cote. La cotation se fait dans tous les champs du segment du garde-corps. Si les séries de cote de tous les champs sont identiques, la série de cote ne sera créée que pour le premier champ.

 


Dimensions des développements de tôle

Valeur

Explication

Intitulé / Rule Identifier

Agrafes d'un développement de tôle à gauche
Agrafes d'un développement de tôle à droite et à gauche
Agrafes d'un développement de tôle en haut
Agrafes d'un développement de tôle en bas
Agrafes d'un développement de tôle en haut et en bas

 

Nota bene :

  • Il n'est pas possible d'attribuer un type d'utilisation au développement de tôle, le type d'utilisation se réfère donc toujours à l'élément principal de la tôle.
  • Les règles de cotation pour le développement ne sont recherchées et appliquées dans les règles de cotation du type d'utilisation prévu (par ex. DEFAULT(KANTBLECHE)) que si la cotation correspondante est activée dans les paramètres de développement de la tôle de la dérivation du dessin. Si aucune règle de cotation correspondante n'est trouvée, HiCAD construit automatiquement une règle.
  • La vue dans laquelle les règles de cotation pour le développement de tôles sont saisies dans l'Éditeur de règles n'a pas d'importance. Il n'y a pas de vue Développement dans l'Éditeur de règles. Il est cependant judicieux de créer toutes les règles de cotation pour le développement sous la vue de face par exemple.

Dessin d'exécution et de détailParamètres pour dessins d'exécutionDessin d'exécution : fenêtre de dialogue