Project: HiCAD 2-D

Set Reference Point (2-D)

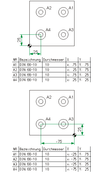
Change reference point

© Copyright 1994-2021, ISD Software und Systeme GmbH
Version 2601 - HiCAD 2-D
Date: 26/09/2021     Language: 1033

> Feedback on this topic

Data protectionTerms and ConditionsCookiesContactLegal notes and Disclaimer