Free Plate (1103)

"Civil Engineering functions" docking window > Steel Engineering > Connections > Individual beam/profile > Free plate (1103)

Use this function to insert plates of flat steel or sheet metal with pre-drilled holes. Besides standard bores, slots and free bores can be used if desired.

When you call the function, the dialogue window for free plates will be displayed.

 

The settings in the dialogue window can be saved as Favourites and reused at any time. To do this, click on the at the bottom left of the window to activate the context menu. More about Favourites management can be found in the Manage Favourites topics of the HiCAD Basics Help.

 

Please note:

If the part that is active when you call the function is already a sub-part to an assembly, the plate will be inserted as a sub-part to this assembly. Otherwise, the plate will be inserted as a main part in the drawing.

If the Insert as attached part checkbox is active, HiCAD will proceed as follows with regard to the part structure:


Configure free plate

 

Semi-finished product

The plate can either consist of flat steel or of sheet metal. Click the icon to select plate type and material directly from the corresponding Standard part catalogues.

 

Geometry

Here you can determine the plate size. In the Definition listbox you can choose between the following procedures:

The following options are available:



Slot (left) and Rectangular slot (right)

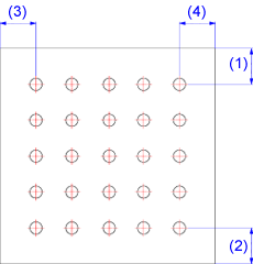
The bore grid determines the arrangement of the bores on the plate.

 

Insert as attached part

If the part that is active when you call the function is already a sub-part to an assembly, the plate will be inserted as a sub-part to this assembly. Otherwise, the plate will be inserted as a main part in the drawing.

If the Insert as attached part checkbox is active, HiCAD will proceed as follows with regard to the part structure:

 

Click the Preview button if you want to display a preview of the connection based on the currently entered data. If you want to modify the current data, apply the required changes and click Preview again to update the preview. Click OK to insert the connection according to the current data and close the dialogue window. If you click the Cancel button, the window will be closed, and the specified or changed connection will not be inserted.

HiCAD displays a graphical preview for the insertion of the plate. Specify a fitting point in the graphic, then specify the position of this point in the current drawing.

Connections + Variants (3-D SE)The Dialogue Window for Connections (3-D SE)The Catalogue System for Connections + Variants (3-D SE)