Project: HiCAD Feature Technology

Example of a Design Variant with Sketch

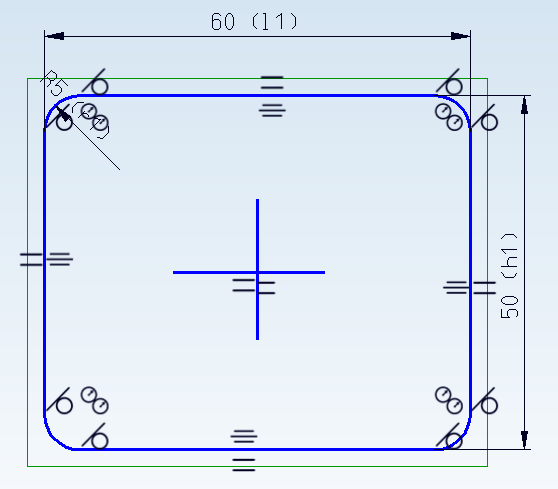
Example: Parameterized sketch

 

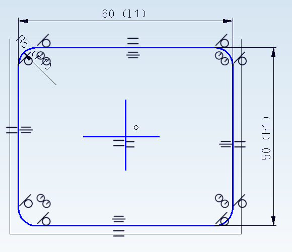
Example: Parameterized sketch with fitting point

Design Variants

© Copyright 1994-2021, ISD Software und Systeme GmbH
Version 2601 - HiCAD Feature Technology
Date: 20/10/2021     Language: 1033

> Feedback on this topic

Data protectionTerms and ConditionsCookiesContactLegal notes and Disclaimer