Project: HiCAD Steel Engineering

Customer-specific Railing Variants

Railing components such as:

can also be saved as customer-specific variants. The variants will then be available in the Railing Configurator and allow an individual customization of railings.

The creation of such variants requires the following steps:

 

The topics:


Creating the geometry

You can use all available HiCAD functions for geometry creation (depending on the installed product).

Depending on the component, the geometry consists of one or several parts. If there are several parts, e.g. an infill consisting of a Sheet Metal part with holders, the parts must be combined into one assembly. The subsequently described variables and the named points for the Fitting CS must be assigned to this assembly. Furthermore, the external references must be activated in the feature configuration of the assembly.

This is required because the parts of a railing component often refer to each other and to the other components, as in our later example of the planar infills. There, the infill consists of a sheet with holders, with the width of the sheet being dependent on width of the holder, i.e. there is an external reference between sheet and holder. The insertion of the railing component takes place in various constellations. The utilization of the external references ensures that the component will always be inserted at the correct position.

  • Posts must always be created from bottom to top, to ensure that processings can always be suitably applied at End 1 for the bottom, and End 2 for the top.
  • If the post consists of several parts, these parts must be combined into an assembly. in this post assembly, one part must be made the assembly main part.
  • In post assemblies you should not use elements or absolute coordinates for the placing of parts. Instead, define the Fitting CS via the Part CS of one of the parts here.


An extensive example of how to create the geometry of a railing component can be found here.


ISD variables and named points

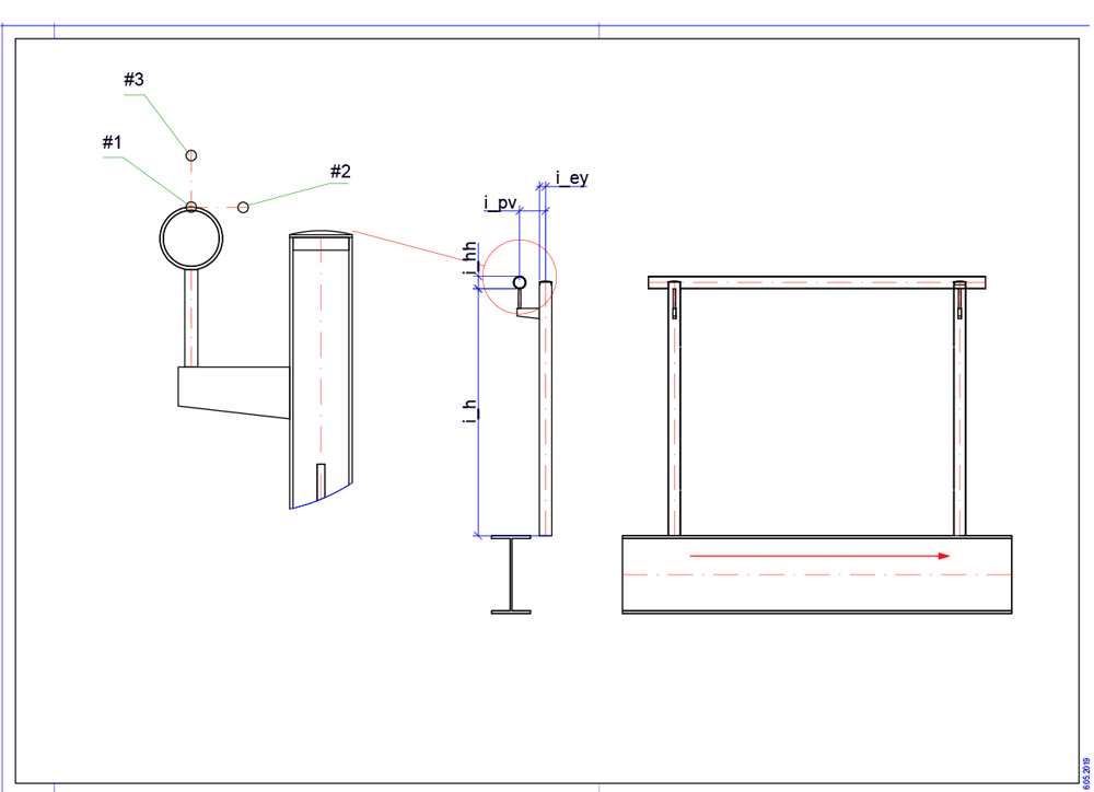
The Fitting CS

Every variants requires a Fitting CS consisting of 3 special points:

If a 3-D part to which a Fitting CS has been assigned is loaded into a new model drawing, the points of the Fitting CS will be placed into the World CS, determining the fitting direction in space in this way.

You have 2 options to define the Fitting CS:

  1. Choose Drawing > Others > World CS > Define Fitting CS. Here, the points will be automatically obtain the names #1, #2 and #3.
  1. Specify 3 isolated points and call them as shown in the table below:

Point 1

Point 2

Point 3

As soon as the isolated points have been given these names they will be invisible in the model drawing.

 

Variables

To ensure that your variants will always be inserted correctly, specific ISD variables must be used in the formulae of the variants (depending on the respective component type). The names of these variables always begin with i_. The values of these variables are given to the customer-specific variant via the input fields of the Railing Configurator, as soon as the variant has been selected there. For instance, for a planar infill the area for the infill will be determined by the distance between 2 posts and the distance between floor and handrail. This means that these values are mandatory for the calculation of width and height of the infill. The Railing Configurator provides the values in the variables i_l (width) and i_h (height).

Beside these variable you can assign further, free variables. In contrast to the ISD variables, whose content is provided by the Railing Configurator, the content of the free variables is transferred to the Railing Configurator via the customer-specific variant. Please note that the names of these variables must not begin with i_, since these variables will otherwise not be shown in the dialogue window of the Editor for railing variants and of the Railing Configurator!

Which ISD variables (i_...) are available for which component, how to set the points for the Fitting CS, and which other variable are required can be taken from the images below:

Download as PDF

  • When inserting posts, the 1/2 post thickness in X- and Y-direction represents no input value of the Railing Configurator (i_ex..., i_ey...), but the values need to be created by the post variant. Therefore, you must not use the variables i_ex and i_ey in the variant! Instead, you must use ex and ey. These values will then be provided to the Railing Configurator, in the variables i_ex and i_ey of the infill.

Download as PDF

Download as PDF

Download as PDF

Download as PDF

Download as PDF

 

Besides the variable i_s, i_s1 and i_s2, the rise is also available in the form of values for angles, namely, in the variables i_sa, i_sa1 and i_sa2.

 

Using catalogue and table entries in one variant

Catalogue and Table ID

Table entries from the HiCAD catalogues, too, can be defines as variables. To do this, you need variables of the type List. For instance, if your railing component consists a semi-finished product of the type Plate, and you want to select this plate not as an invariable, fixed plate, but in a flexible manner via the catalogue when choosing the component in the Railing Configurator, you will need a variable of the type List.

To create such a variant, choose Ad new variable in the Variables dialogue window, enter the name of the variable, e.g. pl and choose List as variable type. In addition, you can enter a Comment here, e.g. Catalogue entry. When you confirm with OK, the variable will be inserted.

Right-click on the row with the new variable and choose Add new variable. You do not need to specify a name here, as it will be determined automatically. Choose Type: Number, and the Table ID as the start value, e.g. 127 for the table Semi-finished products > Plates > Plate. Here, too, you can enter a Comment, e.g. Table ID. After confirming with OK, the sub-variable will be created - a consecutive number in square brackets will be used as name, e.g. [1]. Proceed likewise to create the variable for the Row ID.

You can see the Table ID in the status bar of the Catalogue Editor, and the Row ID in the ID column of the respective table.

 

The content of the variable pl is now the data record with the ID 67 from the table Plates.

 

The variable defined in this way can now be used in the Feature. For instance, if its railing component contains a semi-finished product, a feature entry of the following type can be found in the Feature log:

To achieve that this plate will not be inserted as an invariable, fixed plate, but in a flexible manner via the catalogue when you select the component in the Railing Configurator, you can now use the sub-variables of the variable of the type List, i.e.

Furthermore, you can determine in the Editor for railing variants that only particular tables are to be offered for selection.


ISD Example variants

Included in the scope of delivery of HiCAD are ISD Example variants for the different components. You can find these in the catalogue Factory standards > Railing.

ISD Post

 

ISD Handlauf

 

ISD Füllung

 

ISD Konsole

 

These variants are available to you when making selections via the Railing Configurator, and can also be used as templates for your customer-specific variants.

Please note that a good knowledge of Parametrics functions and Feature variants are required to benefit from the full range of possibilities offered by the railing variants. Please also read the General Advice on Formulas and Variables.

Variant Editor für RailingsStairs and Railings (3-D SE)Steel Engineering Functions

© Copyright 1994-2019, ISD Software und Systeme GmbH
Version 2402 - HiCAD Steel Engineering
Date: 04/11/2019

> Feedback on this topic