Project: HiCAD Sheet Metal

2-D Sheet Section from 3-D Sectional View 

Sheet Metal > Further functions > Extras >From sectional view

You use this function to generate a dimensioned 2-D view from a 3-D sectional view.

  1. Derive a 3-D section from your sheet part using the Sectional view function (Views tab, see HiCAD 3-D).
  2. Activate the From sectional view function.
  3. Select a designation for the 2-D view and the distance for the go-side line.
  4. If required, activate the Including front side checkbox if you want the go-side to be displayed on the front side as well.
  5. If required, also activate the Angular dimension checkbox and close the dialogue window with OK.
  6. Then, identify the go-side from the 3-D section.

The 2-D view is displayed with dimensioning at the cursor.

  1. Specify a fitting point in the drawing.

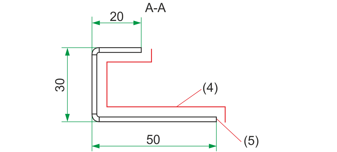
(1) Sheet part
(2) Front view of the sheet part
(3) Go-side in the 3-D sectional view

(4) Go-side including front side
(5) Dimensioned 2-D view

You set the parameters for the coating surface (go-side) in the Configuration Editor at Compatibility > Sheet development up to HiCAD 2016 > Extended settings > Coating side of 2-D sheet section

The parameters will be applied when you re-start HiCAD.

Further Functions (3-D SE)2-D Sheet Section, Perpendicular to Edge

© Copyright 1994-2019, ISD Software und Systeme GmbH
Version 2402 - HiCAD Sheet Metal
Date: 06/10/2019

> Feedback on this topic