Project: HiCAD 2-D
2-D Dimenioning + Text > Text > New
> Section path ![]()
You use this function to create section guides according to DIN 6, with the number of inflexion points being limited to no more than 8.
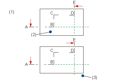
(1) Without section path
(2) Incorrectly set line of vision point
(3) Correctly set line of vision point
(1) With section path
(2) Incorrectly set line of vision point
(3) Correctly set line of vision point
You can change the parameters for section guides, e.g. colour, layer or symbols at the start and end points in SCHNITT.DAT (sys directory). Please note that you can only use those symbols the fitting point of which has the ID "?" and which do not contain symbol texts.
|
© Copyright 1994-2019, ISD Software und Systeme GmbH |