Project: HiCAD 2-D
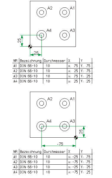
Change reference point
© Copyright 1994-2019, ISD Software und Systeme GmbH Version 2402 - HiCAD 2-D Date: 06/10/2019
> Feedback on this topic
If you have found a mistake in the Online Help, or have any suggestions concerning the Help, please use this form to directly forward your feedback to our Documentation Team. Enter your name, your E-mail adress and your comment and click Send. Please note however that the Documentation Team does not provide any technical support.
Your name *:
Your E-mail adress *:
Your message *:
* = Mandatory field
Close