|
Value |
Description |
Designation / Rule Identifier |
|---|---|---|
|
1 |
Length between system axes |
SYSTEMLENGTH |
|
2 |
Assembly length |
ASSEMBLYLENGTH |
|
3 |
Axis length |
LENGTH_OF_AXIS |
|
4 |
Beam length without front-mounted attached parts |
PROFLENGTH_WITHOUT |
|
5 |
Sub-system, Upper beam side |
PROFSYSTEM_UPPERSIDE Only beams with cross-sections || to screen plane, || to beam axis
|
|
6 |
Sub-system, Web surface of beam |
PROFSYSTEM_WEBFACE
|
|
7 |
Sub-system, Lower beam side |
PROFSYSTEM_LOWERSIDE |
|
8* |
Attached parts (via outer contour) |
ATTACHING_PARTS via outer contour, not via bores |
|
9 |
Beam/profile length with front-mounted attached parts |
PROFLENGTH_WITH |
|
10* |
Attached sheets/plates with bores |
ATTACHING_SHEETS Attached sheets/plates via bore or outer contour
|
|
11 |
Bores in sub-parts |
SUBPARTBORES |
|
12 |
Bores in web of beam |
PROFBORES_INWEB |
|
13 |
Bores in upper flange of beam |
PROFBORES_INUPPERFLANGE
|
|
14 |
Bores in lower flange of beam |
PROFBORES_INLOWERFLANGE |
|
15 |
Bores in upper and lower flange of beam |
PROFBORES_INFLANGES |
|
16 |
16: Bores in beams - Offset parallel to beam axis |
PROFBORES_SYSTEMOFFSET_PARALLEL |
|
17 |
Beam height |
PROFILE_HEIGHT |
|
18 |
Beam width |
PROFILE_WIDTH
|
|
19 |
Assembly height |
ASSEMBLY_HEIGHT |
|
20 |
Assembly length |
ASSEMBLY_WIDTH
|
|
21 |
Notch length at start |
NOTCH_LENGTH_BEGIN |
|
22 |
Notch length at start |
NOTCH_WIDTH_BEGIN |
|
23 |
Notch length at end |
NOTCH_LENGTH_END |
|
24 |
Notch width at end |
NOTCH_WIDTH_END |
|
26 |
Bores in front plates |
BORES_IN_FRONT_PLATE |
|
27 |
Oblique cut on beam at start |
DIAGONAL_CUT_BEGIN |
|
28 |
Oblique cut on beam at end |
DIAGONAL_CUT_END |
|
29 |
Sheet/plate length |
SHEET_LENGTH |
|
30 |
Sheet/plate width |
SHEET_WIDTH |
|
31 |
Sheet/plate thickness |
SHEET_THICKNESS |
|
32 |
Bores in sheets/plates, right side |
SHEETBORES_RIGHT |
|
33 |
Bores in sheets/plates, left side |
SHEETBORES_LEFT |
|
34 |
Bores in sheets/plates, right or left side |
SHEETBORES_RIGHTANDLEFT |
|
35 |
Bores in sheets/plates, upper half |
SHEETBORES_ABOVE |
|
36 |
Bores in sheets/plates, lower half |
SHEETBORES_BELOW |
|
37 |
Bores in sheets/plates, upper or lower half |
SHEETBORES_ABOVEANDBELOW |
|
38 |
Outer contour of sheet/plate, right side |
SHEETOUTLINE_RIGHT |
|
39 |
Outer contour of sheet/plate, left side |
SHEETOUTLINE_LEFT |
|
40 |
Outer contour of sheet/plate, right or left side |
SHEETOUTLINE_RIGHTANDLEFT |
|
41 |
Outer contour of sheet/plate, upper half |
SHEETOUTLINE_ABOVE |
|
42 |
Outer contour of sheet/plate, lower half |
SHEETOUTLINE_BELOW |
|
43 |
Outer contour of sheet/plate, upper or lower half |
SHEETOUTLINE_ABOVEANDBELOW |
|
44 |
Diameter of simple bores in main part |
BORE_DIAMETER_MAINPART |
|
45 |
Diameter of standard part bores in main part |
NORMBORE_DIAMETER_MAINPART |
|
46 |
Diameter of boltings in main part |
CONNECTION_DIAMETER_MAINPART |
|
47 |
Length of sheets/plates (sub-parts) in sectional views |
SHEET_LENGTH_IN_SECT |
|
48 |
Width of sheets/plates (sub-parts) in sectioanl views |
SHEET_WIDTH_IN_SECT |
|
49 |
Outer contour of sheets/plates, right and left side, in sectional views |
SHEETOUTLINE_RIGHTANDLEFT_IN_SECT |
|
50 |
Outer contour of sheets/plates (sub-parts), top and bottom side, in sectional views |
SHEETOUTLINE_ABOVEANDBELOW_IN_SECT |
|
51 |
Bores in sheets/plates (sub-parts), right or left side, in sectional views |
SHEETBORES_RIGHTANDLEFT_IN_SECT |
|
52 |
Bores in sheets/plates (sub-parts), top and bottom half, in sectional views |
SHEETBORES_ABOVEANDBELOW_IN_SECT |
|
53 |
Diameters of simple bores in sheets/plates (sub-parts) in sectional views |
BORE_DIAMETER_IN_SECT |
|
54 |
Diameter of standard part bores in sheets/plates (sub-parts) in sectional views |
NORMBORE_DIAMETER_IN_SECT |
|
55 |
Diameters of boltings in sheets/plates (sub-parts) in sectional views |
CONNECTION_DIAMETER_IN_SECT |
|
56 |
Position of sheet/plate, determined by one bore and the reference part |
SHEET_POSITION_IN_SECT |
|
57 |
Attached plates, one chain dimension for each plate |
ATTACHING_SHEETS_SEPERATELY Via bores, if they are dimensioned perpendicular to screen plane and bores of sub-parts are dimensioned, or via outer contour; this is the only beam-related rule for which the direction VERTIKALSHEETAXIS is allowed in connection with the position INSIDE, in order to, e.g. dimension front plates on cuts in sheet/late direction! |
|
58 |
Fillet radii on beam notches |
PROFOUTLINE_RADIUS |
|
59 |
Fillet radii at material subtractions on beams/profiles |
PROFBORES_RADIUS |
|
60 |
Fillet radii on outer contours of sheets/plates |
SHEETOUTLINE_RADIUS |
|
61 |
Fillet radii on material subtractions on sheets/plates |
SHEETBORES_RADIUS |
|
62 |
Fillet radii on outer contours of sheets/plates in sectional views |
SHEETOUTLINE_RADIUS_IN_SECT |
|
63 |
Fillet radii on material subtractions on sheets/plates in sectional views |
SHEETBORES_RADIUS_IN_SECT |
|
64 |
Length of cut at beam/profile start |
SECTION_LENGTH_BEGIN |
|
65 |
Length of cut at beam/profile end |
SECTION_LENGTH_END |
|
66* |
Attached plates on top side of beam, via bores or outer contour |
ATTACHING_SHEET_UPPERSIDE |
|
67* |
Attached plates on bottom side of beam, via bores or outer contour |
ATTACHING_SHEET_LOWERSIDE |
|
68* |
Attached plates on web surface, in front of web, via bores or outer contour |
ATTACHING_SHEET_BEFORE_WEB |
|
69* |
Attached plates on web surface, behind web, via bores or outer contour |
ATTACHING_SHEET_BEHIND_WEB |
|
70* |
Attached beams/profiles with axis, to main part axis, dimension via system axis |
ATTACHING_PROFILES_VERT
|
|
71 |
Sub-system in upper flange area |
SUBSYSTEM_UPPERFLANGE Only grid and sub-grid lines, but no parts will be dimensioned! |
|
72 |
Sub-system in lower flange area |
SUBSYSTEM_LOWERFLANGE Only grid and sub-grid lines, but no parts will be dimensioned! |
|
73 |
Sub-system in web area |
SUBSYSTEM_WEBFACE Only grid and sub-grid lines, but no parts will be dimensioned! |
|
74 |
Sub-system in upper flange and lower flange area |
SUBSYSTEM_FLANGES Only grid and sub-grid lines, but no parts will be dimensioned! |
|
75 |
Sub-system in upper flange, lower flange and web area |
SUBSYSTEM_WEB_AND_FLANGES Only grid and sub-grid lines, but no parts will be dimensioned! |
|
76 |
Length of beam sub-parts |
PROFILELENGTH_ATTACHING_PROFILES Sub-part lengths of all (also oblique) sub-parts |
|
77 |
Connected beam sub-parts |
CONNECTED_PROFILES Start and end of all direct connections of sub-parts to main part |
|
80 |
Connected sub-part beams on relevant beams |
CONNECTED_PROFILES_RELEVANTPROFILES Start and end of all direct connections of sub-parts to relevant parts |
|
83 |
Attached plates with bores, incl. bore in side view |
ATTACHING_SHEETS_VERT |
|
84 |
Bores in sub-parts (bores of all sub-parts) incl. bores + viewing direction |
SUBPARTBORES_VERT |
|
85 |
Beam processing in web, incl. processings in side view |
PROFBORES_INWEB_VERT |
|
86 |
Beam processings in upper flange, incl. processings in side view |
PROFBORES_INUPPERFLANGE_VERT |
|
87 |
Beam processings in lower flange, incl. processings in side view |
PROFBORES_INLOWERFLANGE_VERT |
|
88 |
Beam processings in upper and lower flange, incl. processings in side view |
PROFBORES_INFLANGES_VERT |
|
89 |
All parts via bore |
ALL_PARTS_BORES |
|
Especially for framework constructions (Assembly with or without main part): |
||
|
90 |
Diagonal total dimensions of an assembly |
TOTAL_SIZE_ASSEMBLY Especially for framework constructions (assembly without main part) |
|
94* |
All attached parts of relevant beam sub-parts, via outer contour |
ATTACHING_PARTS_RELVPROFS |
|
96* |
Attached Sheet Metal parts with bores on relevant beam sub-parts |
ATTACHING_SHEETS_RELVPROFS |
|
98 |
Bores in web of relevant beam sub-parts |
PROFBORES_INWEB_RELVPROFS |
|
99 |
Bores in upper flange of relevant beam sub-parts |
PROFBORES_INUPPERFLANGE_RELVPROFS |
|
100 |
Bores in lower flanges of relevant beam sub-parts |
PROFBORES_INLOWERFLANG_RELVPROFS |
|
101 |
Bores in flanges of relevant beam sub-parts |
PROFBORES_INFLANGES_RELVPROFS |
|
105 |
Attached plates/sheets on relevant beam sub-parts; one dimension chain for each plate/sheet |
ATTACHING_SHEETS_SEPERATELY_RELVPROFS |
|
106 |
Attached plates/sheets on upper beam sides on relevant beam sub-parts; via bores or outer contour |
ATTACHING_SHEET_UPPERSIDE_RELVPROFS |
|
107 |
Attached plates/sheets on lower beam sides on relevant beam sub-parts; via bores or outer contour |
ATTACHING_SHEET_LOWERSIDE_RELVPROFS |
|
108 |
Attached plates/sheets on web surface on relevant beam sub-parts, before web, via bores or outer contour |
ATTACHING_SHEET_BEFORE_WEB_RELVPROFS |
|
109 |
Attached plates/sheets on web surface on relevant beam sub-parts, after web, via bores or outer contour |
ATTACHING_SHEET_BEHIND_WEB_RELVPROFS |
|
110* |
Attached parts on relevant beam sub parts |
ATTACHING_PROFILES_VERT_RELVPROFS |
|
111 |
Angle between beam main part and connected sub-part beams |
STWDimRuleIdent_ANGLE_CONNECTED_PROFILES |
|
112 |
Angle between relevant beams and connected sub-part beams |
STWDimRuleIdent_ANGLE_CONNECTED_PROFILES_RELPROFS |
|
113* |
Beam sub-parts, not vertical to main part axis |
ATTACHING_PROFILES_INUPPERFLANGE |
|
114* |
Beam sub-parts on lower flange, not vertical to main part axis |
ATTACHING_PROFILES_INLOWERFLANGE |
|
115* |
Beam sub-parts in front of web, not vertical to main part axis |
ATTACHING_PROFILES_BEFORE_WEB |
|
116* |
Beam sub-parts behind web, not vertical to main part axis |
ATTACHING_PROFILES_BEHIND_WEB |
|
117* |
Beam sub-parts, not vertical to main part axis |
ATTACHING_PROFILES |
|
123 |
Angle between bore axes |
BORE_ANGLES (only in view from left and right and only parallel to screen plane!) |
|
124 |
Beam processings of the type Slot |
PROF_LONGHOLES_ONLY
|
|
125 |
Beam processings of the type Slot in upper flange |
PROF_LONGHOLES_ONLY_INUPPERFLANGE |
|
126 |
Beam processings of the type Slot in lower flange |
PROF_LONGHOLES_ONLY_INLOWERFLANGE |
|
127 |
Beam processings of the type Slot in web |
PROF_LONGHOLES_ONLY_INWEB |
|
128 |
Beam processings of the type Circular bore |
PROF_CIRCLEBORES_ONLY |
|
129 |
Beam processings of the type Circular bore in upper flange |
PROF_CIRCLEBORES_ONLY_INUPPERFLANGE |
|
130 |
Beam processings of the type Circular bore in lower flange |
PROF_CIRCLEBORES_ONLY_INLOWERFLANGE |
|
131 |
Beam processings of the type Circular bore in web |
PROF_CIRCLEBORES_ONLY_INWEB |
|
132 |
Sheet length |
SHEETMETAL_LENGTH |
|
133 |
Sheet width |
SHEETMETAL_WIDTH |
|
134 |
Sheet height |
SHEETMETAL_HEIGHT |
|
135 |
Parametric linear dimensions of sheets |
SHEETMETAL_PARA_DISTANCE |
|
136 |
Parametric angular dimensions of sheets |
SHEETMETAL_PARA_ANGLE |
|
137 |
Parametric circular dimensions of sheets |
SHEETMETAL_PARA_CIRCLEDIM |
|
Especially for Railings |
||
|
1001 |
Total length of Railing segment assembly |
TOTAL_LENGTH_RAILINGSEGMENT only for Railing segment assembly: |
|
1002 |
Total height of Railing segment assembly |
TOTAL_HEIGHT_RAILINGSEGMENT only for Railing segment assembly: |
|
1003 |
Total length of Railing segment assembly w/o base plates |
TOTAL_LENGTH_RAILINGSEG_WITHOUT only for Railing segment assembly: |
|
1004 |
Total height of Railing segment assembly w/o base plates |
TOTAL_HEIGHT_RAILINGSEG_WITHOUT only for Railing segment assembly: |
|
1005 |
Total dimension of Railing segment assembly |
TOTAL_SIZE_RAILINGSEGMENT only for Railing segment assembly: |
|
1006 |
Clear distances between posts |
CLEARANCE_POST only for Railing segment assembly: |
|
1007 |
Distances between post axes |
CENTERDISTANCE_POST only for Railing segment assembly: |
|
1008 |
Clear distances between rods |
CLEARANCE_WEBMEMBER only for Railing segment assembly: |
|
1009 |
Distances between rod axes |
CENTERDISTANCE_WEBMEMBER only for Railing segment assembly: |
|
1010 |
Hand rail excess length |
HANDRAIL_PROJECTION only for Railing segment assembly: |
|
1011 |
Sub-parts |
RAILING_SUBPARTS only for Railing segment assembly: |
|
1012 |
Sub-parts, Post assembly |
POST_SUBPARTS only for Railing segment assembly: |
|
1013 |
Sub-parts, Infill assembly |
FILLING_SUBPARTS only for Railing segment assembly: |
|
1014 |
Angle Post - Handrail |
ANGLE_POST_HANDRAIL only for Railing segment assembly: |
|
1015 |
Bores |
RAILING_BORES only for Railing segment assembly: |
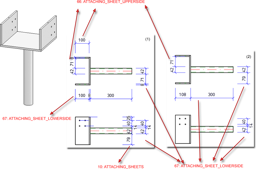
* When dimensioning attached sheet/plate parts or plates and beams that border on dimensionally relevant beams, both contact points will always be dimensioned. If only the first contact point in the chain is to be dimensioned, open the STW_DimSettings.XML (conventional dimensioning settings) file in the HiCAD sys directory and set the parameter
</PARAM><PARAM Name="SUBPARTPOSITION" Typ="INT" Value="0">
to 1.
This setting affects all dimensioning rules marked with an asterisk *.
Example - (1) without change of the STW_DimSettings.XML , (2) with change of the STW_DimSettings.XML
Separate chain dimensions for different usages
You have the option to create separate chain dimensions per different usage for chain dimensions describing the fitting situation of parts. To change this behaviour, open the STW_DimSettings.XML (conventional dimensioning settings) file in the HiCAD sys directory and set the parameter SEPERATEDSUBPARTPOSITION to 1:
</PARAM><PARAM Name="SEPERATEDSUBPARTPOSITION" Typ="INT" Value="1">
The image below shows a beam with 4 plates for different usages (1=Front plate, 2=Reinforcement plate, (3) Stiffener) and the front view of the production drawing.
If the STW_DimSettings.XML file does not contain the described parameters, you can also make manual entries as described above.
Related Topics
Drawing Derivation (3-D SE) • Derived Drawing: Change Settings (3-D SE) • The 'Derived Drawing' Dialogue Window (3-D SE)
|
Version 2102 - HiCAD Steel Engineering | Date: 15/11/2016 | © Copyright 1994-2016, ISD Software und Systeme GmbH |