Move Symbol (P+ID)

P+ID > Symbol > Move symbol, only X or Y

P+ID > Symbol > Move > Move symbol, with sketch

P+ID > Symbol > Move > Move symbol, with sketch

The following options are available to move individual symbols:

  • the symbols that are linked to the selected symbol (perpendicular to the movement direction),
  • the assigned gauge and drive symbols,
  • the corresponding connections,
  • the pipeline and pipeline info symbols in the vicinity of the corresponding connections,
  • the measuring points on the corresponding connections or symbols.

If you only want to move one individual symbol (and nothing else), please use the Move symbol, with sketch or the Move symbol, without sketch function.

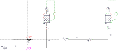
Select the required option, identify symbol to be moved and specify the new insertion point. HiCAD differentiates between the following cases:

Before specifying the new insertion point, you can press the right mouse button to display the appropriate context menu and select another insertion point on the symbol (all connection are retained). HiCAD only offers deletion when a moved connection runs diagonally. If the symbol is inserted in another connection, it is ignored.

Before a new insertion point is determined, you have – by pressing the right mouse button to show the appropriate context menu – the possibility of rotating the symbol or selecting another reference point on the symbol. If the symbol is pushed into another connection and has at least one connection that matches the alignment of the connection, it is deleted and - if possible - new connections are created via the symbol. If the symbol does posses the appropriate attributes, HiCAD rejects the movement. This applies in the following cases:

 

Please note:

As long as the selected symbol his attached to the cross-hairs, you can call the context menu with the right mouse button and change the reference point.

 Related Topics

Transform Symbol (R+I)

Version 2102 - HiCAD P+ID | Date: 15/11/2016 | © Copyright 1994-2016, ISD Software und Systeme GmbH

Feedback on this topic