2-D Sheet Section, Perpendicular to Edge (3-D SM)

Sheet Metal > Sheet development > Extras > Perpendicular to edge

This function derives a dimensioned 2-D view from a 3-D view.

  1. Once you have selected the function, define a processing plane by means of two edges, one for the x-axis and one for the y-axis.

After identifying the first edge, you can right-click to apply the proposal for the position of the processing plane.

  1. Choose a description for the 2-D view and the distance for the go-side.
  2. If required, activate the Including front side checkbox if you want the go-side to be displayed on the front side as well.
  3. Activate the angular dimensions as applicable and click OK to exit the dialogue window.
  4. Identify a point for the section path.

The 2-D view is shown at the cursor.

  1. Specify a fitting point in the drawing.

(1) Edge for X-axis of processing plane
(2) Edge for y-axis of processing plane
(3) Position on edge for section (go-side)
(4) Section path

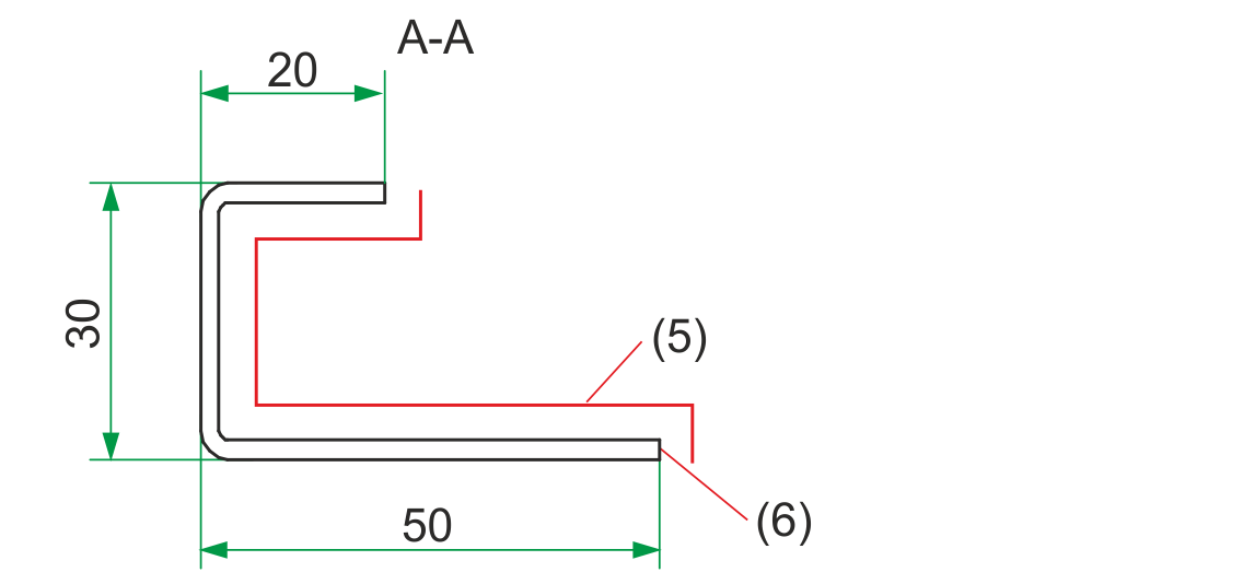
(5) Go-side including front side
(6) Dimensioned 2-D view

Use the SYS/ABWCOL.DAT file to specify the parameters for the coating surface (go-side) . 

# Layer, colour, line thickness, line type for coating surface of 2-D sheet section

2413

2 = layer, 4 = colour, 1 = line width, 3 = line type. The parameters will be applied when HiCAD is re-started.

 Related Topics

Extras2-D Sheet Section, From 3-D Sectional View

Version 2102 - HiCAD Sheet Metal | Date: 15/11/2016 | © Copyright 1994-2016, ISD Software und Systeme GmbH

Feedback on this topic