Bending Simulation (3-D SM)

Sheet Metal > Process > Bending simulation

The Bending simulation function enables you to unfold complete sheet constructions into various levels for processing (e.g. bore). You can then bend the sheet back again. You can unfold several sheets at the same time. Identify the base sheets of the construction in turn.

All sheets are bent to the plane of the part identified as the base sheet.

You need to bend the sheets back individually. To bend the sheet part back, activate the Bending simulation icon once again and identify any sheet.

The sheet will be bent back into its original state.

(1) Base sheet

Bore

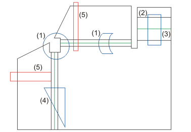
You can bore the sheet part in its developed state. The following drawing shows you which bores are valid and which not.

Valid bores
(1) Circular arc section
(2) Bend zone is divided
(3) Straight cut
(4) Skew cut

Invalid bores
(5) Flange is divided

 Related Topics

Function OverviewGeneral Information on Sheet Metal Processing

Version 2102 - HiCAD Sheet Metal | Date: 15/11/2016 | © Copyright 1994-2016, ISD Software und Systeme GmbH

Feedback on this topic