Schnittansicht erzeugen


Das Dialogfenster

Ansichten > Neu > Schnittansicht

Schnittansichten lassen sich in HiCAD in den verschiedensten Ausführungen erzeugen, beispielsweise aufgeklappt, mit seitlicher Begrenzung, mit oder ohne Kennzeichnung des Schnittverlaufes und anderes mehr. Basis für den Schnittverlauf ist eine gerade Linie oder eine Skizze.

(1) Ausgangsansicht in Draufsicht und Axonometrie mit Skizze, (2) "Normaler" Schnitt, (3) aufgeklappter Schnitt

 

Die Einstellungen für Schnittansichten legen Sie im Dialogfenster Schnittansicht fest.

 

Gehen Sie wie folgt vor:

  1. Wählen Sie die Ausgangsansicht.
  2. Bestimmen Sie den Schnittverlauf.
  3. Platzieren Sie die Schnittansicht.
  4. Wählen Sie die gewünschte Ausführung.
  5. Legen Sie die Optionen für die Kennzeichnung des Schnittverlaufes fest.
  6. Legen Sie die Optionen für die Ansichtsüberschrift fest.
  7. Bestimmen Sie den Maßstab der Schnittansicht.
  8. Wählen Sie die gewünschten Einstellungen für die Schraffur.
  9. Kontrollieren Sie die Schnittansicht mit dem Vorschau-Button und korrigieren Sie ggf. Ihre Einstellungen.
  10. Klicken Sie auf Übernehmen, um die Schnittansicht wie in der Vorschau dargestellt zu generieren.

Schnittansichten werden im ICN mit dem Symbol gekennzeichnet.


Die Fensterbereiche

Ausgangsansicht

Beim Aufruf der Funktion ist die aktive Ansicht als Ausgangsansicht voreingestellt. Mit einem Klick auf lässt sich die Auswahl ändern. Die Ausgangsansicht wird in der Vorschau mit einem orangefarbenen Rahmen markiert.


Schnittverlauf und Platzierung

Der Verlauf einer Schnittansicht basiert immer auf einer ebenen Skizze. Diese kann in der Konstruktion vorhanden sein oder aber bei der Definition der Ansicht neu erzeugt werden. Folgende Alternativen sind möglich:

Die Länge der Schnittlinie berechnet HiCAD passend zur geschnittenen Ansicht.

Die Länge der Schnittlinie berechnet HiCAD passend zur geschnittenen Ansicht.

Mit dieser Funktion lässt sich eine zuvor ausgewählte Skizze bearbeiten. Dazu wird das Dialogfenster Skizze bearbeiten angezeigt.

Ändern Sie dann die Skizze wie gewünscht und klicken Sie anschließend im Dialogfenster auf Skizze übernehmen. Der Dialog wird mit der geänderten Skizze fortgesetzt.

Klicken Sie auf dieses Symbol, um eine neue Skizze zu erstellen. Es wird automatisch eine Skizze angelegt. Bestimmen Sie die Skizzenebene und zeichnen Sie die Skizze. Wählen Sie dann Skizze übernehmen.

Soll die Ausgangsskizze nach der Erzeugung des Teils aus der Konstruktion entfernt werden, dann aktivieren Sie die Checkbox Skizze nach der Erzeugung löschen.

Beachten Sie:

Die Skizze muss folgende Bedingungen erfüllen:

  • Die Skizze darf nicht geschlossen sein und keine gekrümmten Linien enthalten. Die "gedachten" Verlängerungen der Skizzenelemente dürfen sich nicht schneiden.
  • Die Skizze muss zusammenhängend sein und aus mehr als einer Linie bestehen.
  • Bei aufgeklappten Schnittansichten darf die Skizze für den Schnittverlauf keine Kurven (Kreise, Bögen, Ellipsen etc.) enthalten!
  • In der Skizze enthaltene Hilfsgeometrien werden bei der Ansichtsgenerierung berücksichtigt Das heißt: Kanten, die als Hilfsgeometrie markiert sind, haben keinen Einfluss auf die geometrische Ausprägung des Schnittes.
  • Enthält eine mit HCM-Bedingungen parametrisierte Skizze Variablen, dann werden diese beim Verwenden der Skizze in einer Schnitt-/Detailansicht oder einem Ausbruch automatisch als Ansichtsvariablen definiert. Wenn Sie dann den Wert der Ansichtsvariablen ändern, werden alle Ansichten der aktuellen Konstruktion aktualisiert und die entsprechende Schnitt- oder Detailansicht oder der Ausbruch automatisch angepasst. Die Ausgangsskizze bleibt jedoch unverändert. Das bedeutet, dass Sie Ansichten schnell anpassen können, ohne die entsprechende Skizze ändern zu müssen.

 

Beachten Sie bitte auch die Hinweise zu Einsatzzweck und Darstellung von Skizzen. Skizzen mit dem Einsatzzweck Bauteil werden in Schnittansichten geschnitten, Skizzen mit dem Einsatzzweck Erzeugen/Bearbeiten nicht.

Sobald die Schnittlinie bestimmt ist, wird die Meldung Schnittlinie wurde gesetzt angezeigt. Die Schnittansicht hängt am Cursor. Die Blickrichtung wird durch einen Pfeil gekennzeichnet.

Jetzt lässt sich durch Bewegen des Cursors die Blickrichtung ändern und die Schnittansicht kann in der Konstruktion platziert werden. Vor dem Platzieren kann mit der rechten Maustaste ein Kontextmenü aufgerufen werden.

Kante für Ausrichtung ändern
Mit dieser Funktion können Sie eine neue Bezugskante für die Ausrichtung wählen. Diese Funktion ist nur bei mehreren Schnittkanten (Skizze) verfügbar.

Horizontal/vertikal ablegen
Mit dieser Funktion lässt sich die Schnittansicht horizontal/vertikal ablegen. Nach Aufruf dieser Funktion können Sie die Drehung - nach oben, nach unten, nach links oder nach rechts - mit dem Cursor auswählen und durch Absetzen des Cursors übernehmen. Die Blickrichtung des Schnittes wird im Moment des Funktionsaufrufes festgehalten, d. h. sie hängt davon ab, auf welcher Seite der Richtkante Sie mit der rechten Maustaste das Kontextmenü aufgerufen haben. Die folgende Abbildung zeigt verschiedene Varianten.

Ist die Schnittansicht platziert worden, dann wird sie in der Vorschau mit einem gestrichelten orangefarbenen Rahmen markiert und im Dialog wird die Meldung Ansicht wurde platziert angezeigt. Wollen Sie die Platzierung korrigieren, dann klicken Sie auf .

Die Vorschau erfolgt nur in geschnittener Form, wenn der Haken am Vorschau-Button gesetzt ist.


Ausführung

Unbegrenzte Tiefe
Die Tiefe des Schnittes ist unbegrenzt, d. h. sie geht über die gesamte Konstruktion.

Begrenzte Tiefe
Bei dieser Ausführung geht die Tiefe des Schnittes nicht über die gesamte Konstruktion, sondern sie wird durch den im Feld Tiefe angegebenen Wert explizit festgelegt.

Flächenschnitt
Es wird eine Schnittansicht erzeugt, bei der nur die Schnittfläche dargestellt wird.

Durch einen Klick auf lässt sich die Blickrichtung umkehren.

Ist zusätzlich die Checkbox Aufgeklappt aktiv, dann werden alle Schnittflächen in eine gemeinsame Ebene aufgeklappt. Dies ist beispielsweise dann sinnvoll, wenn Sie das Innere von Rotationsteilen, Rohren etc. darstellen wollen.

 

Nicht aufgeklappte Schnittansichten lassen sich darüber hinaus seitlich begrenzen, so dass der Schnittkörper die Konstruktion nicht vollständig durchdringt. Dazu müssen Sie den Radio Button Begrenzt aktivieren.

Ist die Option Begrenzt aktiv, dann wird die aktuelle Größe des Schnittes in der Konstruktion als rechteckige Skizze angezeigt. Die Größe dieses Rechtecks wird durch die Skizze und die Höhe der Konstruktion bzw. der zu schneidenden Teile bestimmt.

Mit einem Klick auf das Symbol lässt sich die Skizze bearbeiten, z. B.


Kennzeichnung von Schnittansichten

Hier legen Sie die Kennzeichnung des Schnittes in der Ausgangsansicht und der Schnittansicht fest. Dies sind u.a. die symbolische Darstellung der Blickrichtung, Inhalt und Position der Beschriftung sowie die Darstellung des Schnittverlaufes. Soll keine Kennzeichnung erfolgen, dann deaktivieren Sie die Checkbox Kennzeichnung.

Im zugeklappten Zustand dieses Bereiches wird die aktuelle Beschriftung neben der Checkbox Kennzeichnung angezeigt.

Die Voreinstellungen für diesen Bereich legen Sie im Konfigurationsmanagement unter Zeichnung > Ansichten > Kennzeichnung fest.

 

Schnittbezeichnung

Hier legen Sie die Schnittbezeichnung durch direkte Eingabe oder Auswahl aus der Listbox fest.

Haben Sie in den Schnittansichten der Konstruktion in Ansichtskennzeichnungen Großbuchstaben oder Zahlen verwendet, dann schlägt HiCAD ggf. automatisch den kleinsten noch nicht verwendeten Großbuchstaben oder die kleinste noch nicht verwendete Zahl für die Schnittbezeichnung vor. Dabei werden auch Ansichten berücksichtigt, die nur eine Überschrift (ohne Kennzeichnung in einer Ausgangsansicht) besitzen. Ob ein Buchstabe oder eine Zahl vorgeschlagen wird, richtet sich nach der zuletzt verwendeten Bezeichnung. Zum Beispiel wird nach einer Schnittansicht mit der Bezeichnung A für die nächste Schnittansicht wieder ein Buchstabe vorgeschlagen, nach einer Schnittansicht mit der Bezeichnung 1 wieder eine Zahl.

 

  • Beidseitig (1)
    Die Beschriftung erfolgt an beiden Enden des Schnittverlaufs-
  • Fortlaufende Buchstaben (2)
    Die Enden und Knicke des Schnittverlaufs werden in der aktiven Ansicht mit fortlaufenden Buchstaben beschriftet (z. B. A-F)
  • Fortlaufende Zahlen (3)
    Die Enden und Knicke des Schnittverlaufs werden in der aktiven Ansicht durch denselben Buchstaben und eine fortlaufende Nummer gekennzeichnet, z.B. (A1-A6).
  • Einseitig (4)
    Beschriftung und Blickrichtungspfeil werden nur an einem Ende des Schnittverlaufs dargestellt.
  • Ohne Beschriftung (5)
    Der Schnittverlauf wird nicht beschriftet, kann aber Blickrichtungspfeile haben. Wird als Symbol ohne Pfeil gewählt, dann wird nur der Schnittverlauf dargestellt.

Bei Fortlaufende Buchstaben und Fortlaufende Zahlen lässt sich die Richtung umdrehen, indem Sie die entsprechende Checkbox aktivieren. Bei der einseitigen Beschriftung lässt sich die Seite wechseln.

Wird als Symbol Kreis mit Dreieck gewählt, dann ist nur die ein- oder beidseitige Beschriftung möglich.

Beschriftungstext bearbeiten

{Schnittbezeichnung (Ansichtskennzeichnung)}

Position der Beschriftung

Diese Einstellung bestimmt die Lage der Beschriftung zum Schnittverlauf. Möglich sind folgende Optionen:

  • in Verlängerung des Pfeils
  • in Verlängerung der Schnittlinie
  • seitlich am Pfeil

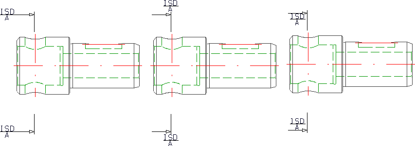
Links: Position der Beschriftung in Verlängerung des Pfeils, Mitte: in Verlängerung der Schnittlinie, Rechts: seitlich am Pfeil

Schicht

Hier bestimmen Sie, welches Symbol für die Kennzeichnung verwendet werden soll:

  • geschlossener Pfeil,
  • offener Pfeil,
  • Kreis mit Dreieck (Bauwesen),
  • kein Pfeil.

Der geschlossene Pfeil sowie das Dreieck können auch gefüllt werden.

Haben Sie die einseitige Beschriftung gewählt, dann steht für das Symbol Kreis mit Dreieck die Checkbox Rechteck zur Verfügung. Ist die Checkbox aktiv, dann wird im Endpunkt des Schnittverlaufes ein Rechteck in der angegebenen Größe gezeichnet.

 

Ist die Ausgangsansicht eine 3D-Ansicht, z. B. eine Axonometrie, dann hat die Auswahl der Symbole keine Auswirkung. In diesem Fall wird immer ein 3D-Pfeil verwendet.

Pfeilfarbe

Länge

Verschiedene Darstellungen des Schnittverlaufes - hier an einer 3D-Ansicht

 

Beim ersten Aufruf dieser Funktion innerhalb der aktuellen Konstruktion werden im Dialogfenster als Voreinstellung die Einstellungen aus dem Konfigurationsmanagement verwendet (Zeichnung > Ansichten > Kennzeichnung > Schnitte). Bei weiteren Aufrufen der Funktion gelten die zuletzt verwendeten Text- und Linienparameter als Voreinstellung.

 


Überschrift

Hier können Sie die Einstellungen für die Überschrift der Schnittansicht festlegen. Dazu müssen Sie zunächst die Checkbox Überschrift aktivieren.

Im zugeklappten Zustand wird die aktuelle Schnittbezeichnung neben der Checkbox Überschrift angezeigt.

Wählen Sie die Position der Überschrift - oberhalb oder unterhalb der Ansicht zentriert, links- oder rechtsbündig.

Wenn Sie nicht die ISD-seitigen Voreinstellungen für die Überschrift der Schnittansicht verwenden wollen, können Sie nach einem Klick auf individuelle Überschriften festlegen. Dazu wird das Dialogfenster Ansichtsüberschrift angezeigt, das im Wesentlichen dem Beschriftungseditor entspricht.

Bestimmen Sie die Komponenten, die in der Überschrift ausgegeben werden sollen. Dies können feste Texte oder Attribute sein. Beispielsweise lassen sich der Ansichtsname, die Bezeichnung, der Maßstab und - bei nicht in Fluchtrichtung abgeleiteten Ansichten - Pfeil und Winkel in die Überschrift übernehmen.

Für die Überschrift in Schnittansichten steht die Vorlagendatei VIEWHEADER_S.FTD im HiCAD sys-Verzeichnis zur Verfügung. Mit dieser Datei lassen sich die Überschriften in Schnittansichten individuell konfigurieren. Defaultmäßig ist die FTD-Datei zunächst leer.

 

Ein Beispiel:

Für die Vorlagendatei VIEWER_S.FTD wurde die abgebildete Einstellung gespeichert.

Dann enthält die Schnittansicht z. B. die abgebildete Überschrift.

 

Hinweise:

  • Der Maßstab wird in der Überschrift einer Schnittansicht nur dann angezeigt, wenn die Schnittansicht einen anderen Maßstab als die ursprüngliche Ansicht hat.
  • Die Überschrift lässt sich nachträglich verschieben.


Ansichtseigenschaften

Hier können Sie den Ansichtsmaßstab auswählen.

Darüber hinaus kann für Kant- und Stahlbleche kann hier über die Checkbox Beschichtung anzeigen festgelegt werden, ob die Beschichtung in der Schnittansicht gekennzeichnet werden soll oder nicht. Die Kennzeichnung erfolgt durch eine Offsetkante, die sogenannte Beschichtungslinie. Zur Darstellung der Beschichtungslinie werden die im Konfigurationsmanagement unter Zeichnung > Beschriftungen > Beschichtungslinie in Schnittansicht festgelegten Einstellungen verwendet.

Die Darstellung der Beschichtungslinie kann nachträglich geändert werden. Dazu klicken Sie in der entsprechenden Ansicht mit der rechten Maustaste auf die Beschriftungslinie und aktivieren Im Kontextmenü Beschichtungssymbol die gewünschte Funktion.

Die abgebildete Einstellung bewirkt beispielsweise, dass in allen Schnittansichten die Beschichtungslinien auf der Außen- und der Innenseite dargestellt werden.

Sind alle Beschichtungslinien ausgeblendet, dann lassen sich die Linien über das Kontextmenü für Bleche wieder einblenden. Dazu klicken Sie in der Schnittansicht mit der rechten Maustaste auf das Blech und wählen dann unter Eigenschaften die Funktion Beschichtungslinie.

 

Kantblech (1) mit Außenbeschichtung, Draufsicht (2) mit Schnittkante (3), Schnittansicht (4) mit Beschichtungslinie (5)

 

Bitte beachten Sie:


Schraffur

Schnittflächen einer Schnittansicht lassen sich auch schraffiert darstellen.

Um eine schraffierte Darstellung der Schnittflächen zu erhalten:

  1. Aktivieren Sie die Checkbox mit Schraffur. Angezeigt wird die aktuelle Schraffureinstellung.
  2. Wählen Sie ggf. ein anderes Schraffurmuster. Klicken Sie dazu auf das Symbol Schraffur ändern. Das Dialogfenster Schraffurauswahl wird angezeigt. Wenn Sie mit dem Cursor auf eines der Muster zeigen, werden weitere Informationen zum Schraffurmuster angezeigt. Mit einem Klick auf das Lupensymbol unten links lässt sich die Anzeige der Muster auch zoomen.

Wählen Sie das gewünschte Muster und verlassen Sie das Fenster mit OK.

  1. Bestimmen Sie den Schraffurlinienabstand und -winkel.

Die Schraffur der Schnittfläche wird beeinflusst durch die im Konfigurationsmanagement unter Zeichnung > Ansichten für den Parameter Schnittflächenschraffur gewählte Einstellung. Steht dort der Parameter Schnittflächenschraffur auf Nach Werkstoff, dann hat die Schraffurauswahl in den Dialogen keine Auswirkung.

 


Die Schaltflächen:

Vorschau

Ist der Haken an der Schaltfläche gesetzt, dann wird die Vorschau automatisch angezeigt.

Anderenfalls müssen Sie die Vorschau durch Anklicken der Schaltfläche aktivieren.

OK

Die Schnittansicht wird übernommen und das Dialogfenster geschlossen.

Abbrechen

Der Dialog wird abgebrochen. Eine noch nicht übernommene Schnittansicht wird nicht erzeugt.

Übernehmen

Die Schnittansicht wird übernommen, das Dialogfenster bleibt geöffnet. Sie können direkt weitere Schnittansichten erzeugen.

Einige Fensterbereiche lassen sich mit diesen Symbolen  und auf-/zuklappen. 

Über den Pin oben rechts lässt sich einstellen, ob die Ausgangsansicht nach dem Erzeugen der Schnittansicht behalten werden soll oder nicht. Wird hier angezeigt, dann bleibt die Ausgangsansicht nach der Übernahme der Schnittansicht im Dialog erhalten, d. h. es können daraus direkt weitere Schnittansichten abgeleitet werden. Wird angezeigt, dann muss nach der Übernahme der Schnittansicht wieder eine Ausgangsansicht gewählt werden.

 


Wichtige Hinweise

Beachten Sie dabei bitte, dass diese Einstellungen nicht für die Überschrift gelten.

Ist die durchgekreuzte Darstellung in der Konstruktion nicht gewünscht, dann lässt sich dies im Konfigurationsmanagement ändern. Dort steht unter Systemeinstellungen > Visualisierung > Ansichten der Schalter Nicht aktuelle Ausbruch-, Schnitt- und Detailansichten in der Grafik durchstreichen zur Verfügung.

 

Bitte beachten Sie, dass bei der Schraffur der Schnittflächen die Schraffureinstellungen der Konstruktion berücksichtigt werden. Diese Einstellungen legen Sie mit der Funktion Konstruktion > Eigenschaften > Schraffureinstellungen fest.

Spezialansichten (3D)Schnitt- und Detailansichten (3D)Ansichten (3D)