Freie Platte

Andockfenster Bauwesen-Funktionen > Stahlbau > Anschlüsse > Einzelprofil > Freie Platte (1103)

Mit dieser Funktion bauen Sie vorgebohrte Platten aus Blech oder Flachstahl ein. Dabei sind neben Normbohrungen auch Langlöcher sowie freie Bohrungen möglich.

Nach dem Aufruf der Funktion wird das Dialogfenster für freie Platten wird angezeigt.

 

Die Einstellungen des Dialogfensters lassen sich als Favoriten speichern und jederzeit wiederverwenden. Dazu klicken Sie unten links im Dialogfenster auf das Symbol , um das Kontextmenü zu aktivieren. Mehr zur Favoritenverwaltung finden Sie in den HiCAD Grundlagen unter Favoriten.

 

Hinweise:


Freie Platte konfigurieren

 

Halbzeug

Die Platte kann sowohl aus Blech als auch aus Flachstahl bestehen. Durch einen Klick auf das Symbol lassen sich der Plattentyp und das Material direkt in den entsprechenden Normteilkatalogen auswählen.

 

Geometrie

Hier legen Sie die Plattengröße fest. Dazu stehen verschiedene Verfahren zur Verfügung, die Sie in der Listbox Definition auswählen können.

Folgende Möglichkeiten stehen hier zur Verfügung:



Langloch (links) und Langloch eckig (rechts)

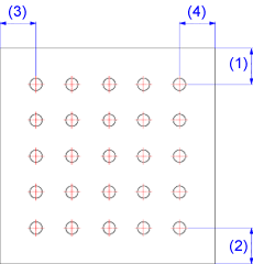
Das Bohrungsraster bestimmt die Anordnung des Bohrbildes der Platte.

 

Einbau als Anbauteil

Ist das beim Aufruf der Funktion aktive Teil bereits einer Baugruppe untergeordnet, dann wird die Platte als Nebenteil dieser Baugruppe eingebaut. Anderenfalls wird die Platte als neues Hauptteil eingebaut.

Ist zusätzlich die Checkbox Einbau als Anbauteil aktiv, dann wird folgendermaßen verfahren:

 

Durch einen Klick auf die Schaltfläche Vorschau können Sie sich eine Vorschau des Anschlusses - auf Basis der aktuell eingegebenen Daten - anzeigen lassen. Wollen Sie die Daten korrigieren, dann nehmen Sie die Änderungen vor und klicken Sie erneut auf Vorschau, um die Vorschau zu aktualisieren. Mit OK wird der Anschluss mit den aktuellen Daten eingebaut und das Dialogfenster geschlossen. Wenn Sie das Dialogfenster mit Abbrechen verlassen wird die Funktion ohne Einbau bzw. ohne Änderung des Anschlusses abgebrochen.

Zum Einbau der Platte zeigt HiCAD eine grafische Vorschau an. Bestimmen Sie dann einen Passpunkt auf der Grafik und anschließend die Position dieses Punktes in der aktiven Konstruktion.

Anschlüsse + Varianten (3D-STB)Dialogfenster für Anschlüsse (3D-STB)Das Katalogsystem für Anschlüsse + Varianten (3D-STB)