Beispiel: Erstellen eines Formwerkzeugs

HiCAD verfügt über eine Bibliothek an Formwerkzeugen, die Sie nach Bedarf erweitern können.

In diesem Beispiel soll ein Formwerkzeug für Sicken erzeugt werden. Bearbeitungen durch Formwerkzeuge werden intern in zwei Schritten erzeugt: Zunächst wird eine (parametrisierte) Skizze verwendet, um eine Ausnehmung auf dem Blech zu erzeugen. Dann wird ein (ebenfalls parametrisiertes) Teil eingefügt und zum Blech hinzuaddiert.

Um selber ein Formwerkzeug zu definieren, sind folgende Schritte notwendig:

  1. Schritt 1: Erzeugung eines Teils für die Bearbeitung,
  2. Schritt 2: Erzeugung einer Skizze für die Ausnehmung
  3. Schritt 3: Eintragung des neuen Werkzeugs in den Katalog
  4. Schritt 4: Einbau der eigenen Formwerkzeuge

Sie finden eine fertige Konstruktion, die sowohl das Ergebnis der Schritte 1 und 2 sowie ein fertig bearbeitetes Blech enthält, in der Datei FORMWERKZEUG_BEISPIEL.SZA. Wenn Sie die Online-Hilfe lokal installiert haben, finden Sie diese Konstruktion auch im Ordner docu\1031\examples.


Schritt1: Erzeugung eines Teils für die Bearbeitung

Das Teil für die Bearbeitung entsteht in diesem Fall als Kantenzugsweep aus einer (parametrisierten) Skizze.

  1. Starten Sie mit einer neuen HiCAD-Konstruktion.
  2. Erzeugen Sie über Skizze > Skizze in Ebene neu erzeugen als Hauptteil  eine neue Skizze.
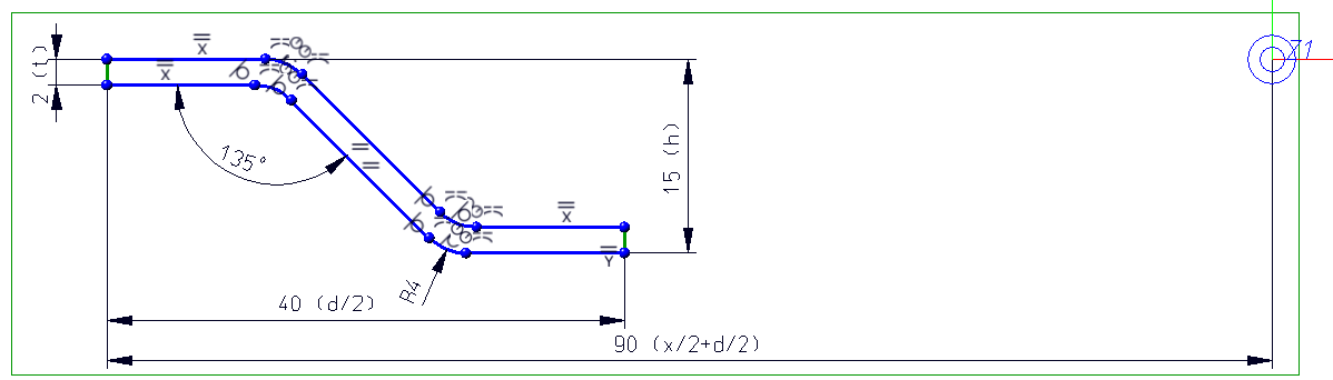
  3. Ausgangspunkt ist die folgende Skizze:

  1. Die Skizze wird nun mit Lage- und Maßbedingungen versehen:

Durch die Lagebedingungen ist die Skizze komplett definiert. Die verwendeten Variablen haben dabei folgende Bedeutung: t der Wert ist 2 steht für die Dicke des zu bearbeitenden Blechs, h der Wert ist 15 steht für die Höhe der Sicke und d der Wert ist 80 für die Breite. Nutzen Sie die Funktionen Abstand parallel zur X-Achse  und Abstand parallel zur Y-Achse  aus dem Bereich Skizze > HCM, um die Skizze zu bemaßen. Geben Sie anstelle der Werte die Variablen t, h und d ein. Daraufhin erfolgt eine Wertabfrage für die Variablen. Bei der Bemaßung muss für die Breite d/2 anstelle von d eingegeben werden.

  1. Zusätzlich enthält die Skizze einen benannten Punkt ! im Ursprung. Diesen fügen Sie über die Funktion Skizze > Neu > Punkt neu hinzu und bennenen ihn über die Funktion Punktnummer neu . Mithilfe des Punkts können Sie die Skizze mittels Gleichlage- und Abstandsbedingungen relativ zum Ursprung platzieren. Für den Abstand in X-Richtung geben Sie die Formel x/2+d/2 ein. Für den Wert der Variablen x geben Sie 100 ein.

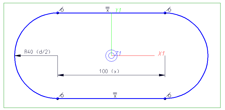
Senkrecht zu dieser Skizze wird eine weitere Skizze als Leitlinie für den Kantenzugsweep erzeugt:

Hier werden als Variablen wieder d (also d/2) für die Breite der Sicke und x für die Länge verwendet.

Nun wird die erste Skizze als Querschnitt und die zweite Skizze als Leitlinie eines Katenzugsweeps genutzt:

Aktivieren Sie in der Menüleiste 3D-Standard unter Neu die Funktion Kantenzugsweep neu , um in das abgebildete Dialogfenster zu gelangen.

Wählen Sie die Option Beliebiger Querschnitt. Identifizieren Sie zuerst die Leitlinie an allen vier Segmenten (1), (2), (3) und (4). Wählen Sie dann den Querschnitt (5) aus und beenden Sie die Funktion mit Erzeugen.

Die Bearbeitung als solche ist nun fertiggestellt. Nun müssen noch drei benannte Punkte erzeugt werden, anhand welcher HiCAD später die Ausrichtung der Bearbeitung bestimmt.

Einen Punkt mit der Punktnummer 1 im Ursprung; einen Punkt mit der Punktnummer 2, welcher zusammen mit Punkt 1 die X-Achse darstellt; und einen Punkt mit der Punktnummer 3, welcher die Ausrichtung der Y-Achse definiert.

  1. Wählen Sie die Funktion 3D-Standard > Tools > Punkt neu . Drücken Sie Return und legen Sie den Punkt mittels Punktoption 0 0 0 in den Ursprung. Wählen Sie die Funktion 3D-Standard > Tools > PullDown-Menü: Punkt neu > Punktnummer neu , identifizieren Sie den soeben erzeugten Punkt und geben Sie ihm die Punktnummer 1.
  1. Legen Sie anschließend analog einen Punkt an den Koordinaten A 50 0 0 mit der Punktnummer 2 sowie einen weiteren Punkt an den Koordinaten A 0 50 0 mit der Punktnummer 3 an.

Nun muss dieses Teil gespeichert werden.

  1. Wählen Sie die Funktion Konstruktion > Speichern/Referenzieren > Teil Referenzieren, Speichern, ET-Zeichnung . Setzen Sie die Optionen im Dialogfenster als Ohne Referenzieren, Als Teil speichern und Ohne Datenbank. Klicken Sie auf OK.

  1. Speichern Sie die Datei im HiCAD-Installationsverzeichnis im Unterordner Kataloge\Werksnormen\Formwerkzeuge ab. Hier nennen wir die Datei SICKE.KRA.


Schritt 2: Erzeugung einer Skizze für die Ausnehmung

Die Skizze für die Ausnehmung liegt direkt vor: Wir können die Leitlinie des Kantenzugsweeps weiterverwenden:

  1. Wählen Sie die Funktion Konstruktion > Speichern/Referenzieren >Teil Referenzieren, Speichern, ET-Zeichnung . Setzen Sie die Optionen im Dialogfenster als Ohne Referenzieren, Als Teil speichern und Ohne Datenbank. Klicken Sie auf OK.
  2. Speichern Sie die Datei im HiCAD-Installationsverzeichnis im Unterordner Kataloge\Werksnormen\Formwerkzeuge ab. Hier nennen Sie die Datei SICKE_SKIZZE.KRA.


Schritt 3: Eintragung des neuen Werkzeugs in den Katalog

  1. Starten Sie den Katalogeditor durch Aufruf des Programms CATEDITOR.EXE im HiCAD EXE-Verzeichnis.
  2. Wählen Sie den Katalog Werksnormen > Anwender Formwerkzeuge. Dort finden Sie bereits eine Tabelle ISD-Umformwerkzeug vor. Öffnen Sie die Tabelle mit einem Doppelklick, klicken Sie diese anschließend erneut mit der rechten Maustaste an und wählen Sie Neue Tabelle mit Vorlage.

  1. Geben Sie bei Tabellenname SICKE und bei Darstellung Sicke ein.

Die neu erzeugte Tabelle wird angezeigt.

In unserem Falle fehlen noch Spalten für die Variablen x1, d, h und t: Klicken Sie jeweils mit der rechten Maustaste auf den Spaltenkopf ganz rechts und wählen Sie Neue Spalte. Geben Sie als Bezeichnung den Parameternamen ein und wählen Sie als Typ Fließkommazahl aus. Fügen Sie optional noch einen Kommentar hinzu, um dieses Feld zu beschreiben. Löschen Sie die Spalten I, w, r und t2.

  1. Nun können Sie Einträge in die neue Tabelle vornehmen. Wählen Sie die Funktion Bearbeiten > Neuer Datensatz.
  1. Legen Sie noch zwei weitere Datensätze an - Sicke 50/50/10/2 und Sicke 100/80/15/2 .

  1. Speichern Sie die Änderungen über den Punkt Datei > Speichern.

Da eine neue Tabelle angelegt wurde, muss HiCAD zunächst beendet und neu gestartet werden, damit die Änderungen hier sichtbar sind.


Schritt 4: Einbau der eigenen Formwerkzeuge

Nach einem Neustart stehen die frisch erzeugten Sicken zur Verwendung als Formwerkzeug zur Verfügung.

(1) Blech mit Sicke,
(2) Abwicklung der Vorderseite mit ebener Darstellung des Formwerkzeuges (TOPSYMBOL) und Werkzeugnummer (WZNR)
(3) Abwicklung der Rückseite mit ebener Darstellung des Formwerkzeuges (BOTTOMSYMBOL) und Werkzeugnummer (WZNR_BOTTOM)

Formwerkzeuge (3D Blech)