Dialogfenster für Schnittansichten
Ansichten > Neu >
Schnittansicht 
Die Einstellungen für Schnittansichten legen Sie im Dialogfenster Neue Schnittansicht fest, das beim Aufruf der Funktion Schnittansicht automatisch angezeigt wird.
Bitte beachten Sie, dass bei der Schraffur der Schnittflächen die Schraffureinstellungen der Konstruktion berücksichtigt werden. Diese Einstellungen legen Sie mit der Funktion Konstruktion > Eigenschaften > Schraffureinstellungen fest.
Die Themen:
Ausführung
mit dahinter liegenden Teilen
Die Ansicht wird als Volumen dargestellt.
Nur Schnittfläche
Es wird eine Schnittansicht erzeugt, bei der nur die Schnittfläche dargestellt wird.
Mit Tiefenbegrenzung
Ist diese Option aktiv, dann geht die Tiefe des Schnittes nicht über die gesamte Konstruktion, sondern die Tiefe des Schnittes wird durch den angegebenen Wert explizit festgelegt. Der Wert für die Tiefe bestimmt den Abstand von der Schnittfläche, bis zu der Teile dargestellt werden sollen.
Ist zusätzlich die Checkbox
Aufgeklappt aktiv, dann werden alle Schnittflächen in eine gemeinsame Ebene aufgeklappt. Dies ist beispielsweise dann sinnvoll, wenn
Sie das Innere von Rotationsteilen, Rohren etc. darstellen wollen. Nicht
aufgeklappte Schnittansichten lassen sich darüber hinaus seitlich begrenzen,
so dass der Schnittkörper die Konstruktion nicht vollständig durchdringt.
Nicht aufgeklappte Schnittansichten lassen sich darüber hinaus seitlich
begrenzen, indem Sie die Checkbox
Begrenzt aktivieren. In diesem Fall ist die Ansicht zugleich Schnitt- und Detailansicht. Nach Beenden des Dialogfensters für die Schnittansicht wird automatisch das Dialogfenster für die Detailansicht angezeigt, wo Sie dann den Maßstab und die Daten für die Schraffur festlegen können.
Wenn Sie die seitliche Begrenzung einer Schnittansicht nachträglich ändern wollen, dann verwenden Sie dazu die Funktion Detailansicht ändern. Dort wird der von HiCAD automatisch erzeugte Begrenzungsrahmen als Skizze angezeigt. Diese Skizze lässt sich nachträglich ändern, z. B. verschieben oder drehen.
Enthält eine mit HCM-Bedingungen parametrisierte Skizze Variablen, dann werden diese beim Verwenden der Skizze in einer Schnitt-/Detailansicht oder einem Ausbruch automatisch als Ansichtsvariablen definiert. Wenn Sie dann den Wert der Ansichtsvariablen ändern, werden alle Ansichten der aktuellen Konstruktion aktualisiert und die entsprechende Schnitt- oder Detailansicht oder der Ausbruch automatisch angepasst. Die Ausgangsskizze bleibt jedoch unverändert. Das bedeutet, dass Sie Ansichten schnell anpassen können, ohne die entsprechende Skizze ändern zu müssen.
Skizze für den Schnittverlauf
Der Verlauf von Schnittansichten basiert auf einer ebenen Skizze. Diese kann in der Konstruktion vorhanden sein oder aber bei der Definition der Ansicht neu erzeugt werden.
|
|
Skizze neu erstellen |
Aktivieren Sie dieses Symbol, um eine neue Skizze zu erstellen. Es wird automatisch eine Skizze angelegt. |
|
|
Skizze auswählen |
Aktivieren Sie dieses Symbol, wenn Sie eine in der Konstruktion vorhandene Skizze verwenden wollen. Wählen Sie anschließend die entsprechende Skizze aus. |
|
|
nach Erzeugung löschen. |
Die verwendete Skizze bleibt auch nach der Erzeugung der Schnittansicht erhalten. |
|
|
Die verwendete Skizze wird nach der Erzeugung der Schnittansicht gelöscht. |
Beachten Sie bitte die Hinweise zu Einsatzzweck und Darstellung von Skizzen. Skizzen mit dem Einsatzzweck Bauteil werden in Schnittansichten geschnitten, Skizzen mit dem Einsatzzweck Erzeugen/Bearbeiten nicht.
Kennzeichnung von Schnittansichten
In diesem Bereich bestimmen Sie, ob der Schnittverlauf dargestellt und die Schnittansicht mit einer Überschrift versehen werden soll. Aktivieren oder deaktivieren Sie die entsprechende Checkbox.
|
|
Der Schnittverlauf wird gekennzeichnet. Die ISD-seitige Defaulteinstellung ist:
|
|
|
Über die Schaltfläche Text- und Linienparameter ändern legen Sie die Kennzeichnung des Schnittes in der Ausgangsansicht und der aktiven Ansicht fest. Dies sind u.a. die symbolische Darstellung der Blickrichtung, Inhalt und Position der Beschriftung sowie die Darstellung des Schnittverlaufes. |
|
|
Ist diese Checkbox aktiv, dann wird eine Überschrift für die Schnittansicht generiert. Die ISD-seitige Defaulteinstellung ist die Schnittbezeichnung, die auch als Ansichtsname der Schnittansicht verwendet wird. |
|
|
Wenn Sie eine individuelle Ansichtsüberschrift definieren wollen, klicken Sie auf die Schaltfläche Überschrift der Ansicht editieren. |
Beispiel - Defaulteinstellungen
Schnittverlauf - Text- und Linienparameter ändern
Im Dialogfenster Kennzeichnungseinstellungen lassen sich die Parameter für die Beschriftung und Darstellung des Schnittverlaufes in der Ausgangsansicht festlegen.
Die Kennzeichnungseinstellungen werden - sofern zuvor eine Skizze ausgewählt wurde - in der Konstruktion als Vorschau angezeigt.
Die aktuellen Einstellungen des Dialogfensters lassen sich auch zur späteren Wiederverwendung als Favoriten speichern. Dazu klicken Sie unten im Dialog auf das Symbol
. Mehr zur Favoritenverwaltung finden Sie in den HiCAD Grundlagen unter Favoriten.
|
Allgemein |
|
|---|---|
|
Beschriftung |
Diese Einstellung bestimmt wie die Beschriftung erfolgen soll. Folgenden Einstellungen sind möglich:
Bei Fortlaufende Buchstaben und Fortlaufende Zahlen lässt sich die Richtung umdrehen, indem Sie die entsprechende Checkbox aktivieren. Bei der einseitigen Beschriftung lässt sich die Seite wechseln. Wird als Symbol Kreis mit Dreieck gewählt, dann ist nur die ein- oder beidseitige Beschriftung möglich. |
| Schnittbezeichnung |
Hier legen Sie die Schnittbezeichnung durch direkte Eingabe oder Auswahl aus der Listbox fest. Haben Sie in den Schnittansichten der Konstruktion in Ansichtskennzeichnungen Großbuchstaben oder Zahlen verwendet, dann schlägt HiCAD ggf. automatisch den kleinsten noch nicht verwendeten Großbuchstaben oder die kleinste noch nicht verwendete Zahl für die Schnittbezeichnung vor. Dabei werden auch Ansichten berücksichtigt, die nur eine Überschrift (ohne Kennzeichnung in einer Ausgangsansicht) besitzen. Ob ein Buchstabe oder eine Zahl vorgeschlagen wird, richtet sich nach der zuletzt verwendeten Bezeichnung. Zum Beispiel wird nach einer Schnittansicht mit der Bezeichnung A für die nächste Schnittansicht wieder ein Buchstabe vorgeschlagen, nach einer Schnittansicht mit der Bezeichnung 1 wieder eine Zahl. |
| Beschriftungstext bearbeiten |
Die ISD_seitige Voreinstellung für den Beschriftungstext ist in der Datei ViewOriginLabel_Section.ftd im HiCAD sys-Verzeichnis festgelegt.
Wollen Sie den Default-Beschriftungstext ändern, dann klicken Sie auf |
| Position der Beschriftung |
Diese Einstellung bestimmt die Lage der Beschriftung zum Schnittverlauf. Möglich sind folgende Optionen:
Links: Position der Beschriftung in Verlängerung des Pfeils, Mitte: in Verlängerung der Schnittlinie, Rechts: seitlich am Pfeil |
| Schicht |
Hier legen Sie fest, auf welcher Schicht die Beschriftung abgelegt werden soll. |
|
|
|
|
Pfeile |
|
|
Hier bestimmen Sie, welches Symbol für die Kennzeichnung verwendet werden soll:
Der geschlossene Pfeil sowie das Dreieck können auch gefüllt werden. Haben Sie die einseitige Beschriftung gewählt, dann steht für das Symbol Kreis mit Dreieck die Checkbox Rechteck zur Verfügung. Ist die Checkbox aktiv, dann wird im Endpunkt des Schnittverlaufes ein Rechteck in der angegebenen Größe gezeichnet.
Ist die Ausgangsansicht eine 3D-Ansicht, z. B. eine Axonometrie, dann hat die Auswahl der Symbole keine Auswirkung. In diesem Fall wird immer ein 3D-Pfeil verwendet. |
|
Pfeilfarbe Länge |
Hier wählen Sie Farbe und Länge der Pfeile / Symbole. Die Länge kann automatisch von HiCAD bestimmt werden oder explizit durch eine Werteingabe. |
|
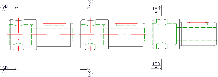
Schnittverlauf |
|
|
|
In diesem Bereich des Dialogfensters bestimmen Sie die Darstellung des Schnittverlaufes.
Verschiedene Darstellungen des Schnittverlaufes - hier an einer 3D-Ansicht
Beim ersten Aufruf dieser Funktion innerhalb der aktuellen Konstruktion werden im Dialogfenster als Voreinstellung die Einstellungen aus dem Konfigurationsmanagement verwendet (Zeichnung > Ansichten > Kennzeichnung > Schnitte). Bei weiteren Aufrufen der Funktion gelten die zuletzt verwendeten Text- und Linienparameter als Voreinstellung. |
Die Darstellung des Schnittverlaufes und die Kennzeichnung des Schnittes in der Ausgangsansicht richten sich auch nach den Einstellungen im Konfigurationsmanagement unter Zeichnung > Ansichten > Kennzeichnung > Schnitte.
Überschrift der Ansicht editieren
Wenn Sie nicht die ISD-seitigen Voreinstellungen für die Überschrift der Schnittansicht verwenden wollen, können Sie nach einem Klick auf
individuelle Überschriften festlegen.
Dazu wird das Dialogfenster Ansichtsüberschrift angezeigt, das im Wesentlichen dem Beschriftungseditor entspricht.
Bestimmen Sie die Komponenten, die in der Überschrift ausgegeben werden sollen. Dies können feste Texte oder Attribute sein. Beispielsweise lassen sich der Ansichtsname, die Bezeichnung, der Maßstab und - bei nicht in Fluchtrichtung abgeleiteten Ansichten - Pfeil und Winkel in die Überschrift übernehmen.
Für die Überschrift in Schnittansichten steht die Vorlagendatei VIEWHEADER_S.FTD im HiCAD sys-Verzeichnis zur Verfügung. Mit dieser Datei lassen sich die Überschriften in Schnittansichten individuell konfigurieren. Defaultmäßig ist die FTD-Datei zunächst leer.
Ein Beispiel:
Für die Vorlagendatei VIEWER_S.FTD wurde die abgebildete Einstellung gespeichert.
Dann enthält die Schnittansicht z. B. die abgebildete Überschrift.
Hinweise:
- Der Maßstab wird in der Überschrift einer Schnittansicht nur dann angezeigt, wenn die Schnittansicht einen anderen Maßstab als die ursprüngliche Ansicht hat.
- Die Überschrift wird automatisch über der Ansicht zentriert. Sie haben jedoch nachträglich die Möglichkeit, die Überschrift zu verschieben.
Schraffur
Schnittflächen einer Schnittansicht lassen sich auch schraffiert darstellen.

Um eine schraffierte Darstellung der Schnittflächen zu erhalten:
- Aktivieren Sie die Checkbox mit Schraffur. Angezeigt wird die aktuelle Schraffureinstellung.
- Wählen Sie ggf.
ein anderes Schraffurmuster. Klicken Sie dazu auf das Symbol Schraffur ändern
. Das Dialogfenster Schraffurauswahl wird angezeigt. Wenn Sie mit dem Cursor auf eines der Muster zeigen werden weitere Informationen zum Schraffurmuster angezeigt. Mit einem Klick auf das Lupensymbol unten links lässt sich die Anzeige der Muster auch zoomen.
Wählen Sie das gewünschte Muster und verlassen Sie das Fenster mit OK.
- Bestimmen Sie den Schraffurlinienabstand und -winkel.
Die Schraffur der Schnittfläche wird beeinflusst durch die im Konfigurationsmanagement unter Zeichnung > Ansichten für den Parameter Schnittflächenschraffur gewählte Einstellung. Steht dort der Parameter Schnittflächenschraffur auf Nach Werkstoff, dann hat die Schraffurauswahl in den Dialogen keine Auswirkung.
Beschichtung
Für Kant- und Stahlbleche kann hier über die Checkbox Anzeigen festgelegt werden, ob die Beschichtung in der Schnittansicht gekennzeichnet werden soll oder nicht. Die Kennzeichnung erfolgt durch eine Offsetkante, die sogenannte Beschichtungslinie. Zur Darstellung der Beschichtungslinie werden die im Konfigurationsmanagement unter Zeichnung > Beschriftungen > Beschichtungslinie in Schnittansicht festgelegten Einstellungen verwendet.
Die Darstellung der Beschichtungslinie kann nachträglich geändert werden. Dazu klicken Sie in der entsprechenden Ansicht mit der rechten Maustaste auf die Beschriftungslinie und aktivieren Im Kontextmenü Beschichtungssymbol die gewünschte Funktion.
|
Funktion |
|
|---|---|
|
|
Beschichtungslinienparameter ändern Mit dieser Funktion lassen sich Farbe, Linienart und Schicht der Beschichtungslinie ändern. Dazu wird das Dialogfenster 3D-Kantenparameter angezeigt. |
|
|
Offsetabstand verändern Mit dieser Funktion lässt sich der Offsetabstand, d. h. der Abstand zwischen Beschichtungslinie und Schnittkante, ändern. |
|
|
Beschichtungslinien ein-/ausblenden Beschichtungslinien lassen sich in der aktiven oder in allen Schnittansichten ein-/ausblenden. Dabei kann unterschieden werden zwischen Beschichtungslinien auf der Innen- und der Außenseite. Dazu wird das folgende Dialogfenster angezeigt:
Die abgebildete Einstellung bewirkt beispielsweise, dass in allen Schnittansichten die Beschichtungslinien auf der Außen- und der Innenseite dargestellt werden. Sind alle Beschichtungslinien ausgeblendet, dann lassen sich die Linien über das Kontextmenü für Bleche wieder einblenden. Dazu klicken Sie in der Schnittansicht mit der rechten Maustaste auf das Blech und wählen dann unter Eigenschaften die Funktion Beschichtungslinie. |
Kantblech (1) mit Außenbeschichtung, Draufsicht (2) mit Schnittkante (3), Schnittansicht (4) mit Beschichtungslinie (5)
Bitte beachten Sie:
- Die Offsetberechnung der Beschichtungslinien erfolgt immer in der Bildschimebene. Das heißt, die Linien sind keine "festen" 3D-Linienzüge sondern werden bei Ansichtsdrehung aktualisiert.
- Bei gestrichelter Darstellung erfolgt die Strichelung der Beschichtungslinien segmentweise und nicht über den gesamten Verlauf.
Spezialansichten (3D) • Schnitt- und Detailansichten (3D) • Ansichten (3D) • Schraffureinstellungen


. Anschließend können Sie den Text wie im
