Tabellenbemaßung
Eine Tabellenbemaßung zeigt die Daten von Normteilen in tabellarischer Form an.
In HiCAD stehen Ihnen für die Tabellenbemaßung folgende Funktionsbereiche zur Verfügung:
- Tabellenbemaßung neu: Hierbei werden die Normteile im Rechteck oder einzeln identifiziert
- Einstellungen: Mit der Funktion Extras > Tabelle > Einstellung ändern Sie die Parameter von neuen Tabellen. Um die Parameter einer vorhandenen Tabelle zu ändern, aktivieren Sie diese mit der rechten Maustaste und wählen dann in dem erscheinenden Kontextmenü die Funktion Einstellung. Die Änderungen wirken sich nun auf die aktivierte Tabelle aus.
- Tabellenbemaßung bearbeiten: Das Kontextmenü mit den Bearbeitungsfunktionen öffnen Sie durch einen rechte Mausklick auf die Tabelle.
Tabellenbemaßung neu
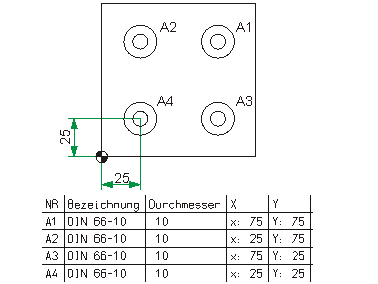
![]()
2D-Bemaßung + Text > Bearbeitens > PullDown-Menü Extras > Rechteck ![]()
Je nach gewählter Identifizierung sucht HiCAD automatisch nach den innerhalb eines Rechtecks liegenden Normbearbeitungen und zeigt deren Daten in einer Tabelle an.
- Ziehen Sie ein Rechteck auf, in dem die Normbearbeitungen liegen, und legen Sie einen Bezugspunkt fest.
Auf diesen Punkt beziehen sich die in der Tabelle ausgegebenen Koordinaten der Normbearbeitungen.
Wenn Sie die Funktion Tabellenbemaßung einzeln gewählt haben, können Sie explizit eine Normbearbeitung identifizieren.
- Bestimmen Sie abschließend die Position der Tabelle in der Konstruktion.
HiCAD setzt die Tabelle mit den Daten der gefundenen Normbearbeitungen an die angegebene Position und beschriftet die Normbearbeitungen entsprechend.
Beim schließen der Datei wird die Tabelle immer aktualisiert.
Tabellenbemaßung bearbeiten
Wollen Sie eine Tabellenbemaßung bearbeiten, dann klicken Sie mit der rechten Maustaste auf die entsprechende Tabelle. Das Kontextmenü für Tabellenbemaßungen wird angezeigt.
| Funktion |
Beschreibung |
|---|---|
|
Aktualisieren |
Haben Sie Normbearbeitungen hinzugefügt oder entfernt, dann lässt sich die zugehörige Tabellenbemaßung mit dieser Funktion nach Aufzug eines Rechtecks aktualisieren. |
|
Hinzufügen Entfernen |
Mit diesen Funktionen können Sie einzelne Normbearbeitungen zu einer bereits vorhandenen Tabellenbemaßung hinzufügen oder aus ihr entfernen. Dazu identifizieren Sie einfach die gewünschte Normbearbeitung. |
|
Bezugspunkt setzen |
Mit dieser Funktion ändern Sie den Bezugspunkt einer Tabellenbemaßung. Die Koordinaten der Normbearbeitungen werden neu berechnet und die Tabelle wird entsprechend angepasst. |
|
Tabelle exportieren |
Diese Funktion startet den Tabelleneditor. Hier können Sie
Beim Aktualisieren von Tabellen gehen die mit dieser Funktion vorgenommenen Änderungen verloren. |
|
Tabelle löschen |
Nach Auswahl der Funktion wird die Tabelle gelöscht. |
|
Einstellung |
Diese Funktion ändert die Parameter der aktivierten Tabelle. |
Bemaßungs-Extras (2D) • Einstellung der Tabellenbemaßung (2D)
