Beispiel einer Designvariante mit Skizze
- Legen Sie eine Konstruktion mit Bearbeitungsebene an und zeichnen Sie eine Skizze. Parametrisieren Sie diese Skizze mit dem Kantenzug-HCM.
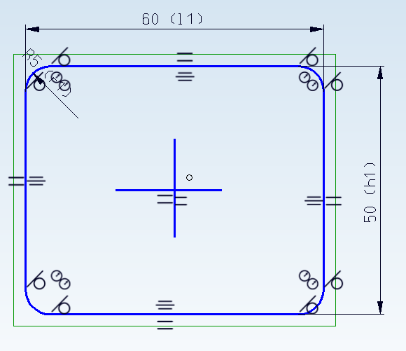
Beispiel: Parametrisierte Skizze
- Weisen Sie der Skizze einen isolierten Punkt zu. Dieser wird dann parametrisiert.
Beispiel: Parametrisierte Skizze mit Passpunkt
- Erzeugen Sie einen Quader, der mit Hilfe der Skizze eine Ausnehmung erhält.
- Legen Sie eine neue Bearbeitungsebene auf die Grundfläche der Ausnehmung und fügen Sie dann noch ein Bohrraster hinzu.
- Erzeugen Sie ein Leerteil, mit dem Quader als Nebenteil und kennzeichnen Sie es als Designvariantenbasiskörper.
- Tragen Sie die Variablen in die Variablentabelle des Leerteils ein.
- Vergeben Sie die Variablen.
- Aktivieren Sie im Featureprotokoll des Quaders unterhalb der Ausnehmung die Bearbeitungsebene mit der RMT und wählen Sie die Funktion Formel editieren.
- Schreiben Sie in die Eingabemaske active_coor().
- Tragen Sie für den Quader mit der Funktion Formel für das bearbeitete Teil den Text active_part() ein.
- Aktivieren Sie das Leerteil zum Speichern der Designvariante.
-
