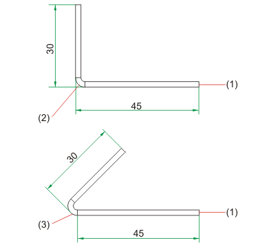
Einbaumodus

(1) Bezugsblech
(2) Ankanten mit Kürzen des Bezugsbleches
(3) Ankanten ohne Kürzen des Bezugsbleches

(1) Anschlusskante
(2) Bezugsfläche
(3) Bezugspunkt
(4) Ankanten mit Abstand zum Bezugsblech