Hinweise zu Bemaßungsregeln und -einstellungen

Bitte beachten Sie die Hinweise zu folgenden Themen:


Fußpunkte auf verdeckten Nebenteilen

In der Datei STW_DIMSETTINGS.XML lässt sich jetzt festlegen, wie bei der Verwendung von Bemaßungsregeln Fußpunkte behandelt werden, die auf verdeckten Nebenteilen liegen. Dazu muss in die Datei die Zeile

</PARAM><PARAM Name="IGNOREHIDDENSUBPARTANDBORES" Typ="INT" Value="0">

eingefügt werden.

Wird Value auf 1 gesetzt, dann bei allen Bemaßungsregeln die Fußpunkte, die sich auf verdeckten Nebenteilen befinden, grundsätzlich für die Bemaßung ignoriert.


Blech-Anbauteile und an maßgebende Profile angrenzende Bleche/Profile

Beim Bemaßen von Blech-Anbauteilen sowie bei Blechen und Profilen, die an maßgebende Profile angrenzen, werden bisher immer beide Kontaktpunkte bemaßt. Soll nur der erste Kontaktpunkt in der Kette bemaßt werden, so lässt sich dies ändern, indem in der Datei STW_DimSettings.XML (konventionelle Bemaßungseinstellungen) im HiCAD sys-Verzeichnis der Parameter

</PARAM><PARAM Name="SUBPARTPOSITION" Typ="INT" Value="0">

auf 1 gesetzt wird. Diese Einstellung wirkt sich auf alle in der Bemaßungsregel-Übersicht mit * gekennzeichneten Bemaßungsregeln aus.

Beispiel - (1) ohne Änderung der STW_DimSettings.XML , (2) mit Änderung der STW_DimSettings.XML


Getrennte Maßketten für unterschiedliche Verwendungsarten

Für Maßketten, die die Einbausituation von Teilen beschreiben, lassen sich optional getrennte Ketten pro Verwendungsart erzeugen. Das Verhalten lässt sich ändern, indem in der Datei STW_DimSettings.XML (konventionelle Bemaßungseinstellungen) im HiCAD sys-Verzeichnis der Parameter SEPERATEDSUBPARTPOSITION auf 1 gesetzt wird:

</PARAM><PARAM Name="SEPERATEDSUBPARTPOSITION" Typ="INT" Value="1">

Die Abbildung zeigt ein Profil mit 4 Blechen unterschiedlicher Verwendungsart (1=Kopfplatte, 2=Verstärkungsblech, (3) Steife) und die Vorderansicht der Fertigungszeichnung.

 

Sollte die Datei STW_DimSettings.XMLdie beschriebenen Parameter nicht enthalten, dann können Sie dies auch manuell - wie oben dargestellt - eintragen.

 

Getrennte Maßketten für Bohrungen und Ausnehmungen

In den Einstellungen für Bemaßungen lässt sich unter Bohrungen / Verschraubungen jetzt auch festlegen, dass getrennte Maßketten für Bohrungen (Durchgangs- und Normbohrungen) und Ausnehmungen getrennt erzeugt werden. Dazu steht die Checkbox Maßketten für Bohrungen und Ausnehmungen trennen zur Verfügung.

Bei Neuinstallationen bzw. wenn die Datei mit den Bemaßungseinstellungen STW_DIMSETTINGS.xml noch nicht vorhanden ist, kann die Option in der stab3par.dat unter

Maßketten für Lage der Bohrungen/Ausnehmungen trennen nach Bohrungen und Ausnehmungen 1:ja, 0:nein

ein- und ausgeschaltet werden. Ist die Datei STW_DIMSETTINGS.xml bereits vorhanden, dann muss die Zeile

</PARAM><PARAM Name="DEVIDEBORESANDCUTS" Typ="INT" Value="1">

eingefügt werden.

Die Einstellung wird zur Zeit noch nicht in den Werkstattzeichnungsdaten gespeichert!

 

Beachten Sie bitte, dass sich diese Einstellung auch auf die folgenden Bemaßungsregeln auswirkt:

 

Beispiel - Getrennte Maßketten für Bohrungen und Ausnehmungen

Die abgebildete Konstruktion (1) enthält mehrere Durchgangsbohrungen und eine rechteckige Ausnehmung. (2) getrennte Maßketten, (3) eine Maßkette für Bohrungen und Ausnehmungen

 

Im Beispiel sind für (3) folgenden Einstellungen für Bemaßungsregel 12 verwendet worden:

 

Getrennte Maße nach Verwendungszweck für die Einbausituation von Nebenteilen

In den Einstellungen für Bemaßungen lässt sich unter Allgemeines festlegen, dass die Anbauteile (Profile) in den unterschiedlichen Maßketten abhängig von dem Attribut Teileart bemaßt werden. Dazu steht im Dialogfenster eine entsprechende Checkbox zur Verfügung. Auf diese Weise ist es möglich, Hohlprofile / Anbauteile getrennt von Rundstahl /Anbauteil zu bemaßen und so die Strukturierung der Maße zu verbessern.

Diese Einstellung wirkt sich auch auf Bemßungsregeln für Maßketten an maßgebenden Bauteilen aus.

Bei Neuinstallationen bzw. wenn die Datei mit den Bemaßungseinstellungen STW_DIMSETTINGS.xml noch nicht vorhanden ist, kann die Option in der stab3par.dat unter

Separated chain dimensions according to part type for position of sub-parts 1:yes, 0:no - Getrennte Massketten nach Teileart fuer Einbausituation von Nebenteilen 1:ja, 0:nein

 

ein- und ausgeschaltet werden. Ist die Datei STW_DIMSETTINGS.xml bereits vorhanden, dann muss die Zeile

</PARAM><PARAM Name="SEPERATEDSUBPARTPOSITION_PT" Typ="INT" Value="0">

eingefügt werden.


Bemaßung und Beschriftung verdeckter Teile, Bohrungen und Bearbeitungen

Bemaßungen und Beschriftungen in Werkstattzeichnungen lassen sich - bei Bedarf - auch nur an der sichtbaren Ansichtsseite bemaßen/beschriften, d. h. Teile sowie Bohrungen/Bemarbeitungen die bei der Darstellung Hidden-line gestrichelt gestrichelt dargestellt werden, werden in der entsprechenden Ansicht nicht bemaßt/beschriftet.

 

Um die Bemaßung verdeckter Teile und Bearbeitungen zu unterdrücken, müssen folgende Voraussetzungen erfüllt sein:

  1. In den Einstellungen für die Bemaßung muss die Bemaßung verdeckter Teile und Bearbeitungen ausgeschaltet sein.

Dies entspricht in der Datei STW_DIMSETTINGS.XML der Zeile </PARAM><PARAM Name="IGNOREHIDDENSUBPARTANDBORES" Typ="INT" Value="0"> bzw. in der Datei STAB3DPAR.DAT (Neukunden) dem Eintrag Fußpunkte auf nicht sichtbaren Teilen und verdeckte Bohrungen ignorieren? 1:ja, 0:nein

  1. Die Teile/Bearbeitungen müssen komplett verdeckt sein. Sind sie teilweise sichtbar, dann werden sie bemaßt!

Die Einstellungen für die Bemaßung gelten nur für die Bemaßung über Bemaßungsregeln.

 

 

Um die Beschriftung verdeckter Bohrungen/Bearbeitungen zu unterdrücken, müssen folgende Voraussetzungen erfüllt sein:

  1. In den Einstellungen für Bemaßungen muss für hintenliegende Bezeichnungsfähnchen die Linienart ausgeschaltet sein.

  1. Als Darstellungsart der Ansicht muss Hidden-line oder Hidden-line gestrichelt gewählt sein
  2. Die Bohrung/Bearbeitung muss komplett verdeckt sein. Ist sie teilweise sichtbar, dann erhält sie auch eine Bezeichnung!

 

 

(1) Ausgangsprofil, (2) Werkstattzeichnung mit Bemaßung + Beschriftung der verdeckten Bohrung, (3) mit Unterdrückung der Bemaßung + Beschriftung verdeckter Bohrungen

 


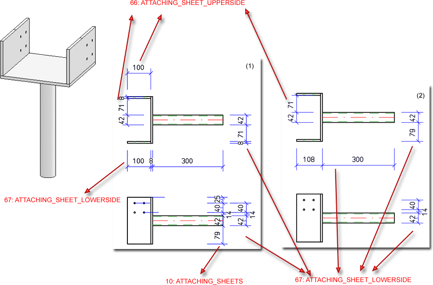
Lage / Bezug der Maßkette bei Blechen

Über die Einstellungen für die Bemaßungsregeln - entweder im Konfigurationsmanagement oder im Bemßungsregeleditor - ist es auch für Anbauteile möglich, als Bezug nur Oberkante oder Unterkante oder auch die Profilachse zu wählen. Dabei ist allerdings zu berücksichtigen, dass sich oben und unten dabei auf das Koordinatensystem des Bleches bezieht und nicht auf das des Profils.


Konturbemaßung

Bei der automatischen Bemaßung von Konturen hat sich die Auswahl der Fußpunkte geändert. Diese Änderung betrifft Kantbleche (inkl. Abwicklung), Stahlblechenund Gasscheiben.

Bisher wurden bei der Bemaßung von Konturen die Endpunkte der einzelnen Kanten bemaßt. Dies ist aber in der Praxis meist nicht gewünscht. Ab SP2 werden daher bei Konturbemaßungen folgende Fußpunkte berücksichtigt:

Außenkonturen

 

Bohrungen/Ausnehmungen

Diese Änderung betrifft die Bemaßungsregeln für Außenkonturen und Bohrungen/Ausnehmungen von Kantblechen (inkl. Abwicklungen), Stahlblechen und Glasscheiben.

Bemaßung der Außenkontur vor HiCAD 2020 SP2

Bemaßung der Außenkontur

Werkstatt- und EinzelteilzeichnungEinstellungen für WerkstattzeichnungenWerkstattzeichnung - Dialogfenster