Beispiel: Welle (2D -> 3D Rekonstruktion)

In diesem Beispiel soll aus einer 2D-Zeichnung ein 3D-Modell unter Verwendung der Funktionen Ansichten, Rotationsteile und Durchgangsbohrungen abgeleitet werden. Ausgangsbasis ist die abgebildete 2D-Zeichnung (REKO_BSP5.SZN), die die Vorderansicht (1), die Seitenansicht (2) und die Draufsicht (3) einer 2D-Welle enthält.

Die Ableitung des 3D-Modells besteht aus 3 Schritten:


Schritt 1: Ansichten definieren

  1. Laden Sie die Datei REKO_BSP5.SZN.
  2. Aktivieren Sie auf der Registerkarte 3D-Standard > Neu das Menü Translationsteil und aktivieren Sie dort die Funktion 2D -> 3D Rekonstruktion.

  3. Wählen Sie im Menü Rekonstruktionstechnik die Funktion Ansichten.
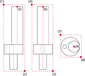
  4. Ziehen Sie zur Bestimmung der Vorderansicht ein Rechteck mit den Eckpunkten (1) und (2) auf.
  5. Wählen Sie als Bezugspunkt (3) dieser Ansicht den Mittelpunkt der oberen Kante.
  6. Ziehen Sie zur Bestimmung der Seitenansicht ein Rechteck mit den Eckpunkten (4) und (5) auf.
  7. Wählen Sie als Bezugspunkt (6) dieser Ansicht den Mittelpunkt der oberen Kante.
  8. Ziehen Sie zur Bestimmung der Draufsicht ein Rechteck mit den Eckpunkten (7) und (8) auf.
  9. Wählen Sie als Bezugspunkt (9) dieser Ansicht das Zentrum des rechten Kreises.

Damit ist die Definition der Ansichten abgeschlossen. HiCAD fügt an den Bezugspunkten isolierte Punkte in die Konstruktion ein.


Schritt 2: 3D-Modell ableiten

  1. Wählen Sie im Menü Rekonstruktionstechnik die Funktion Rotationsteile.
  2. Identifizieren Sie den Linienzug (1). Dies ist das obere Rechteck.
  3. Wählen Sie als Drehachse die senkrechte Mittellinie (2).
  4. Legen Sie den Bezugspunkt (3) in den Mittelpunkt der unteren Kante des gewählten Rechtecks.
  5. Aktivieren Sie erneut die Funktion Rotationsteile.
  6. Identifizieren Sie das mittlere Rechteck (4) und wählen Sie als Drehachse die senkrechte Mittellinie (5). Legen Sie den Bezugspunkt (3) in den Mittelpunkt der unteren Kante des oberen Rechtecks.
  7. Aktivieren Sie erneut die Funktion Rotationsteile.
  8. Identifizieren Sie das untere Rechteck (6) und wählen Sie als Drehachse die senkrechte Mittellinie (7). Legen Sie den Bezugspunkt (3) in den Mittelpunkt der unteren Kante des oberen Rechtecks.

HiCAD leitet automatisch das 3D-Modell ab und fügt es in die Konstruktion ein.


Schritt 3: Bohrung übernehmen

  1. Wählen Sie im Menü Rekonstruktionstechnik die Funktion Durchgangsbohrung.
  2. Identifizieren Sie das 3D-Teil (1).
  3. Identifizieren Sie die Bohrung (2) in der Draufsicht.
  4. Beenden Sie die Auswahl mit der rechten Maustaste.

Beispiel: SweepteilWeitere Beispiele