Thema: Feature-Technik

Beispiel einer Designvariante mit Skizze

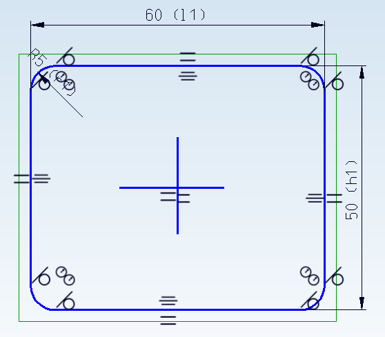
Beispiel: Parametrisierte Skizze

 

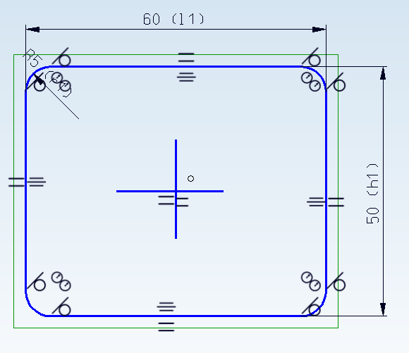
Beispiel: Parametrisierte Skizze mit Passpunkt

Designvarianten

© Copyright 1994-2021, ISD Software und Systeme GmbH
Version 2601 - Feature-Technik
Ausgabedatum: 26.09.2021     Sprache: 1031

> Feedback zu diesem Thema

DatenschutzAGBCookiesKontaktImpressum