Thema: HiCAD Blech

Biegesimulation

Kantblech > Bereich: Bearbeiten > Biegesimulation

Mit der Funktion Biegesimulation können Sie komplette Blechkonstruktion in verschiedenen Ebenen auseinanderfalten, um sie zu bearbeiten (z. B. Bohren). Anschließend können Sie das Blech zurückbiegen. Sie können mehrere Bleche gleichzeitig auffalten. Identifizieren Sie nacheinander die Grundblech der Blechkonstruktionen.

Alle Bleche werden in die Ebene des als Grundblech identifizierten Teils gebogen.

Sie können die Kante für das Grundblech auch in der Schnitt- oder Detailansicht identifizieren. Die Biegesimulation wird dann in der Ursprungsansicht durchgeführt. Dadurch wird die Schnitt- oder Detailansicht ungültig und muss aktualisiert werden. Haben Sie eine Kante, die durch den Schnitt entstanden ist, gewählt dann erscheint eine Fehlermeldung. Die Identifizierung ist nicht möglich, wenn die Schnittansicht mit den Optionen Aufgeklappt oder nur Schnittfläche erstellt wurde.

Das Zurückbiegen müssen Sie einzeln vornehmen. Um das Blechteil zurückzubiegen, aktivieren Sie nochmals das Symbol Biegesimulation und identifizieren ein beliebiges Blech.

Das Blech wird in den ursprünglichen Zustand wieder zurückgebogen.

(1) Grundblech

 

Wenn die Biegesimulation nicht vollständig berechnet werden kann, erscheint eine Fehlermeldung. Eine abgebrochene Berechnung kann z. B. durch nicht tangentiale Übergange bzw. Kanten zwischen Blechlasche und Biegezone hervorgerufen werden. Die Biegesimulation wird dann so weit wie möglich durchgeführt.

Fehler

Die blauen Kanten sind tangentiale Kanten (grün(konvex) und rot(konkav) sind die nicht tangentialen Kanten).

Fehler


Bohren

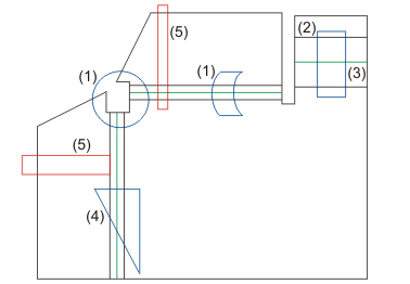
Sie haben die Möglichkeit das Blechteil im abgewickelten Zustand zu bohren. Die nachfolgende Zeichnung zeigt Ihnen, welche Bohrungen zulässig sind und welche nicht.

Zulässige Bohrungen
(1) Kreisbogenschnitt
(2) Biegezone wird geteilt
(3) Gerader Schnitt
(4) Schräger Schnitt

Nicht zulässige Bohrungen
(5) Lasche wird geteilt

Bearbeitung (3D-Blech)

© Copyright 1994-2021, ISD Software und Systeme GmbH
Version 2601 - HiCAD Blech
Ausgabedatum: 26.09.2021     Sprache: 1031

> Feedback zu diesem Thema

DatenschutzAGBCookiesKontaktImpressum