Project: Variant Editor

Edit Simple Variants (VAD_Editor)


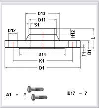
Preview Box

The preview box displays an image of the loaded simple variant. This is only possible if an image of the variant exists in an EMF file (Windows Enhanced Metafile) in the folder specified for Settings under Directory for the EMF files for standard variants. The EMF file must have the same name as the VAD file with the name extension .EMF.

The Data sheet button is only activated if a data sheet for the loaded variant exists. It can be displayed by clicking the button. This only happens if a valid data sheet file exists in the folder specified for Settings under Directory for the EMF files for standard variants. This file must match the Type specification set for Data sheet file extension (e.g. .pdf). In addition, a suitable View program - specified under Program for data sheet viewer - must be available. The data sheet file must have the same name as the VAD file and the name extension specified under Settings.

Example: ASME_FLANGE600


Table Box

The Type Designation entry field at the top of the table box contains the current record designation. The table is comprised of four columns: The checkboxes for row selection (1), the names of variables (2), the values of variables (3) and the Description of variables (4), which is empty in our example below.

  1. Checkboxes for row selection
  2. Name of the variable - only the first 4 characters of the name are shown here. If the name of the variable is longer, its complete name is shown when you move the cursor over this field.
  3. Value for the variable
  4. Description fields for the variable (not used here).

 

The following option buttons are available:

Selects all table lines or cancels the selection. Selected lines are taken into account when recalculating or transferring records.

This command deletes the contents of entry fields in the Value column.

This command replaces the current value by the value that was contained in the Value column when the record was loaded. Only unblocked lines are affected.

This command recognises all lines selected in the first column, but only influences the current record. The dialogue box enables you to specify quotients by which the numerical values in selected lines are multiplied. Select OK to execute calculation.

Calculation is logical if, e.g. we assume that value 32 was specified for variable N in a record, and a new record should be created with N = 50, whereby the record with value N = 32 is initially taken over. To change the value of the variables H51 and D51 proportionally to N, proceed as follows::

  1. Select the lines for N, H51 and D51.
  2. Click Recalculate , and enter the values 50 and 32 as shown above, and click OK.

For each marked variable, the given value will be copied to all other records.

The value of the marked variables will only be copied to those records which you selected as you would do for Find. Enter the required search conditions and select from the result list (with Ctrl+ right mouse button or Shift) the records in which the values should be replaced.

The User InterfaceSettingsChange/Generate Type DesignationEdit Structured Variants

© Copyright 1994-2021, ISD Software und Systeme GmbH
Version 2601 - Variant Editor
Date: 26/09/2021     Language: 1033

> Feedback on this topic

Data protectionTerms and ConditionsCookiesContactLegal notes and Disclaimer