Projet : HiCAD Tôle

Coupe de tôle 2D perpendiculaire à l'arête

Tôle pliée > Autres fonctions > Menu déroulant : Extras > Perpendicualire à l'arête

Cette fonction permet de dériver une vue 2D cotée à partir d'une vue 3D.

  1. Déterminez, une fois la fonction lancée, un plan d'usinage au moyen de deux arêtes, une pour l'axe X et une pour l'axe Y.

Après avoir identifié la première arête , vous pouvez accepter par un clic droit la position de plan d'usinage proposée.

  1. Sélectionnez une désignation pour la coupe 2D et la distance pour ligne du côté traité (revêtu).
  2. Cochez si besoin Incl. Chant, si le côté traité doit également être affiché sur le chant.
  3. Cochez si besoin Cotes angulaires et quittez la fenêtre de dialogue par OK.
  4. Identifiez un point pour le tracé de coupe.

La vue 2D est représentée sur votre curseur.

  1. Indiquez un point d'appui sur la scène.

(1) Arête pour l'axe X du plan d'usinage
(2) Arête pour l'axe Y du plan d'usinage
(3) Position sur l'arête pour la coupe (côté traité)
(4) Tracé de coupe

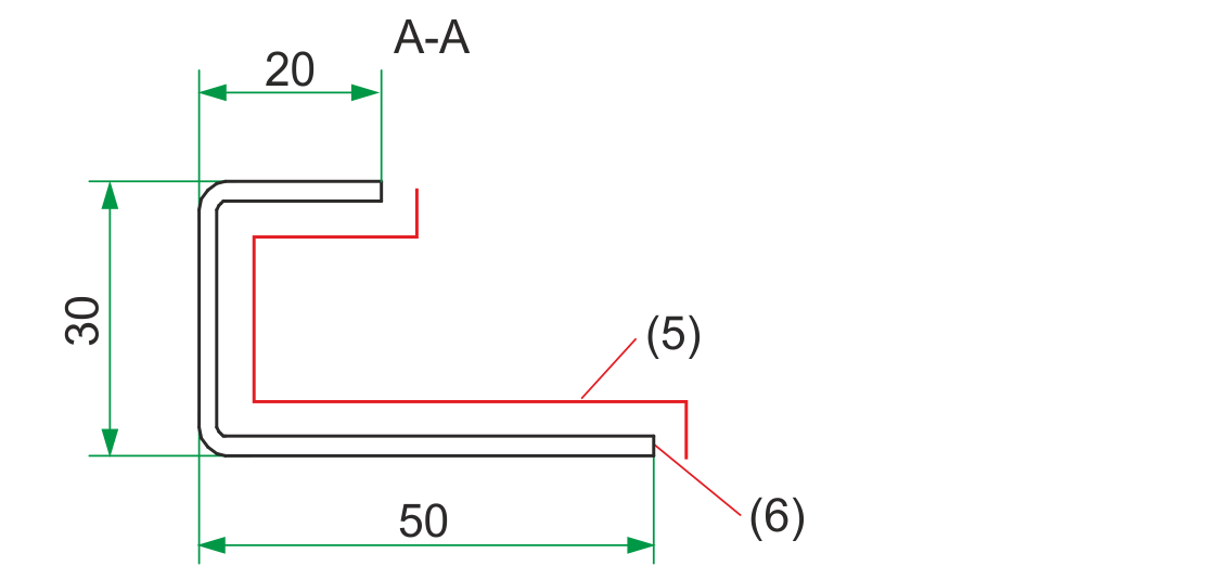
(5) Côté traité incluant le chant
(6) Vue 2D cotée

Les paramètres pour la représentation du côté revêtu (côté traité) sont définis dans le Gestionnaire de Configuration sous Compatibilité > Développement de tôle jusqu'à HiCAD 2016 > Paramètres avancés > Côté revêtu de la coupe de tôle 2D.

Les paramètres seront pris en compte après un redémarrage de HiCAD.

Autres fonctions (Tôle 3D)Coupe de tôle 2D depuis une vue en coupe 3D (Tôle 3D)

© Copyright 1994-2021, ISD Software und Systeme GmbH
Version 2601 - HiCAD Tôle
Publié le : 26/09/2021     Langue: 1036

> Commentaires sur ce thème

Protection de la vie privéeConditions générales de ventreCookiesContactMentions légales