Exemple : arbre

Il s'agit dans cet exemple de dériver une modélisation 3D à partir d'un dessin 2D en utilisant les fonctions Vues, Éléments de rotation et Perçage débouchants. L'objectif est d'obtenir une dessin 2D dérivé (REKO_BSP5.SZN) contenant un arbre 2D avec la vue de façade (1), la vue latérale (2) et la vue du dessus (3).

La dérivation d'une modélisation 3D se compose de 3 étapes :


Étape 1: Définir les vues

  1. Chargez le fichier REKO_BSP5.SZN.
  2. Dans l'onglet Standard 3D> Nouveau activez le menu Élément de translation puis lancez la fonction Conversion 2D -> 3D.

  3. Dans le menu Conv. 2D - 3D, lancez la fonction Vues.
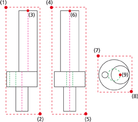
  4. Tirez un rectangle avec les points d'angles (1) et (2) pour définir la vue de façade.
  5. Sélectionnez le point du milieu de l'arête supérieure comme point de référence (3) de cette vue.
  6. Tirez un rectangle avec les points d'angles (4) et (5) pour définir la vue latérale.
  7. Sélectionnez le point du milieu de l'arête supérieure comme point de référence (6) de cette vue.
  8. Tirez un rectangle avec les points d'angles (7) et (8) pour définir la vue du dessus.
  9. Sélectionnez le centre comme point de référence (9) de cette vue.

La définition des vues étant ainsi complète, HiCAD introduit des points isolés aux points de référence dans la scène.


Étape 2: Dériver la modélisation 3D

  1. Dans le menu Conversion / Technique REKO, lancez la fonction Éléments de rotation.
  2. Identifiez la polyligne (1). Il s'agit du rectangle supérieur.
  3. Sélectionnez la ligne centrale verticale comme axe de rotation (2).
  4. Déterminez le point de référence (3) sur le point central de l'arête inférieure du rectangle sélectionné.
  5. Relancez la fonction Éléments de rotation.
  6. Identifiez le rectangle du milieu (4), puis sélectionnez la ligne verticale centrale comme axe de rotation (5). Définissez le point de référence (3) sur le point du milieu de l'arête inférieure du rectangle supérieur.
  7. Relancez la fonction Éléments de rotation.
  8. Identifiez le rectangle inférieur (6), puis sélectionnez la ligne centrale verticale comme axe de rotation (7). Définissez le point de référence (3) sur le point du milieu de l'arête inférieure du rectangle supérieur.

HiCAD dérive automatiquement la modélisation 3D et l'introduit dans la scène.


Étape 3: Appliquer le perçage

  1. Dans le menu Conversion / Technique REKO, lancez la fonction Perçage débouchants.
  2. Identifiez l'élément 3D (1).
  3. Identifiez le perçage (2) dans la vue du dessus.
  4. Terminez la sélection en cliquant sur le bouton droit de la souris (BDS).

Exemple : Élément SweepAutres exemples