Project: HiCAD 2-D

Set Reference Point (2-D)

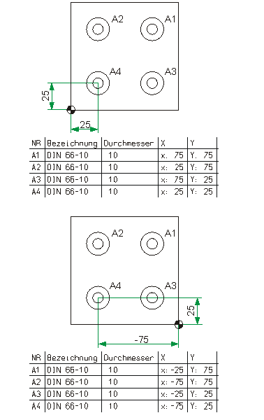
Change reference point

© Copyright 1994-2020, ISD Software und Systeme GmbH
Version 2502 - HiCAD 2-D
Date: 13/10/2020     Language: 1033

> Feedback on this topic

Data protectionTerms and ConditionsCookiesContactLegal notes and Disclaimer