Projet : HiCAD Tôle

Einbaumodus

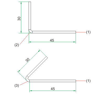
(1) Bezugsblech
(2) Ankanten mit Kürzen des Bezugsbleches
(3) Ankanten ohne Kürzen des Bezugsbleches

(1) Anschlusskante
(2) Bezugsfläche
(3) Bezugspunkt
(4) Ankanten mit Abstand zum Bezugsblech

© Copyright 1994-2020, ISD Software und Systeme GmbH
Version 2502 - HiCAD Tôle
Publié le : 24/02/2021     Langue: 1036

> Commentaires sur ce thème

Protection de la vie privéeConditions générales de ventreCookiesContactMentions légales