Fitting Mode (3-D SM)

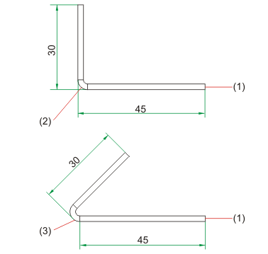
(1) Reference sheet
(2) Adding with shortening of the reference sheet
(3) Adding without shortening of the reference sheet

(1) Connecting edge
(2) Reference surface
(3) Reference point
(4) Adding with offset to the reference sheet